所屬科目:電子學
1. 有一正弦波交流電壓信號 ,則下列敘述何者錯誤? (A) (B) (C)週期T=20ms (D)頻率f=60Hz
5. 有一交流電壓信號 ,經半波整流電路後,則一週期內輸出電壓平均 值應為 (A)100V (B)70.7V (C)63.6V (D)31.8V
6. 在常溫下,鍺的本質濃度為,若摻雜的砷原子濃度為原子/ cm3 , 試求其電洞濃度為?原子/ cm3 (A) (B) (C)(D)
10. 如【圖1】所示之電晶體放大器, ,請問下列何者錯誤? (A) IC =2.5mA (B) IB =25μA (C) VO =2.5V (D) VCB =5V
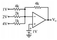
11. 如【圖2】所示為共基極式偏壓電路,請問下列何者正確? (A) IC =0.5mA (B) IE =0.7mA (C) VO =8.55V (D) VCE =5V
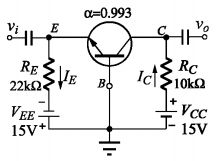
13. 如【圖3】所示之電晶體放大器,若 rπ=1KΩ, 試求此放大器之輸入阻抗Zi為? (A)10KΩ (B)40KΩ (C)245KΩ (D)7.75KΩ
16. 有一N通道JFET,其 D=-1V ,請問當直流偏壓 時,其汲極電流 ID 為何? (A)4mA (B)3mA (C)1.5mA (D)1mA
18. 一增強型MOSFET臨界電壓,則 D I 為? (A) 1mA (B) 1.5mA (C) 3mA (D) 4.5mA
19. 在FET的三個交流小訊號參數中,gm、 rd 及μ三者之關係為 (A) (B) (C) (D)
22. 如【圖4】所示之電壓比較顯示電路,當Cds的電 阻值為5KΩ時,則LED顯示情形為? (A)LED1亮 (B)LED2亮 (C)LED1與LED2都亮 (D)LED1與LED2都滅
25. 如【圖5】所示,已知 =1MΩ,則此放大器的 RO 為 (A) 1MΩ (B) 2KΩ (C) 333Ω (D)500Ω
27. 如【圖6】中,若D屬於理想二極體,則下列何種作法對改善漣波因素(ripple factor)的 效果最差:
(A)將輸入電壓變小 (B)將電容值加大 (C)改用全波整流 (D)將電阻值加大
29. 如【圖7】電路中,二極體D之作用為: (A)半波整流 (B)保護電晶體 (C)溫度補償 (D)防止雜音
30. 【圖8】中的 = (A)-76 (B)-90 (C)-98 (D)-110
31. 如【圖9】為何種電路? (A)反相微分器 (B)反相積分器 (C)非反相微分器 (D)非反相積分器
32. OPA應用電路中,如【圖10】屬於下列何種電路? (A)微分器 (B)積分器 (C)指數放大器 (D)對數放大器
37. 一交流電流流過1kΩ電阻,則電流波形的頻率為 (A)125Hz (B)785Hz (C)250Hz (D)10Hz
39. 就整流電路而言,半波整流、全波整流及橋式整流電路之比較,以下敘述何者錯誤? (Vm為輸入電壓的峰值) (A)此三者其輸出電壓的平均值(直流值)依序分別為 (B)此三者其二極體使用數依序分別為1,2,4個 (C)此三者其輸出時二極導通數依序分別為1,1,2個 (D)此三者其二極體逆向電壓峰值PIV依序分別為Vm,Vm,2Vm
41. 如【圖11】所示,電路如圖(a),輸入電壓,二極體均視為理想二 極體。若輸出電壓波形如圖(b)所示,則其故障原因最可能為何? (A)D2開路 (B)D1與D2短路 (C)D1開路 (D)R開路
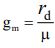
45. 試求【圖12】中電路之VO = ? (A) +4V (B) -5V (C) +10V (D) -13V
46. 如【圖13】若 , OPA為理想,則 VL 為多少伏特? (A)5V (B)15V (C)20V (D)25V
47. 如【圖14】運算放大器為理想,若200 V mV i = ,求輸出電壓 V0 =? (A)10.2V (B)7.3V (C)4.9V (D)3.7V
48. 如【圖15】所示之方波振盪器電路,下列敘述何者錯誤? (A)C之數值增加,則振盪頻率下降 (B)R2之數值增加,則振盪頻率增加 (C)對實際OPA而言, V0 之峰對峰值接近2VCC (D)對實際OPA而言, V0 之工作週期(duty cycle)約為50%
49. 一濾波電路輸出電壓為 ,試計算此電路之漣波百分比為 (A)7.07% (B)20% (C)10% (D)14.14%
50. 有一濾波器其電壓增益為,試問此為何種濾波器? (A)低通 (B)高通 (C)帶通 (D)帶拒