阿摩線上測驗
登入
首頁
>
計算機概論、大意(資訊科學概論,電腦常識,電子計算機概論)
> 103年 - 103 普通考試_工業行政、電子工程、電信工程:計算機概要#43003
103年 - 103 普通考試_工業行政、電子工程、電信工程:計算機概要#43003
科目:
計算機概論、大意(資訊科學概論,電腦常識,電子計算機概論) |
年份:
103年 |
選擇題數:
40 |
申論題數:
0
試卷資訊
所屬科目:
計算機概論、大意(資訊科學概論,電腦常識,電子計算機概論)
選擇題 (40)
1 下列何者不是關聯式資料庫管理系統(relational database management system)? (A)DB2 (B) Excel (C) MySQL(D)Oracle
2 下列何者不是資料庫使用索引的優點? (A)增加資料檢索的準確度(accuracy) (B)增加資料表與資料表間的合併(join)運算速度 (C)加速在資料表中選出(select)某些符合特定條件的紀錄(record) (D)協助查詢處理(query processing)最佳化
3 32 位元的二補數整數(two’s complement integer)1111 1111 1111 1111 1111 1111 1111 1100 以十進位 數字表示為: (A)4,294,967,292 (B) 4(C)-4,294,967,292 (D)-4
4 將十六進位數 deadbeef 轉成二進位是多少?
(A)11011110101011011011101010101111(B) 11011110101011011011111011101111 (C)10111110111011111101111010101101 (D)101111101110111111011110101011 11
5 程式執行過程中,中央處理器會將程式執行時的狀態條件記錄於下列那一儲存單元(component)內? (A)PSW(program status word) (B)MDR(memory data register) (C)MBR(memory buffer register) (D)Program Counter
6 假設有一個虛構的處理器擁有 8 個暫存器(R),定址空間 1 M 個位址(A),以及提供 32 個不同指 令(OP)如 add, sub,…。若指令格式為:<OP><A><R>
,且指令的長度應與資料字(data word)的 長度儘量一致,則資料暫存器的大小何者最適切? (A)16 bits (B) 24 bits (C)32 bits (D)
64 bits
7 假設有一個AB 正反器(flip-flop),當輸入為00、01、10、11 時,其動作分別是將輸出設為一(set to 1)、 不變(no change)、互補(complement)、清除為零(clear to 0)。則此正反器之特徵方程式(characteristic equation)應為: (A)AQ+BQ (B)AQ′+B′Q′ (C)A′Q+B′Q′ (D)A′Q′+B′Q′
8 以下有關物件導向程式設計的敘述何者錯誤?(A)將抽象資料型態的細節包裝隱藏起來,防止外界存取內部資料(B)物件(object)是設計類別(class)的藍圖(C)可階層式地使用在其他類別(class)中已實作過的方法和資料,不用重複宣告(D)在執行時才動態決定所呼叫方法之實體物件為何,進而共用同一方法介面
9 假設程式(program)會執行檔案存取動作,下列何種硬體(hardware)並非必要使用? (A)處理器(processor) (B)記憶體(memory) (C)交換器(switch) (D)輸入輸出控制器(I/O controllers)
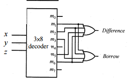
10 設 x 為被減位元,y 為減位元,z 為次一級較低權重借位位元,且 m
i
表布林邏輯中第 i 項之最小項 (minterm),試問下列電路中何者為利用 3 對 8 解碼器(3×8 decoder)的全減器(full subtractor)? (A)
(B)
(C)
(D)
11 假設計算機有 32 KB 的記憶體容量,若第一個記憶體的位址為 0000
16
,則最後一個記憶體的位址為 何? (A)7FFF
16
(B)8000
16
(C)8FFF
16
(D)FFFF
16
12 下列作業系統何者不支援虛擬記憶體? (A)Windows 7(B) Linux (C)Sun Solaris (D)DOS
13 下列何者較能有效降低虛擬記憶體中分頁錯誤(page faults)的頻率? (A)優先執行大量存取檔案的程序(process) (B)增加虛擬記憶體使用硬碟空間的大小 (C)降低虛擬記憶體中分頁的大小(page size) (D)增加程序中資料或程式碼參考的區域性(locality of references)
14 在 C 語言中,以循環陣列(circular array)A 實作佇列(queue),循環陣列大小為 15。若有 10 筆資 料已加入(enqueue)此循環陣列 A[5]到 A[14]中,前頭(front)指標為 5,結尾(rear)指標為 14, 則新加入的資料應存放於那個位置? (A)A[0] (B)A[4] (C) A[14](D)A[15]
15 下列何者的運算過程較可能會用到佇列(queue)的資料結構? (A)函式呼叫(function call)及返回(return) (B)廣度優先搜尋法(breadth-first search) (C)深度優先搜尋法(depth-first search) (D)數學運算式計算,如計算 2+3*(4-5)/6
16 已知一有向圖(directed graph)如下,若自節點(vertex)a 出發進行廣度優先走訪(breadth-first traversal), 則下列何者是可能的走訪順序? (A)abfgcde (B)aegcdbf (C) abcdefg (D)adfgbce
17 若一個完全二元樹(complete binary tree)的最底層有
n
個節點,則此樹最少的總節點數為多少? (A)
n
(B)
n
+1 (C) 2
n
-1 (D) 2
n
18 下圖中,邊上的數字即表示邊的長度。則由節點 b 到節點 e 之最短路徑其長度為何? (A)53 (B)54 (C)55 (D)56
19 如下圖所示之最小堆積(min-heap),若此時插入(insert)關鍵值為 4 的元素,則在插入動作完成 後,其父(parent)節點之關鍵值為何? (A)2(B)3 (C) 5 (D)8
20 以下排序演算法(sorting algorithm)中,何者會產生下述的過程? 未排序的狀態:5, 3, 1, 7, 2 第一次交換後:3, 5, 1, 7, 2 第二次交換後:3, 1, 5, 7, 2 第三次交換後:3, 1, 5, 2, 7 第四次交換後:1, 3, 5, 2, 7 第五次交換後:1, 3, 2, 5, 7 第六次交換後:1, 2, 3, 5, 7 (A)氣泡排序法(bubble sort) (B)合倂排序法(merge sort) (C)快速排序法(quick sort) (D)選擇排序法(selection sort)
21 已知 C 程式如下,下列敘述何者正確?
(A)執行後輸出 11 12 13 21 22 23 (B)執行後輸出 11 21 12 22 13 23 (C)執行後輸出 0 0 0 0 0 0 (D)編譯時出現錯誤訊息
22 使用二元搜尋法(binary search)對排序過的 n=2
k
個(k 為零或正整數)數字陣列(array)做搜尋時, 在最糟的情況(worst case)下,搜尋一個數字所需的比對次數為幾次? (A)1 (B)1 +log
2
n (C)n (D)n
2
23
上述 C 程式碼中,若輸入 100 與 2,則: (A)d=28 (B) d=29 (C) d=30 (D)d=31
24 下列的 Java 語言程式執行後輸出為何?
(A)190(B) 160 (C) 150 (D)140
25 有關下列兩個 C 語言程式片段的敘述,何者正確?
(A)兩個程式片段的所有執行結果皆完全相同 (B)兩個程式片段的控制流程完全相同 (C)若已知執行前 x < y,則兩個程式片段的執行結果完全相同 (D)若已知執行前 x≧y,則兩個程式片段的執行結果完全相同
26 在 Java 語言中,當程式中陣列(array)的索引值(index)是由變數算出,且其結果超過宣告範圍,則下 列敘述何者正確? (A)編譯器(compiler)會產生錯誤(error)訊息,且不會編譯該程式 (B)編譯器會產生警告(warning)訊息,但仍會編譯該程式 (C)編譯器會編譯該程式,但程式執行時會產生例外(exception) (D)編譯器會編譯該程式且程式執行時不會有錯誤訊息,但執行結果可能錯誤
27 有關副程式(subroutine)參數(parameter)的傳遞方式,下列何者正確? (A)以值傳遞(call by value)的值是記憶體的位址值 (B)以址傳遞(call by reference)可以傳遞一個運算式 (C)以名稱傳遞(call by name)和以值傳遞(call by value)兩種方式會得到相同的結果 (D)以值傳遞(call by value)是傳遞參數的值
28 下列的 C++語言程式執行後輸出為何?
(A)2 4 2 4 (B) 2 4 4 2 (C) 4 2 2 4(D)4 2 4 2
29 下列三個有關網路通訊設備與 OSI 網路七層協定的關係之敘述中,請選出所有正確者:①路由器 (router)支援 network layer 的功能 ②第三層交換器(layer-3 switch)支援 transport layer 的功能 ③橋接器(bridge)支援第二層的功能 (A)① (B)②③ (C)①③ (D)①②③
30 以下有關 routing 的敘述何者錯誤? (A)相較於 distance vector routing 演算法,static routing 演算法較不適合用在大型且拓樸(topology)經 常變動的網路 (B)使用 flooding 演算法的缺點是浪費網路頻寬 (C)Distance vector routing 演算法包含兩個階段:在第一階段,router 間會互換訊息以便讓每個 router 都能得知目前網路的拓樸;在第二階段,每個 router 會根據第一階段中得到的拓樸,執行最短路徑 演算法以建立 routing table (D)RIP(routing information protocol)採用 distance vector routing 演算法
31 假設使用 802.11 無線網路傳輸資料的電腦 A,B 與 C,其中 A 與 C 在 B 的無線傳輸範圍內;A 的無線 傳輸範圍內只有 B;C 的無線傳輸範圍內也只有 B。下列敘述何者錯誤? (A)當 C 正在傳送封包給 B 時,由於 A 不在 C 的傳輸範圍內,因此 A 並不曉得 C 正在傳送封包給 B。 若 A 也同時傳送封包給 B,則該封包會和 C 送給 B 的封包發生碰撞。這個問題稱做 exposed terminal problem (B)若採用 CSMA/CA 與 RTS/CTS 技術,則 A 要傳送資料給 B 時,會先傳送 RTS 封包給 B;B 收到 A 的 RTS 封包之後會回傳 CTS 封包給 A;A 在收到 B 的 CTS 封包後開始傳送資料給 B;B 收到資 料後會再回傳 ACK 給 A (C)RTS/CTS 可以用來紓緩 hidden terminal problem 造成的問題 (D)當欲傳輸資料量小於某特定值時,為了不造成過度額外負擔,不會啟動 RTS/CTS 技術
32 下列有關電子郵件存取協定的敘述何者錯誤? (A)採用主從式(client-server)架構 (B)POP(Post Office Protocol)與 IMAP(Internet Message Access Protocol)是常用的郵件存取協定 (C)POP 允許用戶下載信件前查看信件之內容 (D)IMAP 允許用戶在郵件伺服器上建立信箱
33 下列有關檔案傳輸協定(File Transfer Protocol;FTP)的敘述何者錯誤? (A)FTP 採用點對點架構(peer-to-peer architecture) (B)當使用 FTP 傳送一個檔案時,會同時建立兩條連線 (C)FTP 可透過網際網路將一個網路節點中的檔案拷貝至另一個網路節點內 (D)匿名(anonymous)的 FTP 允許任何人存取檔案
34 網路傳輸媒介的分類中,下列何者屬於非導引媒介(unguided media)? (A)雙絞線 (B)光纖 (C)同軸電纜 (D)無線傳輸
35 下列何種方式對偵測變種或新型態攻擊(novel attack)最為有效? (A)特徵比對(signature matching) (B)異常偵測(anomaly detection) (C)字典比對(dictionary matching) (D)共有子序列排比(common subsequence alignment)
36 下列有關 AES(Advanced Encryption Standard)的敘述何者錯誤? (A)AES 採用非對稱式加密演算法 (B)在實際應用上 AES 已取代了 DES(Data Encryption Standard) (C)AES 可以支援 128 位元的資料區塊(data block)的加密 (D)AES 可以支援 128、192 與 256 位元的金鑰長度(key size)
37 下列有關雲端運算(cloud computing)的敘述何者錯誤? (A)是一種新的資通訊技術應用情境 (B)可提供使用者極為大量的運算能力或儲存空間 (C)將會使得城鄉數位落差的問題更加嚴重 (D)能夠有效地減少使用者的設備購置與管理成本
38 阻斷服務(DoS)攻擊和分散式阻斷服務(DDoS)攻擊最大的不同點在於: (A)分散式阻斷服務攻擊比阻斷服務攻擊擁有更多的攻擊次數 (B)分散式阻斷服務攻擊比阻斷服務攻擊由較多電腦主機來發動 (C)分散式阻斷服務攻擊比阻斷服務攻擊的持續時間更長 (D)分散式阻斷服務攻擊比阻斷服務攻擊由更多類型的攻擊來共同完成
39 下列何者不是 Java 程式語言中合法的基本資料型別(primitive data type)? (A) void (B) int (C) short (D) static
40 下列二個位元串 1100 與 1110 做逐位元互斥或(bit-wise XOR)的結果為何? (A)1010 (B)0010 (C)1110 (D)1100
申論題 (0)