阿摩線上測驗
登入
首頁
>
技檢◆數位電子-甲級
> 114年 - 11700 數位電子 甲級 工作項目 06:數位系統設計 1-50(2025/12/12 更新)#134861
114年 - 11700 數位電子 甲級 工作項目 06:數位系統設計 1-50(2025/12/12 更新)#134861
科目:
技檢◆數位電子-甲級 |
年份:
114年 |
選擇題數:
50 |
申論題數:
0
試卷資訊
所屬科目:
技檢◆數位電子-甲級
選擇題 (50)
1. 二進制的 1.011 等於十進制的 (A)1.325 (B)1.175 (C)1.125 (D)1.375 。
2. 布林代數(A+B)(A+C)的最簡式為 (A)A+B (B)A+BC (C)B+AC (D)A(B+C) 。
3. TTL 7404 元件的輸入端接 1.6V 的電壓,則輸出為 (A)高態 (B)低態 (C)無法確定 (D)高阻抗態 。
4. 公司員工總共 600 人,每人都有二進位碼代號,此代碼至少應有多少位元? (A)8 個 (B)9 個 (C)10 個 (D)11 個 。
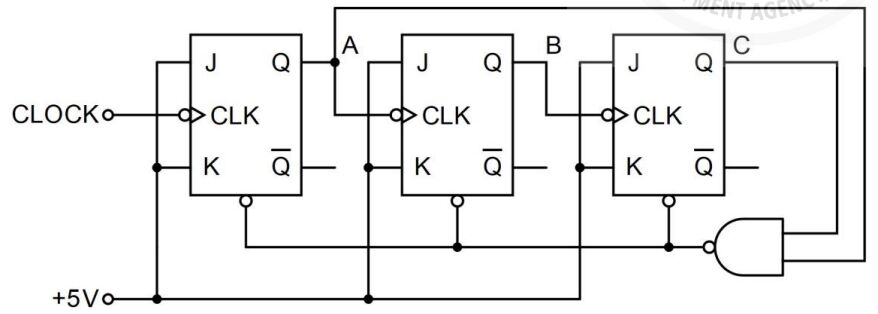
5. 利用 4 個 D 型正反器組成的強生(Johnson)計數器,可產生幾種不同的輸出? (A)4 種 (B)8 種 (C)16 種 (D)32 種 。
6. 共陽極七段顯示器的 b、c 腳接高電位,其餘接腳接低電位,共同端接高電位,則顯示器將會顯示 (A)1 (B)2 (C)A (D)E 。
7. 編號 41256 的 DRAM 位址線應為多少條? (A)8 條 (B)9 條 (C)18 條 (D)19條 。
8. 八位元微算機系統中,記憶體編碼的位址範圍是 OOOOH~BFFFH,其容量應為_________ 位元組。(A)8K (B)16K (C)32K (D)48K
9. 下圖中,CBA 是輸出,則此電路是_________ 的非同步計數器。
(A)除以 8 (B)除以 7 (C)除以 6 (D)除以 5
10. 十進制 48 的 BCD 碼為 (A)00110000 (B)01001000 (C)00101000 (D)01011000 。
11. 格雷碼 101101 轉換成二進制碼為 (A)110011 (B)110110 (C)101011 (D)100101 。
12. 只用 AND 閘、OR 閘及 NOT 閘來完成半加器(half adder),最少需幾個閘? (A)5 個 (B)6 個 (C)7 個 (D)8 個 。
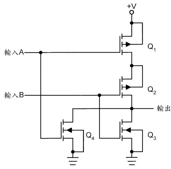
13. 八進制的 103.2 轉換成十六進制為 (A)206.2 (B)043.2 (C)066.2 (D)013.2 。
14. 利用 4 個 JK 正反器組成的漣波(Ripple)計數器,若每正反器的傳遞延遲時間是 50nS,則可加入的最高時脈頻率為 (A)125KHz (B)250KHz (C)5MHz (D)12.5MHz 。
15. 開集極(Open Collector)TTL (A)輸出端要接電阻到電源最低電壓 (B)輸入端要接電阻到電源最高電壓 (C)輸出端要接電阻到電源最高電壓 (D)輸入端要接電阻到電源最低電壓 。
16. 可程式邏輯元件(PLD)中,若 AND 閘陣列是可規劃的(programmable),而 OR 閘陣列是固定的,則為何種元件? (A)PAL (B)FPLA (C)MUX (D)PROM 。
17. 下圖的 TTL 計數器 CLOCK 為 3KHz 的有效觸發信號,則其 OUT 端的頻率為
(A)2.5KHz (B)1.5KHz (C)1KHz (D)0.5KHz 。
18. 十進位數字 57 的二進制“2 的補數”是 (A)11000111 (B)10000111 (C)11000110 (D)10100101 。
19. 十六進制的 2A6 轉換成十進制為 (A)678 (B)658 (C)656 (D)676 。
20. 基本邏輯閘中,何種閘具有“所有輸入都是 0 時,輸出才為 1”的特性?(A)NOR 閘 (B)OR 閘 (C)AND 閘 (D)NAND 閘 。
21. JK 正反器的輸入 J=1、K=0,當時脈信號進入產生有效觸發後,輸出 Q 為(A)0 (B)1 (C)不變 (D)恆變 。
22. 74L138 中的 L 表示 (A)低雜訊 (B)低阻抗 (C)低密度 (D)低功率 。
23. DRAM 的正常讀取週期中,CAS 與 RAS 的時序關係是 (A)CAS 與 RAS 同時動作 (B)CAS 先於 RAS (C)RAS 先於 CAS (D)只有 CAS 動作 RAS 不動作 。
24. 下圖中是消除關關彈跳(debounce)電路,R1 與 R2 的關係是
(A)R1 大於R2 (B)R1 小於 R2 (C)R1 等於 R2 (D)R1 與 R2 無關 。
25. 下列何者為 f=A'B'C'D'+A'BC'D'+A'BCD'之化簡的結果? (A)A'C' (B)A'D (C)A'D' (D)A'CD+A'C'D' 。
26. 下圖之 CD4510 BCD 計數器,下列敘述何者錯誤?
(A)U/D'是往上或往下計數的控制腳 (B)PE(preset enable)主要作用是將 Q 輸出清除為零 (C)CLK 是前緣動作 (D)CI 在低電位時才能計數 。
27. 下圖所示,開路集極的 TTL 閘與 CMOS 閘交連,當提升電阻為 6.8K 時,TTL 元件的吸收電流(Isink)能力應大於下列何值?
(A)1.76mA (B)0.76mA (C)0.35mA (D)0.12mA 。
28. 下圖之 XOR 閘,其輸入端 A、B、C 與輸出 Y 的關係,下列何者正確?
(A)ABC=100,Y=0 (B)ABC=101,Y=1 (C)ABC=110,Y=1 (D)ABC=111,Y=1 。
29. 下圖為利用 SN7490 做除以 7 的電路,若信號從 INPUTA 加入,下列敘述何者正確?
(A)Q
B
接 R9(1),Q
C
接 R9(2) (B)Q
D
接 R9(1),Q
A
接 R9(2) (C)Q
C
接 R9(1),Q
A
接 R9(2) (D)Q
D
接 R9(1),Q
B
接 R9(2) 。
30. 一組合邏輯輸入端為 x 和 y,輸出端為 C 和 S,其真值表如下所示,則此電路應為何?
(A)正反器 (B)計數器 (C)半加器 (D)全加器 。
31. 下列何者不屬算術邏輯單元(ALU)所執行的功能? (A)向左或向右位移(B)從輸出、入埠存取資料 (C)位元補數 (D)做增 1 或減 1 操作 。
32. 下圖所示,輸出為何種邏輯閘?
(A)AND (B)OR (C)NOR (D)NAND 。
33. 數據通訊系統中,傳輸網路兩端之節點可以在同一時間互相傳輸及接受資料的方式稱為 (A)單工式 (B)全雙工式 (C)倍雙工式 (D)半雙工式 。
34. 可做雙向資料傳輸,但無法同時雙向傳輸的資料通訊方式是 (A)單工式 (B)全雙工式 (C)倍雙工式 (D)半雙工式 。
35. 以 9600bps 來傳送檔案資料,而傳送一個位元組另需一個起始位元與一個停止位元,當傳送 10K 位元組的檔案約需多少秒? (A)1.33 秒 (B)10.67 秒(C)13.3 秒 (D)16.67 秒 。
36. 利用平行處理方法處理下列兩列指令,則會產生何種 Hazard?
R3←R1+R2
R5←R3+R4 (A)data (B)control (C)I/O (D)address 。
37. 假設某一 TTL 邏輯族之 V
1H
(min)=2.25V,V
1L
(max)=0.65V,V
0H
(min)=2.4V,V
0L
(max)=0.4V,則其高低態雜訊邊限(noise margin)值各為 (A)V
NH
=0.25V,V
NL
=0.15V (B)V
NH
=0.15V,V
NL
=0.25V (C)V
NH
=0.2V,V
NL
=1.6V (D)V
NH
=1.6V,V
NL
=2V 。
38. 一個 8 位元類比數位轉換器,其輸出電壓範圍是 0V~10V,若數位碼由15H 變化至 25H,則輸出電壓增加為 (A)0.392V (B)0.627V (C)0.784V (D)1.25V 。
39. 當一個標準 TTL 閘驅動 7 個標準 TTL 閘時,它最多會匯入多少電流? (A)280μA (B)400μA (C)1.6mA (D)11.2mA 。
40. 某一開集極 TTL 閘被用來驅動一個 LED,若 LED 的額定電流為 10mA,VCC 電源電壓 5V,LED 順向偏壓 1.5V,TTL 閘的低態輸出電壓為0.2V,則應選擇多少歐姆之限流電阻? (A)165Ω (B)220Ω (C)330Ω (D)470Ω 。
41. 一個 12 位元的數位類比轉換器(DAC)中,其解析度為何? (A)0.0122%(B)0.0244% (C)0.1024% (D)0.4095% 。
42. 下列何種類比數位轉換器(ADC),具有最快的轉換速度? (A)同時式(simultaneous-conversion) (B)單斜率式(single-ramp) (C)雙斜率式(dual-slope) (D)逐次漸近式(successive-approximation) 。
43. 串接三個 7493 IC 的 Binary 計數器,當輸入 CK 為 2
20
Hz,則其 LSB 位元端的頻率為 (A)1024Hz (B)512Hz (C)256Hz (D)128Hz 。
44. 傳統的 10 位元快閃式類比至數位轉換器(Flash ADC),其所需並行比較器的個數為 (A)127 個 (B)511 個 (C)1023 個 (D)2047 個 。
45. 一個二輸入的 NOR 閘,如果以數個二輸入的 NAND 閘來替代其等效布林代數功能,則至少要幾個? (A)3 (B)4 (C)5 (D)6 。
46. Intel 80×86 微處理機中,CS 暫存器為 A034H,IP 為 0FF2H,則執行下一個指令的實際位元址為 (A)0B026H (B)19F54H (C)A1332H (D)A0FF3H 。
47. 於 CMOS 邏輯族中,一個多輸入 NAND 未使用的輸入端應如何處置,以避免產生誤動作? (A)接至 Vss (B)接至 Vdd/3 (C)空接 (D)接至已使用的輸入端 。
48. CMOS 邏輯的族系中的消耗功率為 (A)隨著頻率升高而增加 (B)隨著負載電容的平方而增加 (C)隨著電源下降而增加 (D)隨著負載電容下降而增加 。
49. 標準 TTL 數位電路的輸入高電位(H)與低電位(L)的範圍為 (A)0.8V以下為 L、3.5V 以上為 H (B)1.5V 以下為 L、2.5V 以上為 H (C)0.8V 以下為 L、2.0V 以上為 H (D)2.5V 以下為 L、3.0V 以上為 H 。
50. VHDL 語言中,在 PACKAGE 中宣告的 SIGNAL 之信號為 global signal,ENTITY 需要使用 PACKAGE 中宣告的 SIGNAL 前,則須聲明何種字句? (A)PORT (B)TYPE (C)RECORD (D)USE 。
申論題 (0)
相關試卷
114年 - 11700 數位電子 甲級 工作項目 10:嵌入式系統 1-57(2025/12/12 更新)#134868
114年 · #134868
114年 - 11700 數位電子 甲級 工作項目 09:網路技術與應用 51-72(2025/12/12 更新)#134867
114年 · #134867
114年 - 11700 數位電子 甲級 工作項目 09:網路技術與應用 1-50(2025/12/12 更新)#134866
114年 · #134866
114年 - 11700 數位電子 甲級 工作項目 08:程式語言 51-89(2025/12/12 更新)#134865
114年 · #134865
114年 - 11700 數位電子 甲級 工作項目 08:程式語言 1-50(2025/12/12 更新)#134864
114年 · #134864
114年 - 11700 數位電子 甲級 工作項目 07:電腦與周邊設備 1-48(2025/12/12 更新)#134863
114年 · #134863
114年 - 11700 數位電子 甲級 工作項目 06:數位系統設計 51-103(2025/12/12 更新)#134862
114年 · #134862
114年 - 11700 數位電子 甲級 工作項目 05:電子學與電子電路 101-145(2025/12/12 更新)#134860
114年 · #134860
114年 - 11700 數位電子 甲級 工作項目 05:電子學與電子電路 51-100(2025/12/12 更新)#134859
114年 · #134859
114年 - 11700 數位電子 甲級 工作項目 05:電子學與電子電路 1-50(2025/12/12 更新)#134858
114年 · #134858