所屬科目:統測◆(一)電子學、基本電學
1. 有關原子結構,下列敘述何者正確? (A)一個原子中的電子數目為質子數目與中子數目之和 (B)原子最外層軌道上的電子稱為價電子 (C)失去電子的原子稱為負離子 (D)原子核中有質子故原子呈正電性
2. 某金屬導體的電阻值與溫度為線性關係,且在溫度16℃時電阻值為10歐姆,而在66℃時電阻值為12歐姆,此導體在20℃時之電阻溫度係數約為何? (A)0.00134 ℃⁻¹ (B)0.00252 ℃⁻¹ (C)0.00393 ℃⁻¹ (D)0.00512 ℃⁻¹
3. 如圖(一)所示電路,電流I為何? (A)1 A (B)2 A (C)3 A (D)4 A
4. 如圖(二)所示電路,電壓V1為何? (A)12 V (B)16 V (C)20 V (D)24 V
5. 如圖(三)所示電路,電流I為何? (A)-1 A (B)0 A (C)1 A (D)2 A
6. 如圖(四)所示電路,電流I為何? (A)2 A (B)1 A (C)0 A (D)-2 A
10. 如圖(六)所示電路,當開關S閉合20 ms後,流經2 Ω電阻之電流I約為何? (A)1 A (B)2 A (C)3 A (D)4 A
12. 如圖(七)所示週期電壓v(t),其電壓平均值為何? (A)(B)(C) (D)
13. 如圖(八)所示RLC串並聯電路,若 vs(t)=10sin(100t)V,則a、b兩端的總阻抗為何?(A) 5+j 5Ω(B) 5–j 5Ω (C) 10+j 10Ω (D) 10 –j 10Ω
14. 如圖(九)所示RLC負載電路,若vs(t)=110sin(377t) V,則負載的平均功率P及其功率因數PF分別為何? (A)P=2904 W、PF=0.6超前 (B)P=2904 W、PF=0.6落後 (C)P=1452 W、PF=0.6超前 (D)P=1452 W、PF=0.6落後
15. 當電路諧振時,諧振頻率 f0及品質因數Q分別約為何? (A)f0=15.9Hz、Q=10 (B)f0=15.9Hz、Q=1 (C)f0=100Hz、Q=10 (D)f0=100Hz、Q=1
16. 當電路諧振時,電源電流is(t) 之有效值為何? (A)1 A (B)2 A (C)3 A (D)4 A
17. 如圖(十一)所示單相三線式供電系統,電源 van(t)=vnb(t)=110sin(377t)V,經三條線路供電至負載,若負載 ZL=7+j5Ω,則三條線路之總損失為何? (A)121 W (B)242 W (C)363 W (D)484 W
18. 如圖(十二)所示三相平衡系統,負載端電壓有效值為300 V,若Δ接負載總消耗功率為3600 W,功率因數為0.8落後,則阻抗Zp 為何?(A) 36+j 48Ω(B) 36–j 48Ω(C) 48+j 36Ω(D) 48 –j 36Ω
19. 有關心跳停止傷者的急救方式,下列敘述何者正確? (A)以酒精擦拭額頭 (B)口對口吹氣 (C)待家屬來處理 (D)立刻施行心肺復甦術
20. 兩相同之五環色碼電阻,若並聯後總電阻值為110歐姆,則每個電阻之色環由第一環至第五環依序可能為何? (A)紅紅黑黑紫 (B)棕棕黑紅紫 (C)紅黑黑紅紫 (D)棕棕黑黑紫
21. 如圖(十三)所示電路,電流I為何? (A)0 A (B)3 A (C)6 A (D)9 A
22.RL獲得最大功率時,RL應為何? (A)15 Ω (B)30 Ω (C)40 Ω (D)50 Ω
23. 負載RL可獲得之最大功率約為何? (A)95.2 W (B)180.6 W (C)220.3 W (D)280.5 W
24. 如圖(十五)所示RLC電路,以交流電流表A1 及 A2 測量各分路電流,若電源電壓有效值為120 V,則A1及A2之讀值分別為何? (A)A1為8 A、A2)為6 A (B)A1為10 A、A2為4 A (C)A1為8 A、A2為4 A (D)A1為10 A、A2為6 A
25. 如圖(十六)所示電鍋電路示意圖,主要元件有煮飯加熱片、保溫片、彈跳開關及溫度保險絲,其中①、②、③、④表示元件編號,下列組合何者正確? (A)①為煮飯加熱片、②為保溫片、③為彈跳開關、④為溫度保險絲 (B)①為保溫片、②為彈跳開關、③為溫度保險絲、④為煮飯加熱片 (C)①為溫度保險絲、②為煮飯加熱片、③為彈跳開關、④為保溫片 (D)①為彈跳開關、②為溫度保險絲、③為保溫片、④為煮飯加熱片
26. 信號 v(t)=4+3cos(377t+)V,其波形因數為何? (A)1.25 (B)1.11 (C)0.82 (D)0.71
27. 理想二極體單相整流電路,負載為純電阻,若輸入電源\( v(t)=110\sin(377t) \)V,則下列敘述何者正確? (A)全波整流電路,輸出電壓平均值為 (B)半波整流電路,輸出電壓平均值為 (C)全波整流電路,輸出電壓波形頻率為120 Hz (D)半波整流電路,輸出電壓波形頻率為120 Hz
28. 如圖(十七)所示電路,\RB=690kΩ、RC=5kΩ、RE=0.75kΩ,若雙極性接面電晶體(BJT)之β=99、VEB=0.7V,則VC為何? (A)-6.1 V (B)-5.1 V (C)4.2 V (D)8.1 V
29. 此放大電路之基極交流等效電阻rπ為何? (A)0.86 kΩ (B)1.04 kΩ (C)1.22 kΩ (D)1.35 kΩ
30. 此放大電路之交流等效電路如圖(十九)所示,若選擇 vi及vo為節點電壓,則vo及vi關係式為何? (A)(B)(C)(D)
31. 多級信號放大電路之增益常以dB值表示,下列有關dB值之敘述何者正確? (A)dB值>0,表示輸出波形與輸入波形同相 (B)dB值<0,表示輸出波形與輸入波形反相 (C)dB值=0,表示輸出波形振幅為零 (D)dB值<0,表示輸出波形振幅小於輸入波形振幅
32. 有關增強型MOSFET與空乏型MOSFET工作原理,下列敘述何者正確? (A)增強型MOSFET有預置通道,閘源極電壓VGS等於零時就有汲極電流 (B)增強型MOSFET之閘源極須加大於臨界電壓值之順向偏壓才可產生通道 (C)空乏型MOSFET之閘源極不加偏壓時無法產生通道 (D)空乏型N通道MOSFET之閘源極電壓VGS須大於零,才可由VGS控制汲極電流
33. 如圖(二十)所示放大電路,MOSFET之夾止(pinch-off)電壓 Vp=-4V、IDSS=10mA,VGG=2V,則此電路之電壓增益vo/vi 為何? (A)7.5 (B)2.5 (C)-2.5 (D)-7.5
34. 如圖(二十一)所示放大電路,若MOSFET操作於飽和區,則此放大電路之輸入阻抗Ri 為何? (A)360 kΩ (B)240 kΩ (C)120 kΩ (D)80 kΩ
35. MOSFET之gm為何? (A)1 mA/V (B)1.8 mA/V (C)2.2 mA/V (D)2.5 mA/V
36. 若閘極偏壓電路之RG2選用100 kΩ,則RG1約為何? (A)95.82 kΩ (B)120.25 kΩ (C)155.32 kΩ (D)183.52 kΩ
37. 如圖(二十三)所示串級放大電路,MOSFET Q1之參數K1=0.5mA/V²、臨界電壓Vt1=2V,Q2之參數K2=4 mA/V²、臨界電壓Vt2=1 V,若兩電晶體皆操作於飽和區且 Q1工作點之汲極電流ID1=2 mA、 Q2 工作點之汲極電流ID2=4 mA,則放大電路之電壓增益 vo/vi為何? (A)6.6 (B)8.0 (C)14.6 (D)52.8
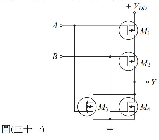
38. 如圖(二十四)所示CMOS數位電路,其輸出Y的布林代數式為何? (A) (B) (C)(D)
39. 電路的遲滯電壓 VH 為何? (A)7.5 V (B)10 V (C)15 V (D)30 V
40. 輸出vo(t) 之波形及頻率約為何? (A)弦波、100 Hz (B)弦波、50 Hz (C)方波、100 Hz (D)方波、50 Hz
41. 某運算放大器,若其差模增益 Ad=2✖104,共模增益 Ac=20,則其共模拒斥比(CMRR)值為何? (A)20 dB (B)40 dB (C)60 dB (D)80 dB
42. 使用示波器測量信號時,若輸入耦合設定於DC檔位,則下列敘述何者正確? (A)只能測量直流信號 (B)只能測量交流信號 (C)探棒與電路串聯能測量電流信號 (D)能測量含直流與交流的完整信號
43. 學生進行二個BJT放大電路實驗,示波器輸入耦合設定於AC檔位、波形反相(INV)功能為關閉(OFF)且適當地設定測試棒衰減比,若測得輸入 vi(t) 與輸出vo(t) 信號如圖(二十六)(a)及(b)所示,則下列敘述何者正確? (A)(a)為共集極、(b)為共射極實驗波形 (B)(a)為共基極、(b)為共集極實驗波形 (C)(a)為共射極、(b)為共基極實驗波形 (D)(a)為共基極、(b)為共射極實驗波形
44. 如圖(二十七)所示電路,稽納二極體(Zener diode)最大額定功率為60 mW、崩潰膝點電流IZK=0.5mA,且崩潰電壓VZ=6 \)V。忽略稽納電阻,在正常穩壓狀態下維持 Vo=6V,若負載功率PL=60 mW,則限流電阻RS最小值為何? (A)450 Ω (B)500 Ω (C)650 Ω (D)700 Ω
45. 如圖(二十八)所示音訊放大電路,若調整電阻R,測得VAB=2.5V及 VC=6V,則電晶體β值為何? (A)125 (B)110 (C)99 (D)80
46. 如圖(二十九)(a)所示之2N7000 MOSFET放大實驗電路,F.G.為信號產生器。已調整\( R_{G1} \)使電路之直流操作點\( V_D=6 \)V。以示波器之CH1與CH2分別測量\( v_i \)、\( v_o \)波形。示波器CH1、CH2之輸入耦合皆設定於DC檔位、波形反向(INV)功能皆為關閉(OFF),且水平與垂直檔位均設置於適當檔位。若CH1測得波形如圖(二十九)(b)所示,則CH2所測得波形可能為何? (A)( A )圖所示波形 (B)( B )圖所示波形 (C)( C )圖所示波形 (D)( D )圖所示波形
47. 如圖(三十)所示理想運算放大器電路,若輸出Vo 為8 V,則為何? (A)4 (B)3 (C)2 (D)1
48. 如圖(三十一)所示CMOS數位邏輯電路,若邏輯1為高準位( +VDD),邏輯0為低準位(0 V),當輸入A、B皆為邏輯1時,則有關各電晶體工作狀態,下列敘述何者正確? (A) M1、M2 為截止狀態, M3、 M4 為導通狀態 (B)M1、M2為導通狀態,M3、 M4為截止狀態 (C) M1、M4 為導通狀態,M2 、M3為截止狀態 (D)M1、M4為截止狀態,M2 、M3為導通狀態
49. 如圖(三十二)所示理想運算放大器振盪電路,\( R_i=2 \)kΩ、\( R_1=R_2=5 \)kΩ、\( C_1=C_2=0.02 \)μF,若輸出\( v_o \)為穩定振盪弦波,則電阻\( R_f \)及振盪頻率\( f_0 \)之理論值分別約為何? (A)\( R_f=1 \)kΩ、\( f_0=15.9 \)Hz (B)\( R_f=1 \)kΩ、\( f_0=1.59 \)kHz (C)\( R_f=4 \)kΩ、\( f_0=15.9 \)Hz (D)\( R_f=4 \)kΩ、\( f_0=1.59 \)kHz
50. 如圖(三十三)所示電路,下列敘述何者正確? (A)此電路為帶拒濾波器,其低頻截止頻率\( f_L=\frac{1}{2\pi R_2 C_2} \) (B)此電路為帶拒濾波器,其低頻截止頻率\( f_L=\frac{1}{2\pi R_1 C_1} \) (C)此電路為帶通濾波器,其高頻截止頻率\( f_H=\frac{1}{2\pi R_2 C_2} \) (D)此電路為帶通濾波器,其高頻截止頻率\( f_H=\frac{1}{2\pi R_1 C_1} \)