阿摩線上測驗
登入
首頁
>
工程力學(含靜力學、動力學與材料力學)
> 97年 - 97 國軍上校以上軍官轉任公務人員考試_上校轉任_土木工程:工程力學#37884
97年 - 97 國軍上校以上軍官轉任公務人員考試_上校轉任_土木工程:工程力學#37884
科目:
工程力學(含靜力學、動力學與材料力學) |
年份:
97年 |
選擇題數:
0 |
申論題數:
6
試卷資訊
所屬科目:
工程力學(含靜力學、動力學與材料力學)
選擇題 (0)
申論題 (6)
⑴樑中此 T 型斷面最大的張應力與最大壓應力。
⑵樑腹的最大剪應力。
【已刪除】二、如圖二所示之懸臂樑 AB 於端點 B 承受一荷重 P,今欲以一短樑 AC(長
)加強以 降低樑 AB 的撓度。設此二樑的彎曲剛度均為 EI,求 AB 樑經強化後之最大撓度。 (30 分)
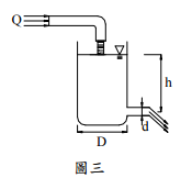
【已刪除】三、如圖三所示,直徑 D =1.2 m 的水桶壁面有一直徑 d = 0.15 m 的圓孔,水經由此圓孔穩 定的排放。試求流入水桶內的流率為多少時可以保持水位不變,h = 2.4 m。(20 分)
⑴木箱剛衝擊到緩衝器 B 時的速度。
⑵緩衝器彈簧的最大撓度。
相關試卷
114年 - 114 專技高考_機械工程技師:工程力學(包括靜力學、動力學與材料力學)#133710
114年 · #133710
114年 - 114 公務升官等考試_薦任_機械工程:工程力學(包括靜力學、動力學與材料力學)#133242
114年 · #133242
114年 - 114 專技高考_專利師(選試專業英文及工程力學)、專利師(選試專業日文及工程力學):工程力學#130105
114年 · #130105
114年 - 114 關務特種考試_三等_機械工程(選試英文):工程力學(包括靜力學、動力學與材料力學)#126623
114年 · #126623
113年 - 113 臺灣菸酒股份有限公司_從業評價職位人員試題_鍋爐:工程力學#132351
113年 · #132351
113年 - 113 專技高考_機械工程技師:工程力學(包括靜力學、動力學與材料力學)#123897
113年 · #123897
113年 - 113 專技高考_造船工程技師:工程力學(包括靜力學、動力學與材料力學)#123895
113年 · #123895
113年 - 113 專技高考_專利師(選試專業英文及工程力學)、專利師(選試專業日文及工程力學):工程力學#122211
113年 · #122211
113年 - 113 關務特種考試_三等_機械工程(選試英文):工程力學(包括靜力學、動力學與材料力學)#119496
113年 · #119496
113年 - 113 臺灣港務股份有限公司_新進從業人員甄試_師級_機械:工程力學(包括靜力電、動力學與材料力學)#118827
113年 · #118827