阿摩線上測驗
登入
首頁
>
鋼筋混凝土學與設計
>
96年 - 96 高等考試_三級_土木工程:鋼筋混凝土學與設計#37454
> 申論題
題組內容
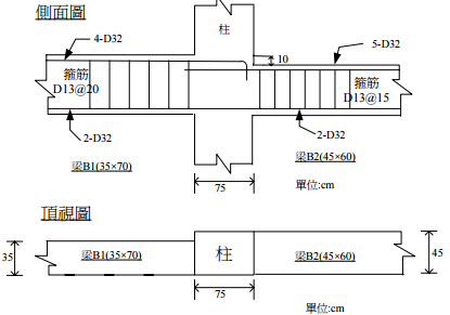
一、建築物某一層樓之樓板面有高低差,初步設計後其梁鋼筋初步配置如圖所示,請檢核:
⑵請檢討本案施工時梁鋼筋所需要之端點錨錠長度(包含直線段及彎鉤段),並重繪 上述之梁柱側面圖,詳細註明施工時應該要注意的錨錠長度位置及尺寸。(18 分)
相關申論題
⑴依照規範第十五章「耐震設計之特別規定」檢討梁端部下層筋之鋼筋量及閉合箍 筋配置,梁 B1 及 B2 之鋼筋配置是否需要修正?若需要,該如何配置?(7 分)
#107120
⑴此梁中央所需之設計彎矩強度(design flexural strength)及計算彎矩強度(nominal flexural strength)值?(12 分)
#107122
⑵此梁可否視為規範所定義的「單獨 T 型梁」?請說明理由。若有效深度 53.5 cm, 則此梁中央拉力側鋼筋所需要的鋼筋量為何?(13 分)
#107123
⑴此時此柱所能承受之計算軸力(nominal axial force)Pn 及所對應的計算彎矩強度 (nominal flexural strength)Mn值為何?(18 分)
#107124
⑵此柱在此時所對應的強度折減係數φ 值為何?(7 分)
#107125
四、一鋼筋混凝土單筋矩形梁斷面尺寸如圖所示,As=15.16cm2,f′C =280kgf/cm2,fy=4200kgf/cm2,試求設計彎矩強度ΦMn 。(25分)
#562156
三、圖示單筋矩形斷面梁f′C =350 kgf/cm2,fy=4200 kgf/cm2,試求平衡鋼筋量Asb並決定當As=20cm2及60cm2時,斷面之破壞模式。(25分)
#562155
(2)受拉鋼筋中標準彎鉤錨定之尺度與彎曲半徑之規定中,90°、180°彎轉後,有哪些規定?(14分)
#562154
(1)受拉鋼筋中標準彎鉤錨定之尺度與彎曲半徑之規定中,鋼筋端部設置特別之錨定機制為何?(11分)
#562153
一、試說明鋼筋與混凝土合併使用之理由有哪些?(25分)
#562152
相關試卷
114年 - 114 地方政府公務、離島地區公務特種考試_三等_土木工程:鋼筋混凝土學與設計#134753
114年 · #134753
114年 - 114 高等考試_三級_土木工程:鋼筋混凝土學與設計#128726
114年 · #128726
113年 - 113-2 國營臺灣鐵路股份有限公司_從業人員甄試試題_第9階-技術員-土木工程:鋼筋混凝土學與設計概要#137156
113年 · #137156
113年 - 113 國營臺灣鐵路股份有限公司_從業人員甄試_第8階-助理工程師-土木工程:鋼筋混凝土學與設計#137104
113年 · #137104
113年 - 113-2 國營臺灣鐵路股份有限公司_從業人員甄試_第8階-助理工程師-土木工程:鋼筋混凝土學與設計#137090
113年 · #137090
113年 - 113-2 國營臺灣鐵路股份有限公司_從業人員甄試_第 9 階-技術員-土木工程:鋼筋混凝土學與設計概要#135450
113年 · #135450
113年 - 113 地方政府公務、離島地區公務特種考試_三等_土木工程:鋼筋混凝土學與設計#124342
113年 · #124342
113年 - 113 高等考試_三級_土木工程:鋼筋混凝土學與設計#121483
113年 · #121483
113年 - 113 國營臺灣鐵路股份有限公司_從業人員甄試_第 9 階-技術員-土木工程:鋼筋混凝土學與設計概要#119089
113年 · #119089
112年 - 112 地方政府特種考試_三等_土木工程:鋼筋混凝土學與設計#118382
112年 · #118382