阿摩線上測驗
登入
首頁
>
公職◆渠道水力學
>
107年 - 107 高等考試_二級_水利工程:渠道水力學#72409
> 申論題
題組內容
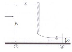
二、有一水平矩形渠道,渠寬 B =2 m,設有閘門,如下圖所示,渠流自閘門 底部射流而出,已知閘門上游水深 y
1
= 1.0 m、閘門下游水深 y
2
= 0.2 m, 試回答下列問題:
⑶當不計渠流能量損失時,試推估渠流作用在閘門的水平推力為多少? (10 分)
相關申論題
⑴渠流的正常水深 y0(Normal depth)及臨界水深 yc(Critical depth)各為多少?(7 分)
#294684
⑵渠流的水力半徑 R(Hydraulic radius)及水力深度 D(Hydraulic depth) 各為多少?(8 分)
#294685
⑶渠流作用在渠床的平均剪應力 τ0及剪力速度(Shear velocity)u*各為 多少?(10 分)
#294686
⑴當不計渠流能量損失時,試推估此渠流的流量為多少?(7 分)
#294687
⑵假如渠流流經閘門的能量損失 EL = 0.1y1,試推估此渠流的流量為多 少?(8 分)
#294688
⑴水躍前的福祿數 Fr1及流速 V1分別為多少?(7 分)
#294690
⑵水躍後的福祿數 Fr2及流速 V2分別為多少?(8 分)
#294691
⑶渠流流量 Q 及水躍能量損失 EL分別為多少?(10 分)
#294692
⑴試使用變數 Q 及 A 及相關參數,寫出適用於一維渠流分析的聖維南方 程式(Saint Venant equations)的連續方程式,並說明方程式中各項之 意義。(7 分)
#294693
⑵試使用變數 Q 及 A 及相關參數,寫出適用於一維渠流分析的聖維南方 程式(Saint Venant equations)的運動方程式,並說明方程式中各項之 意義。(8 分)
#294694
相關試卷
114年 - 114 地方政府公務特種考試_三等_水利工程:渠道水力學#134750
114年 · #134750
114年 - 114 專技高考_水利工程技師:渠道水力學#133580
114年 · #133580
114年 - 114 高等考試_二級_水利工程:渠道水力學#131584
114年 · #131584
114年 - 114 高等考試_三級_水利工程:渠道水力學#128731
114年 · #128731
113年 - 113 地方政府公務特種考試_三等_水利工程:渠道水力學#124529
113年 · #124529
113年 - 113 專技高考_水利工程技師:渠道水力學#123919
113年 · #123919
113年 - 113 高等考試_二級_水利工程:渠道水力學#123047
113年 · #123047
113年 - 113 高等考試_三級_水利工程:渠道水力學#121492
113年 · #121492
112年 - 112 地方政府特種考試_三等_水利工程:渠道水力學#118350
112年 · #118350
112年 - 112 專技高考_水利工程技師:渠道水力學#117621
112年 · #117621