阿摩線上測驗
登入
首頁
>
電路學
>
96年 - 96 關務特種考試_三等_電機工程:電子學與電路學#37346
> 申論題
申論題
試卷:96年 - 96 關務特種考試_三等_電機工程:電子學與電路學#37346
科目:電路學
年份:96年
排序:0
申論題資訊
試卷:
96年 - 96 關務特種考試_三等_電機工程:電子學與電路學#37346
科目:
電路學
年份:
96年
排序:
0
題組內容
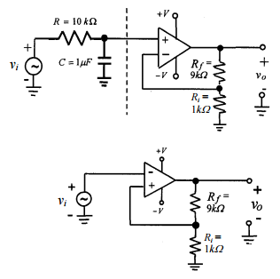
六、
申論題內容
⑷將上示電路中運算放大器之兩端對調成為 下示電路,簡要推導此電路輸出與輸入電 壓間之轉移關係,並指出此電路之名稱。 (20 分)