阿摩線上測驗
登入
首頁
>
A.電子概論、B.機械常識
>
112年 - [無官方正解]112 台灣糖業股份有限公司_新進工員甄試_儀電:A.電子概論#137702
> 申論題
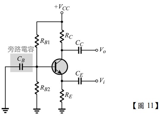
二、如【圖11】所示,分壓式偏壓共基極放大器之
= 10V,
= 40kΩ,
= 10kΩ,
= 1kΩ,
= 3kΩ,α ≈ 1,試計算輸出直流工作點 Q 點
。
相關申論題
(1)此顆電晶體為NPN型或PNP型?
#564088
(2)基極(Base,B)為哪一支接腳?
#564089
(3)集極(Collector,C)為哪一支接腳?
#564090
(4)射極(Emitter,E)為哪一支接腳?
#564091
相關試卷
112年 - [無官方正解]112 台灣糖業股份有限公司_新進工員甄試_儀電:A.電子概論#137702
112年 · #137702
105年 - 中油僱員招考 A.電子概論、B.機械常識#73075
105年 · #73075
103年 - 中油雇員招考 A.電子概論、B.機械常識#28467
103年 · #28467