阿摩線上測驗
登入
首頁
>
技師◆冷凍工程與設計
>
104年 - 104 專技高考_冷凍空調工程技師:冷凍工程與設計#41536
> 申論題
題組內容
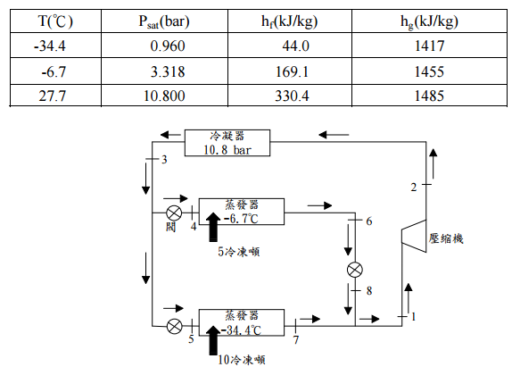
三、有一以 R717(NH
3
, Ammonia)為冷媒之雙蒸發器單壓縮機之冷凍循環系統,如下 圖所示。其中高溫蒸發器之溫度為-6.7℃,冷凍能力為 5 冷凍噸(1 噸冷凍能力 = 3.52 kW);低溫蒸發器之溫度為-34.4℃,冷凍能力為 10 冷凍噸;冷凝器之壓力 為 10.8 bar,且冷媒在蒸發器及冷凝器之出口均為飽和狀態,試求:
⑴冷媒分別在高溫(位置 4)及低溫(位置 5)蒸發器之質量流率(kg/s)?(10 分)
相關申論題
⑴繪出本循環之壓力-焓(p-h)圖。(5 分)
#129157
⑵單位質量冷媒之冷凍能力(specific refrigeration effect)(kJ/kg)?(5 分)
#129158
⑶壓縮機單位質量冷媒所需之功(specific work)(kJ/kg)。(5 分)
#129159
⑷本冷凍循環之性能係數(coefficient of performance, COP)?(5 分)
#129160
⑸冷媒離開壓縮機之出口溫度(℃)?(5 分) T(℃) Psat(bar) vf ×103(m3/kg) vg(m3/kg) hf(kJ/kg) hg(kJ/kg) Sf(kJ/Kg‧K) Sg(kJ/Kg‧K) 4 5.657 0.787 0.0416 204.69 406.77 1.0169 1.7460 40 15.335 0.884 0.0151 249.08 415.95 1.1666 1.6995 Qc 3 冷凝器 2 壓縮機 熱交換器 Wc 4 1 膨脹閥 蒸發器 6 5 Qe
#129161
二、有一個鰭管式氣冷式冷凝器,已知其熱傳率為 70 kW;管內流體為冷媒,鰭管外為 空氣,體積流率為 6.6 m3/s,空氣側之總熱傳面積為 210 m2,且空氣側之總括熱傳 係數(overall heat transfer coefficient)Uo 為 37 W/m2 K。若冷媒之冷凝溫度限制在 55℃以內,則此氣冷式冷凝器只能適用於大氣溫度最高為攝氏幾℃之地區?(25 分) 註:空氣之密度 1.15 kg/m3,定壓比熱 1.00 kJ/kg‧K
#129162
⑵假設冷媒在壓縮過程為理想氣體(ideal gas),計算壓縮機所需之功(kW)?(15 分) 註:NH3 蒸汽之定壓比熱 Cp = 2.172 kJ/kg‧K,定容比熱 Cv = 1.684 kJ/kg‧K, Cp/Cv = 1.29 NH3 氣體常數 R = 0.4882 kJ/kg‧K
#129164
⑴流體進入吸收器之質量流率 W2 (kg/s)及冷凝器之質量流率 W3 (kg/s)?(8 分)
#129165
⑵各個元件之熱傳率,Qg(產生器),Qa(吸收器),Qc(冷凝器),Qe(蒸發器) (kW)?(12 分)
#129166
⑶本吸收式冷凍機之性能係數(coefficient of performance, COP)?(5 分)
#129167
相關試卷
114年 - 114 專技高考_冷凍空調工程技師:冷凍工程與設計#133574
114年 · #133574
113年 - 113 專技高考_冷凍空調工程技師:冷凍工程與設計#123796
113年 · #123796
112年 - 112 專技高考_冷凍空調工程技師:冷凍工程與設計#117658
112年 · #117658
111年 - 111 專技高考_冷凍空調工程技師:冷凍工程與設計#111923
111年 · #111923
110年 - 110 專技高考_冷凍空調工程技師:冷凍工程與設計#104156
110年 · #104156
109年 - 109 專技高考_冷凍空調工程技師:冷凍工程與設計#93212
109年 · #93212
108年 - 108 專技高考_冷凍空調工程技師:冷凍工程與設計#80857
108年 · #80857
107年 - 107 專技高考_冷凍空調工程技師:冷凍工程與設計#72901
107年 · #72901
106年 - 106 專技高考_冷凍空調工程技師:冷凍工程與設計#66556
106年 · #66556
104年 - 104 專技高考_冷凍空調工程技師:冷凍工程與設計#41536
104年 · #41536