阿摩線上測驗
登入
首頁
>
初等/五等/佐級◆基本電學大意
> 【已刪除】100年 - 100年初等基本電學大意#48373
【已刪除】100年 - 100年初等基本電學大意#48373
科目:
初等/五等/佐級◆基本電學大意 |
年份:
100年 |
選擇題數:
40 |
申論題數:
0
試卷資訊
所屬科目:
初等/五等/佐級◆基本電學大意
選擇題 (40)
【已刪除】1 蓄電池容量一般以何單位表示? (A)伏特 (B)安培 (C)安培小時 (D)瓦特
【已刪除】 2 兩材料相同之電熱線,甲線長 L,截面積為 k,乙線長 2L,截面積為 3k。若加至兩電熱線之電源電壓相同, 則甲線消耗功率為乙線的幾倍? (A)3/2 (B)2/3(C) 4/9(D)9/4
【已刪除】 3 若 A 銅線長度與半徑均為 B 銅線之兩倍,則 A 銅線電阻應為 B 銅線電阻之幾倍? (A) 0.5 (B)1 (C)2 (D)4
【已刪除】 4 導體之電流方向與電子流的方向? (A)相同 (B)相反 (C)垂直 (D)不相關
【已刪除】 5 將 4 庫倫的電荷通過一元件,須作功 20 焦耳,則此元件兩端之電壓差為多少伏特? (A)4 (B)5 (C) 10 (D) 20
【已刪除】 6 1 電子伏特等於多少焦耳? (A) 1.602×10
-19
(B) 9.109×10
-31
(C) 9×10
9
(D) 4π ×10
-7
【已刪除】 某電阻值為 10Ω 之負載通過 4A 之電流,則 1 分鐘內轉換為熱之能量為多少焦耳? (A) 1200 (B) 2400 (C) 4800 (D) 9600
【已刪除】 8 電壓的單位是伏特(V),與下列何者等效? (A)焦耳(J) (B)焦耳(J)/庫倫(C) (C)焦耳(J)/秒(s) (D)庫倫(C)/秒(s)
【已刪除】9 甲、乙兩電容器,充相等之電荷後,測得甲之電壓為乙之 3 倍,則甲之電容量為乙之: (A) 1/3 (B) 3 (C) 1/9 (D) 9
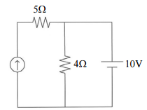
【已刪除】10 如圖所示含有直流電壓源及直流電流源之電路,已知流經 5Ω 電阻之電流為 5A,則直流電流源之大小為多 少安培? (A)2 (B)5 (C)7 (D) 10
【已刪除】11 弦波穩態時,電容器之電壓與電流的相角關係中,下列之敘述何者為正確? (A)電流相角與電壓相角同相 (B)電流相角領先電壓相角 90 度 (C)電壓相角領先電流相角 45 度 (D)電壓相角領先電流相角 90 度
【已刪除】12 將一只 20 微法拉之電容器充電至 90 伏特,與另一未充電之 40 微法拉電容器並聯,則並聯後電壓為多少伏特? (A) 1.5 (B) 6.75 (C) 30 (D) 45
【已刪除】13 一鐵芯材料構成之磁路,其導磁係數為 4×10
-4
韋伯/(安匝.米),截面積為 1×10
-2
平方公尺,平均磁路長 度為 5 公尺,則此鐵芯磁路之磁阻為多少安匝/韋伯? (A) 1.25×10
6
(B) 2.5×10
6
(C) 3.75×10
6
(D) 5×10
6
【已刪除】14 兩相互耦合電感器之電感值均為 5 亨利,其耦合係數為 0.8,若兩者接成串聯互助,並通以 1 安培的電流時, 則兩電感器所儲存的總能量為多少焦耳? (A) 1 (B) 3 (C) 6 (D) 9
【已刪除】15 長 10 公尺的長導線,通以 2 安培之電流,置於 0.2 韋伯/平方公尺的均勻磁場時,當導線所受的力為 2 牛頓 時,則導線與磁場間之夾角為多少度? (A) 30 (B) 45 (C) 60 (D) 90
【已刪除】16 兩相互耦合之電感器串聯時,總電感值為 10 毫亨利。若將其中之一電感器反接,得到總電感值為 6 毫亨利, 則兩電感器間之互感為多少毫亨利? (A)8 (B)4 (C)2 (D)1
【已刪除】17 如圖所示,流經 3Ω之電流I
1
為多少安培?(A) 20 (B) 30 (C) 40 (D) 60
【已刪除】18 下列有關電場強度的敘述何者錯誤? (A)在 MKS 制中電場強度之單位為牛頓/庫倫 (B)在 MKS 制中電場強度之單位為伏特/公尺 (C)電場強度 E 與電通密度 D 之關係為 D=εE,ε 為介電率(permittivity) (D)電力線的法線方向即為電場強度的方向
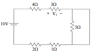
【已刪除】19 依圖所示,試求電壓V
1
為多少伏特? (A)6 (B)4 (C)3 (D) 2.4
【已刪除】20 如圖所示,試求跨於 3Ω電阻器上之電壓降V1為多少伏特? (A)2 (B)3 (C)5 (D) 10
【已刪除】21 兩電阻R1與R2並聯後,接於某電源,且經量測已知R1之消耗功率為 200 瓦特,R2之消耗功率為 400 瓦特, 已知R2=80 歐姆,試計算R1之歐姆值? (A) 20 (B) 40 (C) 160 (D) 320
【已刪除】22 將三個電阻R
1
=2Ω,R
2
=3Ω,R
3
=5Ω予以串聯後,接於 10 伏特之直流電源,試計算電阻R
3
所消耗之功率為 多少瓦特? (A)2 (B)3 (C)5 (D) 10
【已刪除】23 將 10 個電阻值相同之電阻予以串聯後,可得其等效電阻為R
1
,而若將此 10 個電阻予以並聯後,則得其等 R 效電阻為R
2
,試計算
之比值為何?(A) 100 (B) 10 (C) 1/100(D) 1/10
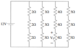
【已刪除】24 如圖所示,試計算跨於 10Ω電阻上之電壓降V
1
為多少伏特?(A)6 (B) 10 (C) 20 (D) 40
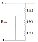
【已刪除】25 如圖所示,試求AB間之等效電阻R
AB
等於多少歐姆? (A)5 (B) 15 (C) 30 (D) 45
【已刪除】26 某一直流電壓源的內電阻為 5 歐姆(Ω),當其輸出的端電壓為 100 伏特(V)而電流為 2 安培(A)時, 試求電壓源在此操作條件下的功率損失為多少瓦特(W)? (A) 100 (B) 50 (C) 20 (D)5
【已刪除】27 如圖所示之電路,電流 I 之大小為多少安培? (A) 2.5 (B)5 (C) 7.5 (D) 10
【已刪除】28 求取僅含獨立電源網路之戴維寧等效電阻時,對於網路中之電源,下列何種處理方式正確? (A)電壓源短路、電流源斷路 (B)電壓源斷路、電流源短路 (C)電壓源斷路、電流源斷路 (D)電壓源短路、電流源短路
【已刪除】29 某一電路中有 A 及 B 兩個電感器,而且它們均儲存有相同大小的電磁能量,若流過 A 電感器的電流為流過 B 電感器的電流的三倍,試問 A 電感器的大小為 B 電感器的幾倍? (A)一倍 (B)三分之一倍 (C)六分之一倍 (D)九分之一倍
【已刪除】30 交流電路中,若電感為 0.1H,頻率為 100Hz,則此電感抗X
L
為多少Ω? (A)X
L
=10 (B)X
L
=3.14 (C)X
L
=62.8 (D)X
L
=100
【已刪除】31 交流負載其端電壓為 100V(有效值),電流為 10A(有效值),功率因數為 0.6,則此負載之虛功率為多少 VAR? (A) 1000 (B) 800 (C) 600 (D) 500
【已刪除】32 峰對峰值為 40 √2 伏特之正弦電壓,其有效值為多少伏特? (A) 40 √2 (B) 20 √2 (C) 40 (D) 20
【已刪除】33 週期性波形的頻率為 50 赫,其 5 個週期的時間為多少秒? (A) 0.02 (B) 0.01 (C) 0.2 (D) 0.1
【已刪除】34 如下圖之R-L-C串聯電路,其電源e
s
頻率等於電路之諧振頻率 ω ,則下列敘述何者正確? (A)功率因數為 1.0 (B)電流最小 (C)平均功率最小 (D)阻抗等於
歐姆
【已刪除】35 如圖所示之電路,已知電感 L 為 1mH,則開關 S 在接通瞬間,流經 2Ω 電阻之電流大小為多少安培? (A)1 (B)2 (C) 2.5 (D)3
【已刪除】36 如圖所示含有三具直流電壓源之電路,則流經 3Ω 電阻之電流大小約為多少安培? (A) 1.4 (B) 1.6 (C) 1.8 (D) 2.0
【已刪除】37 如下圖所示電路,總電流 I 為多少安培? (A)5 (B) 10 (C) 12 (D) 20
【已刪除】38 如圖所示之直流電路,6Ω 電阻所消耗之功率為多少瓦特? (A)3 (B)6 (C) 12 (D) 18
【已刪除】39 某交流負載其端電壓 V=100∠0ºV(有效值),電流為 I=5∠-60ºA(有效值),則此負載的功率因數為: (A) 0.8,領前 (B) 0.6,領前 (C) 0.8,滯後 (D) 0.5,滯後
【已刪除】40 有一元件其端電壓為 16sinωt 伏特,通過之電流為 0.8sin( ωt+60º)安培,則此元件所消耗之平均功率為 多少? (A) 6.4 瓦 (B) 3.2 瓦 (C) 1.6 瓦 (D)0瓦
申論題 (0)