所屬科目:工程力學(包括材料力學)
一、圖一中之構造承受一強度為 P 的集中載重,其中 A 與 B 支承點為鉸接(hinge),其 他接點均為栓接(pin)。若 A 點與 B 點支承處之水平與垂直反力中任一分量皆不得 大於 2250 N,試計算最大容許載重 P 之值。(25 分)
二、圖二中之4 m× 2 m×3 m矩形體受二條繩索 AB 與 AC 之張力作用,若已知此二條繩 索對 O 點之力矩大小為 2000 kN-m,且繩索 AB 與 AC 之張力大小比例為 1:, 試計算此二條繩索之張力大小。(25 分)
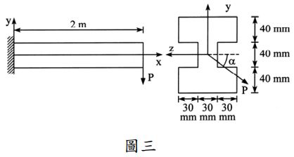
三、有一 I 型斷面之懸臂梁於自由端受一傾斜之集中載重 P 如圖三所示,若 P = 600 N 且 α = 30°。請計算此梁斷面之慣性矩 Iy、Iz ,中性軸與 z 軸之夾角β,及最大之張應力σx 值?(25 分)
四、有一平面應力元素受應力如圖四(a)所示,當此元素逆時鐘方向旋轉 30°後,其應力狀 況如圖四(b)所示。請計算及此元素之主軸應力(principal stresses)與主 軸應力方向,並將主軸應力標示於旋轉至主軸應力方向之應力元素上。(25 分)