阿摩線上測驗
登入
首頁
>
電路學
> 【已刪除】96年 - 096年經濟部專利商標審查人員及96年交通事業港務人員控制工程(三等)#38780
【已刪除】96年 - 096年經濟部專利商標審查人員及96年交通事業港務人員控制工程(三等)#38780
科目:
電路學 |
年份:
96年 |
選擇題數:
0 |
申論題數:
9
試卷資訊
所屬科目:
電路學
選擇題 (0)
申論題 (9)
【已刪除】⑴ 10Ω電阻器的電壓值 Vo,(10 分)
【已刪除】⑵ 60Ω電阻器消耗的功率值。 (10 分)
【已刪除】⑴ 10Ω電阻器消耗的功率值,(10 分)
【已刪除】⑵ 110V 電壓源供給的 功率值。(10 分)
【已刪除】⑴求 vC (t) ,(10 分)
【已刪除】⑵繪出 vC (t)圖形。(10 分)
【已刪除】⑴
vo
/
vs
,(10 分)
【已刪除】⑵由 vs端所看到的電導。(10 分)
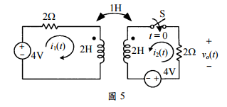
【已刪除】五、如圖 5 所示,若 t < 0 時電路為穩態,在 t = 0 時將開關關閉。求 vo(t)。(20 分)