阿摩線上測驗
登入
首頁
>
電路學
> 【已刪除】96年 - 096年經濟部專利商標審查人員及96年交通事業港務人員電子工程(三等)#39414
【已刪除】96年 - 096年經濟部專利商標審查人員及96年交通事業港務人員電子工程(三等)#39414
科目:
電路學 |
年份:
96年 |
選擇題數:
0 |
申論題數:
8
試卷資訊
所屬科目:
電路學
選擇題 (0)
申論題 (8)
【已刪除】⑴ 10Ω電阻器的電壓值 V
o
,(10 分)
【已刪除】⑵ 60Ω電阻器消耗的功率值。
【已刪除】求⑴ 10Ω電阻器消耗的功率值,(10 分)
【已刪除】⑵ 110V 電壓源供給的 功率值。(10 分)
【已刪除】⑴求 v
C
(t) ,(10 分)
【已刪除】⑵繪出 v
C
(t)圖形。(10 分)
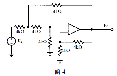
【已刪除】四、如圖 4 所示,求⑴
,(10 分)⑵由 v
s
端所看到的電導。(10 分)
【已刪除】五、如圖 5 所示,若 t < 0 時電路為穩態,在 t = 0 時將開關關閉。求 v
o
(t)。(20 分)