阿摩線上測驗
登入
首頁
>
結構學概要與鋼筋混擬土學概要
> 【已刪除】97年 - 97 鐵路特種考試_員級_土木工程:結構學概要與鋼筋混凝土學概要#34350
【已刪除】97年 - 97 鐵路特種考試_員級_土木工程:結構學概要與鋼筋混凝土學概要#34350
科目:
結構學概要與鋼筋混擬土學概要 |
年份:
97年 |
選擇題數:
0 |
申論題數:
6
試卷資訊
所屬科目:
結構學概要與鋼筋混擬土學概要
選擇題 (0)
申論題 (6)
【已刪除】一、如下圖所示之桁架結構,D 點有垂直載重 12 tf,試求 CD 桿及 DE 桿之內力。(20 分)
【已刪除】二、試繪此剛構架之剪力圖及彎矩圖。(30 分)
【已刪除】
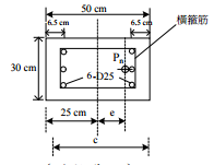
三、柱斷面如圖所示,配置 6 根 D25 鋼筋(A
b
=5.07cm
2
,fy = 4,200 kgf/cm
2
),混凝土強 度 f C' = 280 kgf/cm
2
,軸載重位於偏心位置 e;若中性軸位置 c=48cm。試求所對應的 可設計軸載重
ψ
Pn及彎矩強度
ψ
Mn為何(請註明所依據規範之版本)?(20 分)
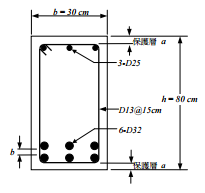
【已刪除】⑴ 依規範規定,混凝土保護層 a、兩層水平鋼筋淨間距 b 及有效深度 d 為何?(6 分)
【已刪除】⑵ 此有受壓鋼筋矩形梁斷面之彎矩計算強度 M
n
?(18 分)
【已刪除】⑶ 依 ACI 318-05 或土木 401-96 規範所定義『拉力控制斷面』、『壓力-拉力控制過 渡斷面』及『壓力控制斷面』,此梁斷面屬何類?強度折減因數
ψ
為何?(6 分)