所屬科目:技檢◆室內配線(屋內線路裝修)-甲級
15. 50 赫(Hz)之變壓器,若用於 60 赫(Hz )之電源時,鐵損為原來之多少倍? (A) (B) (C) (D) 。
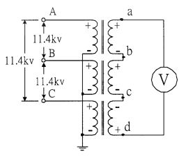
28. 三具單相 6.6kV/220V 變壓器,作如下圖所示之連接,並接於三相 11.4k V 平衡電源,其中第三具極性為加極性,則電壓 Vad 之值為多少 V? (A) 0 (B) (C)220 (D)440 。
31. 如下圖所示之平衡三相電路,設 CT 為 50/5A,負載為三相平衡,則電流 I 之值為多少 A? (A)1 (B) (C)5 (D)10 。
48. 一額定為 90kVA 的變壓器,負載功率因數為 0.8,在 滿載時,可獲得最 大效率為 96%,滿載時銅損為多少 W? (A)1440 (B)1800 (C)2560 (D)3200 。
51. 單相變壓器一次側繞組為 N1 匝,二次側繞組為 N2 匝。假設為理想變壓 器,在二次側接有負載電阻 R,若將此負載換算為一次側之等效電阻, 其值 (A) (B) (C)(D) 。