所屬科目:泉勝◆基本電學(上冊)
1.一個 20 μF 電容器以 30 微安培之定電流源充電,若電容器充電前電壓為零,則充電 20 秒後電容器上的電壓為多少伏特 (V) ?(台北捷運 112) (A) 60V (B) 30V (C) 20V (D) 10V
2. 由電容器為 40 μF,耐壓 500 伏特;乙電容器為 60 μF,耐壓 100 伏特; 丙電容器為 120 μF,耐壓 200 伏特。將以上三個電容器串聯後耐壓為多少伏特 (V) ?(台北捷運 112) (A) 300V (B) 400V (C) 500V (D) 600V
3. 如下圖所示,則 2 μF 電容器的充電電量為多少庫倫( C ) ?(身心障礙 112)(A) 20 μC (B) 40 μC (C) 60 μC (D) 80 μC
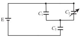
4. 如下圖所示的電容電路,C1 耐壓 100V,電容量 20μF;C2 耐壓 40V,電 容量 20 μF;C3 耐壓 40V,電容量 10 μF;在所有電容器都不損壞的前提下,計算 a 與 b 兩端最大的電壓值為何?(身心障礙 112) (A) 75 伏特 (V) (B) 100 伏特 (V) (C) 125 伏特 (V) (D) 140 伏特 (V)
5. 如下圖所示之電路,其中 C2 為可變電容。下列敘述何者錯誤?(身心障礙 112) (A) C2 愈大,則 C3 儲存電能愈多 (B) C2 愈大,則 C1 的電荷愈少 (C) 不管 C2 為何值,總電容量一定小於 C3 (D) C2 愈小,則 C2 兩端的電壓愈小
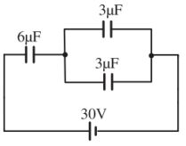
6. 如下圖所示的電容串並聯電路,計算 a、b 兩端點的等效電容量為何? (初等考 112) (A) 3 μF (B) 6 μF (C) 12 μF (D) 16 μF
7. 具有儲存電荷能力的裝置稱之為電容器,通常以 Q 表示電容器所儲存的電荷量,C 表示電容器的電容量,V 表示電容器兩端的電位差,W 表示電容器所儲存的電能,I 表示流過電容的電流值,t 表示時間。關於電容器公式的敘述, 下列何者錯誤?(初等考 112)(A)Q=CV (B) CV2/2(C) Q=It (D)W=CI2
8. 兩平行板電容器 C1 及 C2 串聯後,再連接到一個 10 伏特電池。已知 C1 的板距為 C2 板距的 2 倍,且 C1 = 1 法拉,C2 = 5 法拉,則電容器 C1 內的電場為 C2 電場的多少倍?(初等考 112) (A) 0.2 (B) 2.5 (C) 5 (D) 10
9. 空間中有一強度為 200 伏特 / 公尺的均勻電場,若將一電荷沿著與電場方向成 120 度角的方向移動 50 公尺,需做功 20000 焦耳,則此電荷的帶電量為多少庫侖?(鐵路特考 112) (A) 10 (B) 8 (C) 7 (D) 4
10. 一平行極板電容器,其電容值 C 和平行極板之距離 d 的關係為何?(鐵路特考 112) (A) 正比 (B) 反比 (C) 平方正比 (D) 平方反比
11. 假設在空氣中距離 4 公尺的兩個靜電荷會產生 20 牛頓的作用力,將兩者之間距離變成 8 公尺,則作用力變成:(台北自來水 111) (A) 5 牛頓 (B) 10 牛頓 (C) 20 牛頓 (D) 40 牛頓
12. 在 20 μF 電容器的兩端測得 80V 電壓,該電容器儲存電荷量為何?(自來水 111)(A)800 微庫侖 (B)1600 微庫侖 (C)3200 微庫侖 (D)6400 微庫侖
13. 有三個電容器分別為 C1 = 6 μF,C2 = 12 μF,C3 = 18 μF,若電容器 C1、C2 串聯以後,再並聯電容器 C3,則總電容為何?(自來水 111) (A) 9 μF (B) 13.2 μF (C) 22 μF (D) 36 μF
14. 電容量為 0.02 μ F 的平行板電容器,若將板面積加倍且板間距離減半,則電容量為:(台北自來水 111) (A) 0.16 μF (B) 0.08 μF (C) 0.04 μF (D) 0.02 μF
15. 兩個電容分別為 C1 = 60 μF、C2 = 40 μ F,串聯後的總電容為何?(台糖 111) (A) 12 μF (B) 24 μF (C) 50 μF (D) 100 μF
16. 有一陶瓷電容器標示為 104J,此電容器的電容值為多少?(台糖 111) (A) 0.1 μF (B) 0.01μF (C) 1 μF (D) 104 μF
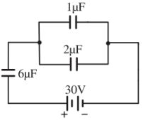
17. 如下圖所示電路,電路的總電容量 CT= ?(台糖 111) (A) 1 μF (B) 3 μF (C) 7.5 μF (D) 12 μF
18. 如下圖所示電路,下列何者正確?(台糖 111) (A) 總電荷量 QT= 528 μC (B) VC1 = 4.26V (C) VC2 = 8V (D) VC3 = 4V
19. 電容器 C1 = 4 μF,耐壓為 300V,電容器 C2 = 12 μF,耐壓為 600V,若將C1 及 C2 串聯,則其總耐壓變為多少伏特 (V)?(台電 112)(A) 75 伏特 (V) (B) 200 伏特 (V)(C) 300 伏特 (V)(D) 400 伏特 (V)
20. 有一 10 微法拉 (μ F) 的電容器,測得兩端的電壓值為 4 伏特 (V),將其加入 2 亳安培 (mA) 的直流電流源,使電壓值繼續上升。當時間經過 20 亳秒 (ms)後,則電容器兩端的電壓值會變為多少伏特 (V)。(台電 111)(A)3V(B)6V(C)8V(D)10V
21. 如下圖所示,庫侖 ( C ),庫侖 ( C ),已知兩電荷相距 9 公尺 (m),則 A 點的電場強度為多少牛頓 / 庫侖。(電場係數 K=9*109)(台電 111)(A)8N/C (B)36N/C (C)48N/C (D)64N/C