所屬科目:泉勝◆基本電學(上冊)
1.電路如圖,以 R4 為負載,求 Vth?(A)2V(B)4V(C)6V(D)8V
2.電路如圖,以 R 為負載,求 Rth 最接近?(A)1.1kΩ(B)2kΩ(C)2.2kΩ(D)3kΩ
3.電路如圖,求 R4 的電流?(A)1.25mA(B)2mA(C)3.25A(D)4mA
4.電路如圖,求 I3Ω。(A)1A(B)1.5A(C)2.3A(D)4A
5.電路如圖,求 I5Ω。(A)1A(B)1.5A(C)2.3A(D)4A
6.電路如圖,以 6Ω 為負載,求 Vth=?。(A)12V(B)14V(C)15V(D)16V
7.電路如圖,以 6Ω 為負載,求 Rth=?。(A)1.1Ω(B)2Ω(C)2.2Ω(D)4.8Ω
8.電路如圖,求 I6Ω。(A)1A(B)1.5A(C)2.3A(D)4A
9.電路如圖,以 12Ω 為負載,求 Vth=?。(A)12V(B)14V(C)15V(D)36V
10.電路如圖,以 12Ω 為負載,求 Rth=?。(A)2Ω(B)3Ω(C)3.4Ω(D)4Ω
11.如圖,求 I12Ω。(A)1A(B)1.5A(C)2.3A(D)4A
12.電路如圖所示,由 RL 看入之戴維寧等效 Vth 為何?(身障四等 92)(A)10V(B)11V(C)12V(D)13V
13.電路如圖所示,由 RL 看入之戴維寧等效 Rth 為何?(身障四等 92)(A)13Ω(B)16Ω(C)26Ω(D)30Ω
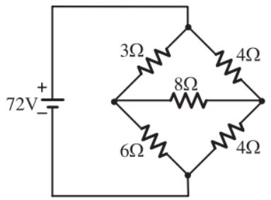
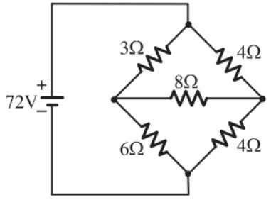
14.電路如圖,以 8Ω 電阻為負載,求 Vth。(A)12V(B)15V(C)23V(D)40V
15.電路如圖,以 8Ω 電阻為負載,求 Rth。(A)2Ω(B)3Ω(C)3.4Ω(D)4Ω
16.電路如圖,求 I8Ω。(A)1A(B)1.5A(C)2.3A(D)4A
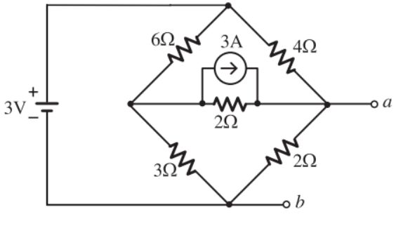
17.電路如圖,以 9Ω 電阻為負載,求 Vth?(A)6V(B)9V(C)36V(D)63V
18.電路如圖,以 9Ω 電阻為負載,求 Rth 最接近?(A)9Ω(B)10Ω(C)12Ω(D)15Ω
19.電路如圖,以 9Ω 電阻為負載,求負載的電流?(A)1A(B)2A(C)3A(D)3.5A
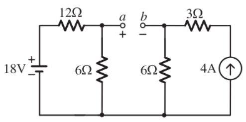
20.電路如圖,求 a,b 兩點的 Vth=?(身障五等 92)(A)16V(B)18V(C)20V(D)24V
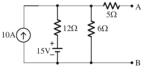
21.電路如圖,求 A,B 兩點的 Vth=?(普考 93)(A)6V(B)7V(C)8V(D)16V
22.電路如圖,求 A,B 兩點的 Vth=?(普考 93)(A)36V(B)40V(C)42V(D)45V
23.電路如圖,求 a,b 兩點的 Rth=?(身障五等 92)(A)1Ω(B)2Ω(C)3Ω(D)4Ω
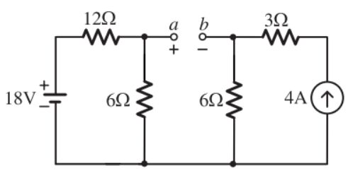
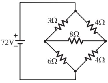
24.電路如圖,求 a,b 兩點的 Vth=?(統測 108)(A)-18V(B)18V(C)16V(D)-24V
25.電路如圖,求 a,b 兩點的 Rth=?(統測 108)(A)1Ω(B)4Ω(C)6Ω(D)10Ω