所屬科目:泉勝◆基本電學(上冊)
1.電路如圖,以 R4 為負載,求 IN?
(A)20/11mA(B)2mA(C)3mA(D)30/11mA
2.電路如圖,以 R4 為負載,求 RN?(A)9/5 kΩ(B)2kΩ(C)11/5 kΩ(D)14/5kΩ
3.電路如圖,以 R4 為負載,求負載電流 I?(A)1mA(B)1.25mA(C)1.5mA(D)1.8mA
4.電路如圖,以 4Ω 為負載,求 IN?(A)1A(B)2A(C)3A(D)4 A
5.電路如圖,以 4Ω 為負載,求 RN?(A)1Ω(B)2Ω(C)3Ω(D)4Ω
6.電路如圖,以 4Ω 為負載,求負載電流 I?(A)1A(B)2A(C)2.7A(D)3A
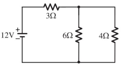
7.電路如圖,以 3Ω 為負載,求 IN?(A)2A(B)3A(C)4A(D)5 A
8.電路如圖,以 3Ω 為負載,求 RN?(A)6 Ω(B)7Ω(C)8Ω(D)9Ω
9.電路如圖,以 3Ω 為負載,求負載電流 I?(A)1A(B)1.5A(C)2A(D)2.8A
10.電路如圖,以 5Ω 為負載,求負載電流 I?(A)1A(B)2A(C)2.7A(D)3A
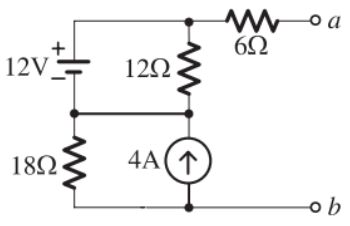
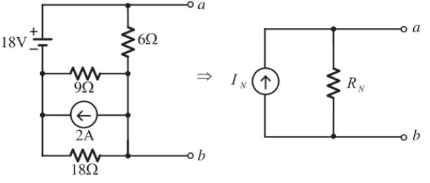
11.電路如圖,由 a,b 兩端看入,求 IN?(A)1A(B)2A(C)3A(D)5 A
12.電路如圖,由 a,b 兩端看入,求 Vth?(A)15V(B)20V(C)23V(D)25 V
13.電路如圖,由 a,b 兩端看入,求 RN?(A)1Ω(B)2Ω(C)3Ω(D)4Ω
14.電路如圖,若 a,b 兩端接 12Ω,求 I?(A)1A(B)2A(C)3A(D) A
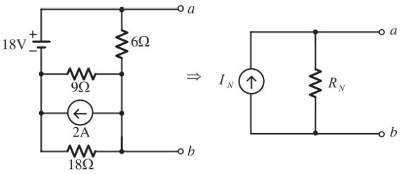
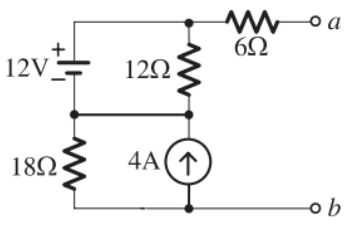
15.電路如圖,由 a,b 兩端看入,求 IN?(統測 111)(A)1A(B)2A(C)3A(D)7A
16.電路如圖,由 a,b 兩端看入,求 RN?(統測 111)(A)1Ω(B)2Ω(C)3Ω(D)4Ω
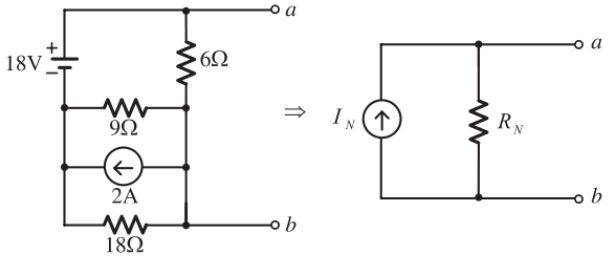
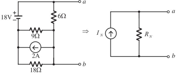
17.電路如圖,由 a,b 兩端看入,求 IN?(統測 108)(A)1A(B)2A(C)3A(D)3.5A
18.電路如圖,由 a,b 兩端看入,求 RN?(統測 108)(A)24Ω(B)25Ω(C)30Ω(D)40Ω
19.電路如圖,若 a,b 兩端接 24Ω,求其功率?(統測 108)(A)36W(B)48.5W(C)62.8W(D)73.5W
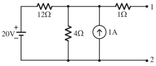
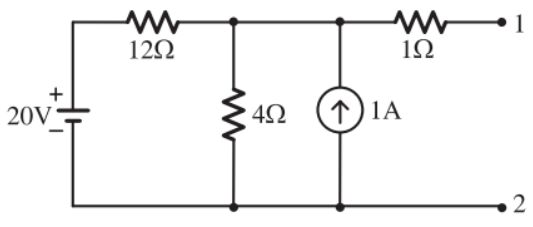
20.電路如圖,由 1,2 兩端看入,求 Vth?(A)8V(B)12V(C)15V(D)20V
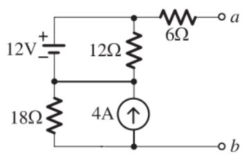
21.電路如圖,由 a,b 兩端看入,求 IN?(A)1A(B)2A(C)3A(D)5 A
22.電路如圖,由 a,b 兩端看入,求 RN?(A)1Ω(B)2Ω(C)3Ω(D)4Ω