所屬科目:泉勝◆基本電學(上冊)
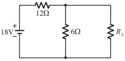
1.電路如圖,RL=?可得最大功率(A)1Ω(B)2Ω(C)3Ω(D)6Ω
2.電路如圖,RL 可任意調整,請問 RL 可得最大功率是多少?(A)1W(B)2W(C)3W(D)6W
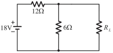
3.電路如圖,RL=?可得最大功率(A)1Ω(B)2Ω(C)3Ω(D)4Ω
4.電路如圖,RL 可任意調整,請問 RL 可得最大功率是多少?(A)1W(B)2W(C)2.25W(D)6W
5.如圖所示直流電路,IS = 60A,R1 = 6Ω,R2 = 12Ω,R3 = 4Ω,在不同負載電阻情況,計算流經電阻的電流,並設計負載電阻 RL 以符合下列情況。若負載電阻 RL為 2Ω,則電流 I1 為何?(統測 112)(A)10A(B)24A(C)36A(D)45 A
6.如圖所示直流電路,IS = 60A,R1 = 6Ω,R2 = 12Ω,R3 = 4Ω,在不同負載電阻情況,計算流經電阻的電流,並設計負載電阻 RL 以符合下列情況。若負載電阻 RL為多少 Ω?可得最大功率(統測 112)(A)6Ω(B)8Ω(C)10Ω(D)12Ω
7.如圖所示直流電路,IS = 60A,R1 = 6Ω,R2 = 12Ω,R3 = 4Ω,在不同負載電阻情況,計算流經電阻的電流,並設計負載電阻 RL 以符合下列情況。若負載電阻可任意調整,得最大功率是多少?(統測 112)(A)1800W(B)1600W(C)1000WΩ(D)800W
8.電路如圖所示,若 RL 可獲得最大功率,則最大功率值為何?(統測 110)(A)16W (B)32W (C)48W (D)64W
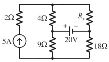
9.電路如圖所示,求 Rx 為多少時可由電源獲得最大功率及所獲得的最大功率Pmax 為何?(統測 108)(A) Rx = 4Ω,Pmax = 100W(B) Rx = 10Ω,Pmax = 100W(C) Rx = 4Ω,Pmax = 120W(D) Rx= 10Ω,Pmax = 120W