阿摩線上測驗
登入
首頁
>
大地工程學
> 94年 - 094年專門職業及技術人員高等建築師、技師暨普通不動產經紀人、地政士、記帳士水利工程技師#38439
94年 - 094年專門職業及技術人員高等建築師、技師暨普通不動產經紀人、地政士、記帳士水利工程技師#38439
科目:
大地工程學 |
年份:
94年 |
選擇題數:
0 |
申論題數:
9
試卷資訊
所屬科目:
大地工程學
選擇題 (0)
申論題 (9)
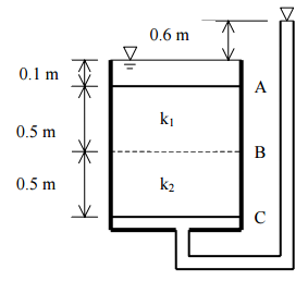
【已刪除】一、有一水箱滲透試驗如圖所示,水箱之底部與頂部之水頭差維持 0.6 m。土壤分兩層, 厚度均為 0.5 m;上層之滲透係數為 k
1
,下層之滲透係數為 k
2
,且 k
1
= 2 k
2
。假設兩 層土壤之飽和單位重 γ
sat
均為 19.8 kN/m
3
,試繪圖說明 A、B、C 三點處(即土層之 上、中、下)之總應力、孔隙水壓力及有效應力之分佈圖。(20 分)
【已刪除】二、某無限邊坡之坡度為 30°,其表土層厚 2 m,表土層下方為岩盤。此邊坡平時即有地 下滲流平行於坡面流動;此滲流位於地表下 1 m 處,如圖所示。若滲流上方之土壤 單位重 γ 為 16 kN/m
3
,而滲流下方之土壤飽和單位重 γ
sat
為 20 kN/m
3
,此土壤之剪 力強度參數為 c = 40 kN/m
2
,φ = 20°;c′= 20 kN/m
2
,ϕ'= 25°。試推導此邊坡之安全 係數計算式,並求出安全係數值。(20 分)
⑴試舉兩例說明其應用。(4 分)
⑵鈑樁也常配合錨板等使用,試舉三例並繪圖說明錨定鈑樁(anchored sheet piles) 的破壞型式。(6 分)
⑶茲有一錨定鈑樁打設於黏土層內,黏土層上方回填 6 m 之砂土,如圖所示。此地 之水位面會變化,最低時位於岸面下方 3 m 處,而最高時則僅位於岸面下方 1 m。 試以自由端點法(free earth support method)計算所需之:
1.鈑樁之埋設深度 D(假設安全係數為 1.0)。(15 分)
2.錨桿(tie rod)所須提供之錨定力 T(kN/m)。(5 分)
⑴此礦渣堆積之坡地可能發生那些潛在災害?(10 分)
⑵欲評估這些潛在災害,應如何進行調查?(10 分)
⑶潛在災害應如何防治?(10 分)