阿摩線上測驗
登入
首頁
>
化學程序工業(包括質能均衡)
> 100年 - 100 公務升官等考試_薦任_化學工程:化學程序工業(包括質能均衡)#39812
100年 - 100 公務升官等考試_薦任_化學工程:化學程序工業(包括質能均衡)#39812
科目:
化學程序工業(包括質能均衡) |
年份:
100年 |
選擇題數:
0 |
申論題數:
9
試卷資訊
所屬科目:
化學程序工業(包括質能均衡)
選擇題 (0)
申論題 (9)
⑴估計多少水分將被蒸發?
⑵為蒸發水分,進料每小時的供應量應為多少? (提示:蒸發水分的焓為 632 kcal/kg)
【已刪除】二、利用吸收塔吸收空氣中的SO
2
。空氣流入的流速為 2 kg/m
2
s,N
Re
= 5160,摩擦因子 R/ρu
2
= 0.02。請計算SO
2
在下列條件中的質傳係數(kN/m
2
)。(15 分) 擴散係數SO
2
= 0.116 cm
2
/s,氣體黏度= 0.018 mNs/m
2
,氣體密度= 1.154 kg/m
3
所需公式如下:
【已刪除】三、水銀溢出發生在一個密閉的空間中,請問當水銀溫度為 23℃時,最高濃度為多少? 水銀曝露在空氣中的標準限制為 0.1 mg/m
3
,請問水銀的最高濃度是否在此限制內? 水銀的蒸氣壓如下:(15 分)
【已刪除】四、平板式過濾 8 m3的泥漿需要 1800s,11 m
3
則需要 3600s。請計算以 3 m
3
的水清洗所 需要的時間(秒)。請忽略質傳阻抗。所需公式如下:(20 分)
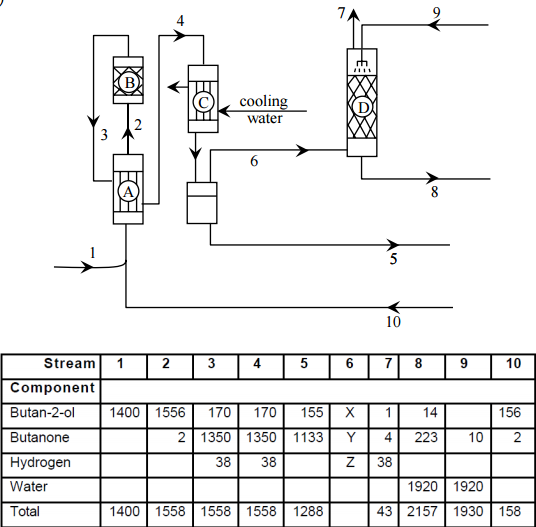
【已刪除】五、工業上製造丁酮所涉及的單元操作如下圖,此圖為簡化過後的流程圖。其中B代表 化學反應槽內進行 2-丁醇的脫氫反應而生成丁酮,反應溫度為 450℃,並以氧化鋅 作為催化劑。下表有各支流詳細的組成和流速資料,單位為kg h
-1
。請回答下列問題 :(20 分)
⑵完成流程圖中第 6 支流的質量平衡式,並算出X、Y和Z的流速(單位kg h
-1
)。
⑶流程圖中 A、C 和 D 各表示何種單元操作,並分別解釋其原因。
六、欲完全燃燒 1 公斤的煤炭需要 12 公斤的空氣,而煤炭的熱值為 4200 kcal/kg,其灰分 含量為 22%。請問燃燒 5 公斤的煤炭能產生多少公斤的煙道氣(flue gas)?(15 分)
相關試卷
114年 - 114 地方政府公務特種考試_三等_化學工程:化學程序工業(包括質能均衡、分析化學、儀器分析)#134769
114年 · #134769
114年 - 114 關務升官等考試_薦任_技術類(選試化學程序工業)—關務:化學程序工業#133202
114年 · #133202
114年 - 114 關務升官等考試_簡任_技術類(選試化學程序工業研究)—關務:化學程序工業研究#133196
114年 · #133196
114年 - 114 公務升官等考試_薦任_化學工程:化學程序工業(包括質能均衡)#133177
114年 · #133177
114年 - 114 高等考試_三級_化學工程:化學程序工業(包括質能均衡、分析化學、儀器分析)#128756
114年 · #128756
114年 - 114 關務特種考試_三等_化學工程(選試英文):化學程序工業(包括質能均衡)#126550
114年 · #126550
113年 - 113 地方政府公務特種考試_三等_化學工程:化學程序工業(包括質能均衡、分析化學、儀器分析)#124498
113年 · #124498
113年 - 113 高等考試_三級_化學工程:化學程序工業(包括質能均衡、分析化學、儀器分析)#121195
113年 · #121195
113年 - 113 關務特種考試_三等_化學工程(選試英文):化學程序工業(包括質能均衡)#119494
113年 · #119494
112年 - 112 地方政府特種考試_三等_化學工程:化學程序工業(包括質能均衡)#118109
112年 · #118109