阿摩線上測驗
登入
首頁
>
電子學
> 100年 - 100 鐵路特種考試_員級_電力工程、電子工程:電子學概要#45656
100年 - 100 鐵路特種考試_員級_電力工程、電子工程:電子學概要#45656
科目:
電子學 |
年份:
100年 |
選擇題數:
0 |
申論題數:
8
試卷資訊
所屬科目:
電子學
選擇題 (0)
申論題 (8)
⑴寫出各放大器之名稱。(6 分)
⑵導出電壓增益之公式並求其數值。(14 分)
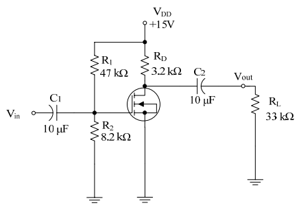
【已刪除】二、下圖中E-MOSFET在VGS = 5 V時I
D(on)
= 100 mA,且V
GS(th)
= 2 V,g
m
=10 mS。試求V
GS
、I
D
、V
DS
及交流輸出電壓。假設V
in
= 25 mV。(20 分)
⑴求出上激發點(UTP)及下激發點(LTP)電壓。(10 分)
⑵畫出輸出電壓波形。(10 分)
⑴應用米勒定理畫出下圖小訊號電路,並求高頻率之等效電路。其中C
bc
= 3 pF及C
be
= 1 pF。(10 分)
⑵計算臨界頻率。(10 分)
【已刪除】五、如下圖(a)~(d)數位邏輯電路,其中 A, B, C 等為輸入,Y 為輸出,試寫出其真值表 並列出其布林函數。(20 分)
相關試卷
115年 - 115 身心障礙特種考試_三等_電子工程:電子學#138969
115年 · #138969
115年 - 115 身心障礙特種考試_四等_電子工程:電子學概要#138929
115年 · #138929
115年 - 115-1 臺北市立大安高工教師甄選試題_電子/控制科:電子學#138452
115年 · #138452
115年 - 115 國營臺灣鐵路股份有限公司從業人員_甄試試題_第10階-助理技術員-電力、電務:電子學概要#138261
115年 · #138261
114年 - 114 地方政府公務特種考試_三等_電力工程、電子工程、電信工程:電子學#134800
114年 · #134800
114年 - 114 地方政府公務特種考試_四等_電力工程、電子工程、電信工程:電子學概要#134742
114年 · #134742
114年 - 114 專技高考_電子工程技師:電子學#133712
114年 · #133712
114年 - 114 公務升官等考試_薦任_電力工程、電子工程、電信工程:電子學#133247
114年 · #133247
114年 - 114 原住民族特種考試_四等_電子工程:電子學概要#130947
114年 · #130947
114年 - 114 專技高考_專利師(選試專業英文及電子學)、專利師(選試專業日文及電子學):電子學#130110
114年 · #130110