阿摩線上測驗
登入
首頁
>
蒸汽推進機組
> 100年 - 100-1 專技高考_一等管輪(加註):蒸汽推進機組#46630
100年 - 100-1 專技高考_一等管輪(加註):蒸汽推進機組#46630
科目:
蒸汽推進機組 |
年份:
100年 |
選擇題數:
40 |
申論題數:
0
試卷資訊
所屬科目:
蒸汽推進機組
選擇題 (40)
1.供給相同之熱能,在理想的衝動式渦輪機葉片出口蒸汽絕對速度(V
1
)與反動式渦輪機葉片出口 蒸汽絕對速度(V
2
)比為:(A)V
1
=0.707V2 (B)V
1
=V
2
(C)V
1
=1.414V
2
(D)V
1
=2V
2
2.長時間使用全馬力倒俥時應特別注意之事項:①冷凝器溫度 ②冷凝器真空 ③軸衛帶蒸汽壓力 ④冷凝器冷卻水量 (A)①②③ (B)②③④ (C)③④① (D)④①②
3.噴嘴喉部壓力與進口壓力之比值,恰使噴嘴流量為最大時,此喉部壓力為進口壓力之: (A)最大壓力 (B)極限壓力 (C)最佳壓力 (D)臨界壓力
4.為防止除氧櫃高溫供水在進入給水幫浦管路內汽化,其方法是如何? (A)降低給水溫度 (B)增設一加壓幫浦 (C)將除氧櫃設於給水幫浦上方高處 (D)設汽水分離器
5.主冷凝器熱水井水位自動調整閥故障,致使冷凝水位上升浸沒部分冷凝管時,會有何不良結果? (A)渦輪機產生震動 (B)真空下降,排汽背壓升高 (C)渦輪機產生噪音 (D)軸衛帶蒸汽大量外逸
6.爐牆的功用為何? (A)防止爐管過熱,燒毀 (B)支撐爐管 (C)構成爐膛與煙道 (D)加強鍋爐結構
7.有關船用鍋爐採用雙層爐殼的目的,下列敘述何者錯誤? (A)回火時對工作人員傷害可以避免 (B)可以預熱鍋爐所需之燃燒空氣 (C)採用大氣壓力的爐艙因有雙重門,工作人員較舒服 (D)爐艙噪音較小
8.聯合循環鍋爐的組合,是由那兩種循環結合而成? (A)貫流循環和強迫循環 (B)貫流循環和自然循環 (C)強迫循環和自然循環 (D)強迫循環和間接循環
9.鍋爐達臨界壓力時,飽和蒸汽的臨界溫度為多少℃? (A)374.15 (B)273 (C)100 (D)4
10.蒸汽壓力增大時,下列何者不會隨之增大? (A)飽和蒸汽焓 (B)蒸發潛熱 (C)飽和溫度 (D)飽和蒸汽熵
11.強力再循環鍋爐(Forced re-circulation boiler)的特點是以何種方式使爐水加速循環? (A)加多下導管 (B)加大爐管傾斜角 (C)加高汽鼓高度 (D)增加外力(泵)
12.下列何者是鍋爐點火燃燒的先後順序? (A)引火、淨膛、主油燃燒 (B)引火、主油燃燒、淨膛 (C)淨膛、引火、主油燃燒 (D)淨膛、主油燃燒、引火
13.鍋爐爐水中氯化鎂含量過高時,會引起下列何種不正常現象? (A)產汽管結垢 (B)產汽管過熱 (C)鋼板及爐管酸性腐蝕 (D)鋼板及爐管酸性脆化
14.下列何者不是鍋爐內部機械清掃保養的缺點? (A)所花的時間較長 (B)對於鍋爐材料有較強的腐蝕作用 (C)容易受工具影響傷害鍋爐 (D)無法完全清潔全部處所
15.渦輪機中能使蒸汽壓力變為速度能之裝置為:①噴嘴 ②反動式動葉 ③反動式靜葉 ④衝動式 靜葉 (A)①+②+③ (B)②+③+④ (C)③+④+① (D)④+①+②
16.污水疏水櫃為開放式水櫃,其功用為何? (A)使未凝結蒸汽自由蒸發 (B)使水中污染物與空氣接觸產生分解 (C)使污染物漂於液面便於清除 (D)使污染物沉澱便於排放
17.使用給水吸收煙道內排氣之餘熱,以提高鍋爐效率之裝置為何? (A)再熱器 (B)過熱器 (C)預熱器 (D)節熱器
18.有關船用D型水管鍋爐的爐水循環說明中,下列何者最為正確? (A)產汽管管內水受熱膨脹,比重變小而上升 (B)產汽管管內水受熱膨脹,比重變小而下降 (C)下導管管內水受熱膨脹,比重變小而下降 (D)下導管管內水受熱膨脹,比重變大而上升
19.有關鍋爐發生汽水共騰(Priming)之應變措施中,下列何者最正確? (A)把蒸汽閥關小,減少送汽量 (B)把蒸汽閥開大,增加送汽量 (C)開手動安全閥,降低蒸汽壓力 (D)開手動安全閥,降低蒸汽溫度
20.使用於高壓高溫部分的氣密裝置,在軸震動時金屬鰭片尖端可能會碰觸軸面,導致磨耗而增加間 隙,為減少此類型式之蒸汽洩漏所採用之隔板氣密裝置應為那一種? (A)碳精迫緊 (B)固定式迷宮迫緊 (C)浮動式迷宮迫緊 (D)固定式迷宮迫緊及碳精迫緊之混合迫緊
21.潤滑劑能減低軸承等金屬面摩擦損失,使兩金屬面不會直接接觸,這是由於潤滑劑在兩金屬面間 形成何種特性? (A)油泥 (B)油膜 (C)油乳 (D)冷卻水
22.潤滑油含硫成分若超過多少%以上時,則會對金屬有強烈腐蝕性? (A)0.5 (B)1 (C)1.5 (D)2
23.造成軸承燒損之原因為何?①軸衛帶蒸汽漏洩 ②油溝開至極端 ③機械中心線不正 ④滑油泵 故障及滑油停止供給 (A)①②③ (B)②③④ (C)③④① (D)④①②
24.下列何者不是反動式渦輪機之葉片所作的功? (A)噴嘴將熱能轉換成動能 (B)靜葉片所給的衝動力 (C)靜葉片所給的速度在轉向後,脫離動葉片時的反作用力 (D)蒸汽在動葉片增加的速度,而於脫離時的反作用力
25.下列有關排汽損失之敘述何者錯誤? (A)排汽背壓增加,排汽損失亦會增加 (B)主機出力大,則蒸汽流量便會增加,會增加排汽損失 (C)蒸汽速度增加,會增加排汽損失 (D)排汽真空度增加,會增加排汽損失
26.蒸汽渦輪機於試運轉作業時,內部發生嚴重凝水情況應如何處理? (A)開大節流閥加熱凝水以蒸發 (B)切入轉俥機盤俥後再起動 (C)增加真空加速排水 (D)開啟各部疏水閥
27.蒸汽渦輪發電機之速度控制採用何種方式調整? (A)噴嘴數 (B)節流閥開度 (C)噴嘴閥開度 (D)旁通閥數
28.蒸汽渦輪機為配合船速要求作突然全開節流閥之操作時,會有何不利狀況? (A)軸及軸承變形 (B)減速齒輪斷裂 (C)冷凝器真空下降 (D)鍋爐發生汽水共騰
29.暖機完成後之蒸汽渦輪機,於試運轉時宜先開啟倒俥控制(節流)閥進行倒俥試轉,其目的為 何? (A)迅速排除機內凝水 (B)測試暖機是否確實 (C)防止倒俥閥膠著 (D)確認倒俥作業正常
30.若降低渦輪機的轉速又能保持高效率,只要減少蒸汽在噴嘴的降壓程度,將高壓蒸汽分為數個段 落逐級降低其壓力,這種渦輪機是指: (A)複壓式衝動渦輪機 (B)複速式衝動渦輪機 (C)反動式渦輪機 (D)混合式渦輪機
31.蒸汽渦輪機內的隔板(Diaphragm)之作用為何? (A)在多級複速式衝動蒸汽渦輪機中,兩排動葉片間裝設靜葉片,引導蒸汽正確進入次一排動葉片 (B)在反動式蒸汽渦輪機中,用來裝置內部密封迫緊 (C)在多級複壓式衝動蒸汽渦輪機中,用來裝置噴嘴,導引蒸汽的流動 (D)在衝動式蒸汽渦輪機中,降低蒸汽在噴嘴內流動的速度
32.理論上,節流損失發生在何種裝置上最顯著? (A)噴嘴 (B)蒸汽閥 (C)排汽 (D)動葉片
33.下列何者不是熱傳導之特徵? (A)可在同一物體導熱 (B)可藉由接觸傳遞 (C)有溫差發生 (D)限於固體
34.給水內管主要是提供鍋爐汽鼓內之給水,係位於汽鼓之何處? (A)汽鼓之水中 (B)汽鼓之蒸汽中 (C)汽鼓之水面上 (D)高低位置無影響
35.鍋爐之外殼一般在噴燃器的一面,外殼與外牆之間留有空隙,俾供下列何種流體流通之用? (A)燃油 (B)空氣 (C)爐水 (D)蒸汽
36.下列何種蒸汽鍋爐不需要設置下導管(Down comer)? (A)自然循環鍋爐 (B)加速循環鍋爐 (C)強制循環鍋爐 (D)貫流鍋爐
37.有關鼓式鍋爐各種過熱器與其安裝位置之敘述,下列何者正確? (A)對流式過熱器安裝於燃氣的通道中 (B)對流式過熱器安裝火室內或鍋爐之爐牆前 (C)輻射式過熱器安裝於燃氣出口處 (D)輻射對流式過熱器安裝於燃氣通道中
38.有關波紋形爐膛之蘇格蘭式鍋爐(Scotch boiler)之敘述,下列何者錯誤? (A)爐水循環屬於強制循環 (B)爐膛有較佳之膨脹性 (C)與平板式爐膛比較,其受熱面積較大,蒸發率較高 (D)與平板式爐膛比較,其修理及清潔較困難
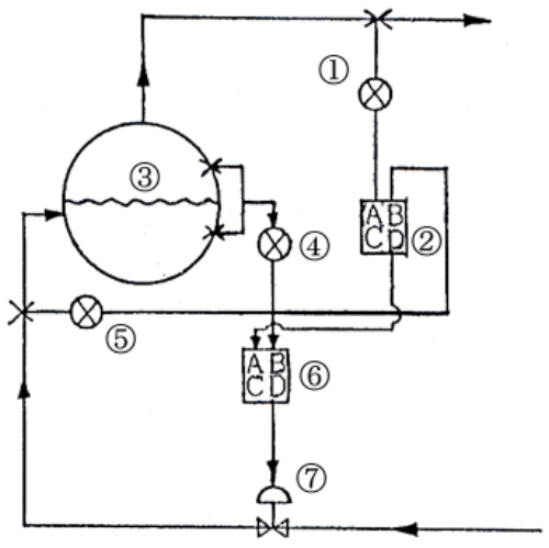
39.蒸汽鍋爐之三元自動給水控制裝置系統的示意圖中,③為汽鼓,①為蒸汽流量轉換器(轉換為信 號),④表示下列何者?
(A)水位轉換器 (B)壓差感應器 (C)水位控制器 (D)給水量轉換器
40.下列何種情況下,鍋爐自動切斷燃油供應? (A)爐水水位高限(B)爐膛火焰熄滅(C)煙道溫度過高(D)過熱蒸汽高溫
申論題 (0)
相關試卷
113年 - 113-3 交通部航港局_船員岸上晉升適任性評估筆試測驗_一等大管輪:蒸汽推進機(加註)#125558
113年 · #125558
112年 - 112-2 交通部航港局船員岸上晉升適任性評估筆試測驗_一等大管輪:蒸汽推進機#116838
112年 · #116838
109年 - 109-3 航海人員測驗_一等管輪(加註):船舶主機-蒸汽推進機組#90244
109年 · #90244
101年 - 101-1 專技普考_二等管輪(加註):蒸汽推進機組#46344
101年 · #46344
101年 - 101-1 專技高考_一等管輪(加註):蒸汽推進機組#46333
101年 · #46333
101年 - 101-2 專技高考_一等管輪(加註):蒸汽推進機組#44895
101年 · #44895
100年 - 100-2 專技高考_一等管輪(加註):蒸汽推進機組#45967
100年 · #45967
100年 - 100-3 專技高考_一等管輪(加註):蒸汽推進機組#45714
100年 · #45714
100年 - 100-4 專技高考_一等管輪(加註):蒸汽推進機組#45357
100年 · #45357
100年 - 100-4 專技普考_二等管輪(加註):蒸汽推進機組#45309
100年 · #45309