阿摩線上測驗
登入
首頁
>
蒸汽推進機組
> 100年 - 100-3 專技高考_一等管輪(加註):蒸汽推進機組#45714
100年 - 100-3 專技高考_一等管輪(加註):蒸汽推進機組#45714
科目:
蒸汽推進機組 |
年份:
100年 |
選擇題數:
40 |
申論題數:
0
試卷資訊
所屬科目:
蒸汽推進機組
選擇題 (40)
1.船舶中、低壓蒸汽產生器所產生之蒸汽供給何種機械使用? (A)使用輔冷凝器之機械 (B)排汽可能會有油污染顧慮之機械 (C)備用機械 (D)輔助機械
2.渦輪機之馬力(P)和扭力(T)及轉速(N)之關係為何? (A)P和N成正比和T成反比 (B)P和T成正比和N成反比 (C)P和T×N成正比 (D)P和T×N成反比
3.鍋爐由下列那些主要組件構成:①鍋爐本體 ②相關汽水循環管道 ③風、煙通道 ④耐火牆 (A)①②③ (B)①②④ (C)①③④ (D)②③④
4.過熱器有下列那些功用?①提高蒸汽壓力 ②提高蒸汽渦輪機出力 ③減少渦輪機排汽溼度 ④ 減少渦輪機腐蝕 (A)①②③ (B)①②④ (C)①③④ (D)②③④
5.下列何種型式的鍋爐僅有爐管,沒有汽、水鼓? (A)聯箱式鍋爐(Header type boiler) (B)強力再循環鍋爐(Forced re-circulation boiler) (C)貫流鍋爐(One through boiler) (D)D型鍋爐(D type boiler)
6. 有關水管鍋爐爐管設計不能太長,其主要原因為何? (A)下導管下降水量變慢,妨礙熱傳導造成爐管損傷 (B)產汽管產汽速率變快,妨礙熱傳導造成爐管損傷 (C)爐管過長易生水垢,妨礙熱傳導造成爐管損傷 (D)會降低鍋爐產汽能量
7.蒸發潛熱是飽和水與飽和蒸汽的熵差,與下列何者之乘積? (A)飽和蒸汽的溫度(℃) (B)飽和蒸汽的絕對溫度(K) (C)飽和蒸汽的壓力(kg/cm
2
,gauge) (D)飽和蒸汽的絕對壓力(kg/cm
2
,absolute)
8.如欲維持鍋爐良好的性能及提升效率,下列敘述何者錯誤? (A)鍋爐殼絕熱保溫應保持良好 (B)盡量減少過餘空氣量 (C)防止低溫腐蝕,排氣出煙囪溫度要高於250℃ (D)清除產汽管內傳熱面的水垢
9.下列何者是柴油主機分離式排汽鍋爐(Exhaust gas economizer)處理蒸汽壓力過高的方法? (A)減少燃油量 (B)增加降熱器的蒸汽旁通量 (C)降低燃燒器的傾斜角 (D)將多餘的蒸汽洩至冷凝器
10.下列何者是鍋爐運轉時吹放(Blow down)爐水最應注意事項? (A)注意爐水吹放的速度 (B)注意爐水的吹放量 (C)注意鍋爐水位及負荷狀況 (D)注意爐水中之全固體最大限制量
11.鍋爐內部酸洗保養(Acid cleaning),如化驗鐵成分超過1%時,下列處理措施何者正確? (A)減少鹽酸的含量 (B)增加抑制劑含量 (C)排出酸液,停止酸洗作業 (D)增加觸媒含量
12.下列何種船用鍋爐燃燒控制方法,最具有高精密度的燃燒效率? (A)On/Off蒸汽壓力開關 (B)High/Low燃燒率壓力開關 (C)比例控制器 (D)比例、積分與微分組合式控制器
13.鍋爐爐水中鹽分雜質濃度為100 ppm時,表示1 kg水中含有雜質多少mg? (A)0.1 (B)10 (C)100 (D)1000
14.下列何者是船上淡水機蒸餾水出口導電率指示器的別稱? (A)高阻表 (B)低阻表 (C)鹽份指示計 (D)溶氧指示計
15.鍋爐內蒸發管受下列那些類型之傳熱才使爐水蒸發成蒸汽?①輻射熱 ②對流熱 ③傳導熱 (A)①+② (B)①+②+③ (C)①+③ (D)②+③
16.鍋爐飽和蒸汽攜水時對過熱器可能產生何種影響? (A)降低過熱蒸汽壓力 (B)使過熱蒸汽產生高溫腐蝕 (C)水中雜質堆積管內,使過熱器過熱 (D)產生水鎚作用傷害
17.蘇格蘭鍋爐(Scotch boiler)波紋形爐膛之各波谷深度不足時,有何不良影響? (A)爐水循環不良 (B)燃燒不足 (C)熱脹冷縮性不良 (D)熱傳導率不良
18.水管鍋爐與火管鍋爐在性能比較上,水管鍋爐最主要的優點為何? (A)構造簡單,設備費低廉 (B)保養較容易 (C)儲水量較大,發生爆炸的災害較小 (D)適用於高壓及大容量的鍋爐
19.下列何者不是鍋爐發生汽水共騰(Priming)的原因? (A)鍋爐水位過高 (B)鍋爐水位過低 (C)急開蒸汽閥 (D)鍋爐的負荷變化大
20.現今柴油主機複合式廢氣鍋爐的汽水循環設計,下列何者可以防止水循環極限並提高鍋爐蒸發量 輸出? (A)給水泵 (B)強壓再循環水泵 (C)鼓風機 (D)噴射泵
21.渦輪機轉子中心附近開有均壓孔(Equalizing hole)者,其功用為何?①均衡轉子兩側蒸汽壓力 ②消減葉尖漏汽現象 ③消減軸向推力 ④消減徑向推力 (A)②④ (B)②③ (C)①④ (D)①③
22.利用推力軸承計測葉片側面間隙法,用間隙尺(Feeler)計測推力環另一面與另一組推力片間 隙,其值為下列何處之間隙? (A)轉子輻向移動距離 (B)定葉片和兩邊的噴嘴間隙 (C)動葉片和兩邊的噴嘴間隙 (D)推力軸環兩側滑動面與推力片間隙
23.設在蒸汽渦輪機及蒸汽管底部,用以排出凝水以避免浸蝕渦輪機的裝置是: (A)安全閥 (B)疏水閥 (C)蒸汽逃出閥 (D)蒸汽凝結管止回閥
24.能將噴射蒸汽壓力膨脹至凝水器壓力,以高速蒸汽將未凝結之蒸汽、空氣及水由凝水器內抽出, 以保持凝水器內真空的附屬裝置為何? (A)復水泵 (B)除氧櫃 (C)循環水泵 (D)空氣抽出器
25.有關流動點(Pour point)與油品使用溫度下限之敘述,下列何者正確? (A)一般以滑油開始凝固時,稱為流動點 (B)滑油降至更低溫時,甚至會凝固但不會失去潤滑作用 (C)潤滑油溫度高時,會因黏度降低而失去流動性 (D)潤滑油溫度低時,會因黏度增加而失去流動性
26.下列何者與迷宮式迫緊軸衛帶失效無關? (A)渦輪機真空破壞 (B)渦輪機背壓減少 (C)渦輪機輸出馬力減少 (D)軸衛帶漏洩損失增加
27.蒸汽渦輪機做增、減速操縱,軸衛帶蒸汽壓力應如何設定? (A)預設至全速時所需壓力 (B)預設於停機時所需壓力 (C)增速減壓,減速增壓 (D)增速增壓,減速減壓
28.蒸汽渦輪機盤俥(Spinning)操作時,下列何者操作錯誤? (A)推進軸轉速須小於每分鐘3轉 (B)開關倒、正俥節流閥交互操作 (C)渦輪機靜置時間不得超過5分鐘 (D)使用節流閥小開度,最大噴嘴數
29.使用倒俥渦輪機時間過長時,將會影響冷凝器的真空並發熱,下列何者是冷凝器溫度上升之原 因? (A)倒俥葉片級數少,排汽餘速度高,造成擾流損失及熱量 (B)倒俥葉片級數少,排汽熱焓值高 (C)倒俥蒸汽量大 (D)高壓段空轉時,易使空氣滲入造成真空下降
30.噴嘴將進入渦輪機的高壓蒸汽一次降低到排汽壓力,產生相當高速度的衝力,是屬於那一種渦輪 機的特性? (A)單級衝動式 (B)多級複壓衝動式 (C)多級複速衝動式 (D)反動式
31.複速衝動式蒸汽渦輪機與複壓衝動式蒸汽渦輪機的主要不同點為何? (A)複壓式蒸汽由噴嘴流出後經多組動葉片和定葉片排出的組合 (B)複速式蒸汽通過葉片時會產生蒸汽壓力的降落 (C)複壓式使用超過一組以上的噴嘴 (D)複速式可看成由多個單一衝動式渦輪機串接而成
32.渦輪機動葉片兩側因壓差大,使部分蒸汽經由動葉片頂部間隙漏洩之損失,稱為何種損失? (A)葉間 (B)軸向 (C)輻向 (D)隔板
33.渦輪機實施暖機操作之目的為何? (A)降低真空,減少馬力 (B)使溫度平均緩慢上升至使用狀態 (C)減少耗油量,增加熱效率 (D)為使渦輪機倒俥順利運作
34.下述何者不是船用鍋爐的基本條件? (A)重量輕,體積小,易安裝 (B)快速產生高溫、高壓蒸汽 (C)徹底燃燒,不留煙痕 (D)構造堅固,耐用,且安全
35.鍋爐所使用的水屏管採用下列何種材質為主? (A)鎳鋼管 (B)鉬鋼管 (C)碳鋼管 (D)高碳鋼管
36.有關鼓式鍋爐各種過熱器與其安裝位置之敘述,下列何者正確? (A)輻射對流式過熱器安裝於爐膛燃氣出口處 (B)對流式過熱器安裝火室內或鍋爐之爐牆前 (C)輻射式過熱器安裝於燃氣出口處 (D)輻射對流式過熱器安裝於燃氣通道中
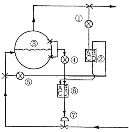
37.蒸汽鍋爐之三元自動給水控制裝置系統的示意圖中,③為汽鼓,①為蒸汽流量轉換器(轉換為信 號),⑥表示下列何者?
(A)水位轉換器 (B)給水量轉換器 (C)給水調整器 (D)水位控制器
38.下列那些裝具是在鍋爐汽鼓之外? (A)汽水分離器與降熱器 (B)蒸汽阻板與給水內管 (C)爐粉內管與水面吹放管 (D)節熱器與底部吹放管
39.主輔機蒸汽停止閥都裝有旁路閥,其功用為何? (A)增大管徑,提供更多蒸汽 (B)備用通路,以防膠著 (C)暖管,減少閥盤側壓 (D)彌補節流壓降,增加效率
40.在冷爐狀況下生火產汽時,如何確保過熱器安全? (A)以最小火斷續進行加熱 (B)向過熱器內注水並開啟通氣閥(C)開啟通氣閥輸入壓縮空氣或蒸汽(D)引入冷凝器凝水進入循環
申論題 (0)
相關試卷
113年 - 113-3 交通部航港局_船員岸上晉升適任性評估筆試測驗_一等大管輪:蒸汽推進機(加註)#125558
113年 · #125558
112年 - 112-2 交通部航港局船員岸上晉升適任性評估筆試測驗_一等大管輪:蒸汽推進機#116838
112年 · #116838
109年 - 109-3 航海人員測驗_一等管輪(加註):船舶主機-蒸汽推進機組#90244
109年 · #90244
101年 - 101-1 專技普考_二等管輪(加註):蒸汽推進機組#46344
101年 · #46344
101年 - 101-1 專技高考_一等管輪(加註):蒸汽推進機組#46333
101年 · #46333
101年 - 101-2 專技高考_一等管輪(加註):蒸汽推進機組#44895
101年 · #44895
100年 - 100-1 專技高考_一等管輪(加註):蒸汽推進機組#46630
100年 · #46630
100年 - 100-2 專技高考_一等管輪(加註):蒸汽推進機組#45967
100年 · #45967
100年 - 100-4 專技高考_一等管輪(加註):蒸汽推進機組#45357
100年 · #45357
100年 - 100-4 專技普考_二等管輪(加註):蒸汽推進機組#45309
100年 · #45309