所屬科目:計算機大意、基本電學
6.范紐曼型架構(Von Neumann Architecture)【圖 6】即是現代電腦硬體的五大單元, 請問負責指令解碼的是哪一個單元?(A)輸入與輸出單元(Input & Output Unit) (B)記憶單元(Memory Unit) (C)控制單元(Control Unit)(D)算術/邏輯單元(Arithmetic / Logic Unit)
11.【圖 11】為Word 表格,請問其「欄列數」的設定為何?(A) 1 欄 3 列 (B)2 欄 5 列 (C) 3 欄 1 列(D) 5 欄 2 列
32.在 Microsoft Word 中,常用來進行“複製格式”的按鈕是下列哪個圖示? (A)(B)(C)(D)
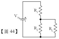
44.如【圖 44】所示,RL = 2 R2、R1=4KO,設 RL兩端電壓為 12 V,流經 R2的電流為 4mA,求 Vin=?(A) 32V (B)24 V(C) 48 V(D) 36 V
45.如【圖 45】所示,設 VAB=105 V,求 3O 電阻上的電流大小為多少安培?(A) 5 安培 (B)6 安培(C) 7 安培(D) 8 安培
48.如【圖 48】所示,各電容器的單位為μF,設 3μF電容器上的電量為 150μ庫倫,求 VAB=?(A) 120 V (B)75 V (C) 80 V (D) 100 V
49.如【圖 49】所示,設 I=3 A,求 R=?(A) 42O (B)14O (C) 28O (D) 32O
54.如【圖 54】所示,設 Lab =20H、L1 =5H、M =3H,求 L2 =?(A) 5H (B)6H(C) 8H(D) 9H
56.如【圖 56】所示,設 E=60V,R=50kO,C=10μF,當 t=0 時,將 S 閉合瞬間該電路之電流為:(A) 2.4 mA (B)2.2 mA (C) 1.4 mA (D) 1.2 mA
57.? (A) 40∠0° (B)50∠53.1°(C) 30∠53.1°(D) 50∠36.9°
58.如【圖 58】所示,sin (1000t)安培,若阻抗為 R-L 串聯組成,則 R=?(A) 5O (B)4O (C) 3O(D) 2O
60.電感量 50mH 的電感若兩端的電壓為,則流過此電感之電流的有效值為: (A) 2 A (B)3 A(C) 4 A(D) 6 A
61.在【圖 61】電路中,設交流電源 V=120∠0°V、XC =20O、XL=9O、R=12O,下列敘述何者錯誤?(A)電阻上電壓為 72 V (B)流過電感的電流為 8 A (C)平均功率為 768 W(D)總虛功率為 144 VAR
64.如【圖 64】所示,求Rab?(A) 1O (B)2O(C) 3O(D) 4O
68.【圖 68】中,a、b 兩端之戴維寧等效電路的 ETh 與 RTh 分別為: (A) 6V、1O (B)4V、2O (C) 3V、2O (D) 3V、5O
69.如【圖 69】所示,設 L1=5H,L2=8H,M=2H,則電路之總電感量為多少? (A) 9H (B)11H (C) 15H (D) 17H
70.如【圖 70】所示電路,流過 6O 電阻器的電流 I 為: (A) 0.5A (B)1A (C) 2A (D) 4A
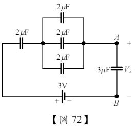
72.如【圖 72】所示電路,3μF 電容器兩端電壓降VAB 為:(A) (B)(C) 1V(D) 2V
75.如【圖 75】所示電路化簡為諾頓等效電路,則 I N = ? RN = ?(A) A、5O (B)3A、15O(C) A、15O(D) 3A、5O
76.若 v(t)=20sin(500t+45°)V,i(t)=4sin(500t+30°)A,則負載為: (A) 80∠15° W (B)5∠15° W (C) 80∠75° W(D) 5∠75° W
77.如【圖 77】所示,則功率因數為:(A) 1 (B)0.7 (C) 0.6 (D) 0.8
78.三條 220V電熱線以Δ接線同時接於三相 220V電源,其消耗功率應為3kW;若改接成 Y接線,其消耗功率應為: (A) 1kW (B)kW(C) 3kW(D) 3kW