阿摩線上測驗
登入
首頁
>
計算機概論、大意(資訊科學概論,電腦常識,電子計算機概論)
> 101年 - 101 原住民族特種考試_四等_電子工程:計算機概要#44686
101年 - 101 原住民族特種考試_四等_電子工程:計算機概要#44686
科目:
計算機概論、大意(資訊科學概論,電腦常識,電子計算機概論) |
年份:
101年 |
選擇題數:
40 |
申論題數:
0
試卷資訊
所屬科目:
計算機概論、大意(資訊科學概論,電腦常識,電子計算機概論)
選擇題 (40)
1 堆疊(stack)應為下列何者? (A)先進先出的串列(FIFO list) (B)後進後出的串列(LILO list) (C)後進先出的串列(LIFO list) (D)隨機進出的串列(random list)
2 求最小成本擴張樹(Minimum-cost Spanning Tree)的 Kruskal 演算法,是屬於那一種方法? (A)Greedy Method (B)Backtracking (C)Dynamic Programming (D)Divide-and-Conquer
3 適合做為外部排序的方法是: (A)Quick sort (B)Insert sort (C)Merge sort (D)所有演算法都適合轉換為外部排序
4 下列何者屬於線性資料結構(linear data structure)? (A)陣列(array) (B)樹(tree) (C)圖(graph) (D)雜湊表(hash table)
若已知堆疊(Stack)T 僅存有文字資料‘X’且佇列(Queue)U 僅存有文字資料‘Y’,今依序執行下列之運算: AddQ(U, ‘A’); AddQ(U, Pop(T)); AddQ(U, DeleteQ(U)); Push(T, DeleteQ(U)); Push(T, ‘A’); Push(T, DeleteQ(U)); Pop(T); Pop(T); 則所有運算序執行完成後,下列敘述何者正確? (A)堆疊(Stack)T 內存有文字資料‘Y’ (B)堆疊(Stack)T 內存有文字資料‘A’ (C)佇列(Queue)U 內存有文字資料‘X’ (D)堆疊(Stack)T 內無資料
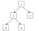
6 若對下圖之二元樹(Binary tree)進行 “前序走訪(Preorder traversal)”,則輸出為何?
(A)ABCDEFGHJKLMPSUXYZ (B)ABCDEHJSKLUFGMXPYZ (C)ABDHJSEKULCFMXGPYZ (D)ABCDHJSEKULFMXGPYZ
7 下列圖形(graph)中,那些節點(nodes)為緊密連通單元(strongly connected components)?
(A)1、3、4 (B)1、2、4(C)2、3、4(D)1、2、3
下列應用中何者最適合以堆積(heap)解決? (A)找出一群資料的最大或是最小元素 (B)運算式前置式(prefix)表示法轉成後置式(postfix) (C)先深搜尋(Depth-first search) (D)找出一群資料的中位數(Median)
9 下圖為一抽象語法樹(abstract syntax tree),請問此樹代表的運算式為何? (A)a+b*c+d * (B)a+b*c-d (C)(a+b)*(c+d) + - (D)(a+b)*(c-d)
10 觀察到電腦系統出現如下圖的行為,X 軸代表同時執行的程式個數(degree of multiprogramming),Y 軸代 表 CPU 的利用率(utilization),當 CPU 的利用率因為同時執行的程式個數增加而變差時,假設這些程式彼 此毫無相關性,這時最有可能是作業系統出現了那一種狀況?
(A)排程(schedule)的演算法耗費太多 CPU 的時間 (B)因為程式要求的記憶體太多,必須使用磁碟做為虛擬記憶體,造成 CPU 額外的等待時間 (C)必須讓程式之間交換資料,程式越多,交換資料越多,導致系統無法負荷 (D)新加入的程序必須等待原有的程序執行完畢才能執行
11 請問右圖屬於那一種資料結構?
(A)二元搜尋樹(binary search tree) (B)紅黑樹(red-black tree) (C)最大堆積(max heap) (D)最小堆積(min heap)
12 理論上,當電腦系統中應用程式發出非常多的讀、寫硬碟的要求(request)時,下列磁碟排程演算法何者最差? (A)先來先服務 (B)最短搜尋時間優先(shortest seek time first) (C)昇降機演算法(elevator algorithm) (D)環狀昇降機演算法(C-SCAN)
13 下列何者不是 virtual memory 的主要功能? (A)使得 CPU 的使用率變高 (B)使得程式設計師於設計程式時,不需要擔心實體記憶體的大小 (C)可以讓硬碟的實際容量變高 (D)可以讓程式的開始執行時間(ready to run)變短
14 由中斷所驅動(interrupt-driven)的 I/O 處理程序有下列幾個步驟,請選出最恰當的順序:①返回到被中斷 的工作 ②系統初始化 I/O 控制器與中斷控制器,設定中斷信號對應到中斷處理程式 ③中斷處理程式 (interrupt handler)進行 I/O 處理所必需的處理 ④CPU 接收到中斷信號,把控制權轉換給中斷處理程式 (A)④③①② (B)②④③① (C)②③④① (D)②①③④
15 在分頁機制中,如果某一個分頁(page)被置換出(swap out)記憶體,而其 modify bit(又稱為 dirty bit) 沒有被設定時,如何處理該分頁? (A)將該分頁按正常程序寫入到磁碟中 (B)將該分頁寫入到記憶體另外的暫存區塊中 (C)將該分頁直接覆蓋 (D)將該分頁載入到快取記憶體中
16 布林函數 F=x+x’y 與下列何者相等? (A)x (B)x+y (C)xy (D)y
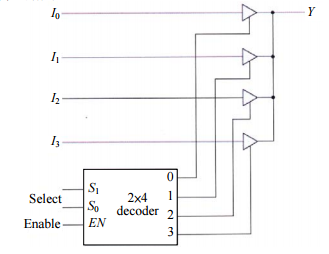
17 下圖是那一項功能的組合電路圖?
(A)Encoder I0 Y I1 I2 I3 S1 S0 EN 0 1 2 3 2×4 decoder Select Enable (B)Decoder (C)Multiplexer (D)Demultiplexer
18 試問 IEEE 754 Standard 單精度浮點運算元(single-precision floating-point operand)所能表示之最小非零正數 為何?(說明:其指數偏移值(exponent bias)為 127。) (A)0 (B)+2
-126
(C)+2
-127
(D)+2
-128
19 下列那一種磁碟陣列組態,其資料發生損壞後無法回復的可能性最高? (A)RAID 0 (B)RAID 5 (C)RAID 0+1 (D)RAID 1
20 下列那一種記憶體的結構可以由正反器(flip-flops)來組成? (A)DRAM (B)SRAM (C)ROM (D)Flash memory
21 磁碟(disk)是屬於何種裝置? (A)揮發性(volatile)裝置 (B)循序存取(sequential-access)裝置 (C)直接存取(direct-access)裝置 (D)隨機存取記憶體(RAM)的快取(cache)裝置
22 一數位計算機使用 16 位元指令(instruction),該指令分成 3 個欄位:Opcode 欄位、暫存器位址欄位(register address field)、立即運算元(immediate operand)欄位。若該指令集可支援 110 個不同的運算與 32 個暫存 器,試問該指令中的立即運算元欄位之位元數至多為何? (A)4 (B)6 (C)8 (D)10
23 二進位中的 11011.101,相當於下列那一個 10 進位數字? (A)54.625 (B)54.5125 (C)27.625 (D)27.5125
24 下列何者會將高階語言程式(high-level language program)轉換為硬體可執行的二進碼(binary code)? (A)Compiler (B)Linking loader (C)Operating system (D)Editor
25 關於應用程式閘道(Application gateway)防火牆,下列何者錯誤? (A)可阻擋意圖攻擊之資料 (B)工作於應用層(Application layer) (C)一般安裝於集線器(Hub) (D)又稱代理伺服器(Proxy server)
26 開發程式的過程中,常會用到:①編譯程式(compiler) ②載入程式(loader) ③連結程式(linker) ④編輯程式(editor)來處理所開發的程式,這些軟體使用順序為何? (A)①②③④ (B)④③②① (C)④①②③ (D)④①③②
27 下列各種資料儲存方式中,何者最適於支援遞迴函式呼叫(recursive function call)? (A)系統堆疊(system stack) (B)堆積(heap) (C)暫存器(register) (D)資料區段(data segment)
28 呼叫下列 C 語言程式函數 f 時,下列選項中何者會回傳 24? int f (int a) { if (a < 1) return 1; else return a * f(a-1); } (A)f(2) (B)f(3) (C)f(4) (D)f(6)
29 下列 C 語言程式片段執行完畢後,變數 x 的值應為多少? cnt = 1 ; x = 0 ; while (cnt < 6) { x = x + cnt ; cnt = cnt+2 ; } (A)3 (B)6 (C)9 (D)12
30 下列那一種變數(variable)的生命期(life time)最短? (A)全域變數(global variable) (B)區域變數(local variable) (C)外部變數(external variable) (D)靜態變數(static variable)
31 下列以 C 程式語言撰寫之程式執行後產生之輸出為何? #include
int f(int a) { printf("*"); return a+1; } int main() { int a = 1; for (a=a+1; f(a)<5; a+=1) { printf("*"); } return 0; } (A)*** (B)**** (C)***** (D)******
32 有關執行下列 C 語言程式片段後的敘述,何者正確? int A[3] = {0, 0, 0}; int x = 2; A[--x] = x++; (A)執行後,A[1] = 1 (B)執行後,A[1] = 2 (C)執行後,A[2] = 1 (D)執行後,A[2] = 2
33 Parity check 機制可以偵測網路封包是否錯誤。請問此機制的實作一般是利用那種運算? (A)ADD (B)MULTIPLY (C)XOR (D)AND
34 有關二元樹(binary tree)與二元搜尋樹(binary search tree)的描述,何者正確? (A)二元樹與二元搜尋樹完全相同,二元樹是二元搜尋樹的簡稱 (B)有些二元樹並非二元搜尋樹,也有些二元搜尋樹並非二元樹 (C)凡二元樹皆為二元搜尋樹,但有些二元搜尋樹並非二元樹 (D)凡二元搜尋樹皆為二元樹,但有些二元樹並非二元搜尋樹
35 設計資料庫時,將二級正規化的關聯(relation)化成三級正規化是要去除下列何者? (A)局部相依(Partial dependency) (B)重複性(Repeating) (C)遞移相依(Transitive dependency) (D)關聯相依(Relational dependency)
36 下列有關網路安全的敘述,何者錯誤? (A)蜜罐(honey pot)是故意設計來讓攻擊者入侵的 (B)沙盒(sandbox)替一些來源不明或可能具破壞力的程式提供試驗環境,以讓沙盒中的所有更動對電腦系 統不會造成損失 (C)應用代理防火牆(application-proxy gateway firewall)可以掃描電子郵件 (D)封包過濾防火牆(packet filter firewall)可以過濾 IP 位址偽裝封包
37 下列有關 IEEE 802.11 通訊安全機制的描述,何者錯誤? (A)802.11 提供開放系統(Open System)、封閉系統(Closed System)及分享密鑰(Shared-Key)三種認證 (Authentication)功能 (B)802.11 採用有線等效加密(Wired Equivalent Privacy, WEP)提供資料保密(Confidentiality)功能 (C)WEP 採用 AES(Advanced Encryption Standard)進行資料加密 (D)802.11 採用 CRC(Cyclic Redundancy Check)提供資料完整性(Integrity)功能
38 下列那一種惡意程式(malware)必須依附於其他程式才能存在? (A)蠕蟲(worm) (B)電腦病毒(virus) (C)木馬(Trojan horse) (D)後門程式(backdoor program)
39 傳統電話線路屬於下列何種通訊技術? (A)線路交換(Circuit Switching) (B)封包交換(Packet Switching) (C)非同步傳輸模式(ATM) (D)碰撞偵測多重存取(CDMA)
40 DHCP 伺服器的功能為何? (A)無線上網密碼認證 (B)使多台電腦共用一個真實 IP (C)配置區域網路中可用的 IP (D)用於轉送封包
申論題 (0)
相關試卷
115年 - 115 身心障礙特種考試_四等_資訊處理:計算機概要#138974
115年 · #138974
115年 - 115 關務特種考試_四等_資訊處理(選試英文):計算機概要#138972
115年 · #138972
115年 - 115 身心障礙特種考試_四等_電子工程:計算機概要#138951
115年 · #138951
115年 - 115 身心障礙特種考試_五等_電腦打字:計算機大意#138949
115年 · #138949
115年 - 115 身心障礙特種考試_三等_電子工程:計算機概論#138849
115年 · #138849
114年 - 114 地方政府公務特種考試_四等_電子工程、電信工程:計算機概要#134700
114年 · #134700
114年 - 114 地方政府公務特種考試_四等_資訊處理:計算機概要#134674
114年 · #134674
114年 - 114 地方政府公務特種考試_三等_電力工程、電子工程、電信工程:計算機概論#134565
114年 · #134565
114年 - 114 專技高考_電子工程技師:電子計算機原理#133573
114年 · #133573
114年 - 114 交通事業港務升資考試_員級晉高員級_技術類—港務:電子計算機概論#133232
114年 · #133232