阿摩線上測驗
登入
首頁
>
國營事業◆1.材料力學 2.複合材料成形及加工
> 101年 - 101 經濟部所屬事業機構_新進職員甄試_航空複合材料:1.材料力學 2.複合材料成形及加工#28495
101年 - 101 經濟部所屬事業機構_新進職員甄試_航空複合材料:1.材料力學 2.複合材料成形及加工#28495
科目:
國營事業◆1.材料力學 2.複合材料成形及加工 |
年份:
101年 |
選擇題數:
60 |
申論題數:
0
試卷資訊
所屬科目:
國營事業◆1.材料力學 2.複合材料成形及加工
選擇題 (60)
1.【圖1】為彈簧圈中心受壓縮力F的情況,求彈簧鋼絲承受扭轉剪力為何? D
w
:彈簧鋼絲直徑 D
m
:圈形彈簧平均直徑
2.【圖2】所示為一平板的受力情形,下列敍述何者有誤?
(A)曹越深,應力愈集中 (B)槽所開的角度愈大,應力愈集中 (C)槽底的圓半徑愈小,應力愈集中 (D)槽所開的角度愈小,應力愈集中
3.試決定下列哪項不是靜不定梁?
4.一鎂金屬製之球體壓力容器厚0.10吋,平均直徑為D=250吋,允許抗拉應力為12500 psi, 此容器之安全内壓為何? (A) 10 psi (B) 20 psi (C) 30 psi (D) 25 psi
5.二立式等高之鋼管製容器,直徑分別為D
1
及D
2
,D
1
=D
2
,内裝滿水,在最大周向應力相 等的條件下,其管厚比t
1
: t
2
為何? (A) 1/4 (B)4 (C)2 (D) 1/2
6•板件正應力及剪應力為σ
x
=6000psi σ
Y
=0
τ
XY
=—4000psi ’其最大剪應力τ
max
為何? (A) 3000 psi (B) 3500 psi (C) 4000 psi (D) 5000 psi
7.【圖3】薄壁鋼瓶平均直徑為D = 2吋,厚度t=0.025吋, 【圖3】 兩頭密封,内裝氣體,壓力為500psi,兩端轴向外力P為 Fp 多少時,可使鋼瓶應力為純剪應力?
(A)4710 lb (B) 4110 lb (C)3510 lb (D) 3710 lb
8.—板件受外力作用後,其三方向之應變均為s,其體積應變為何? (A) ε
3
(B) ε
2
(C) 2ε (D) 3ε
9.長度為L,直徑為D的均質桿件,受一轴向拉力,長度增加S,直徑減少d,則此桿件之蒲松 比 v(poisson,s ratio)為何?
10.下列敘述何者有誤? (A)剪力彈性係數G與幾何形狀無關 (B)彈性係數E與材質無關 (C)一般金屬之蒲松比介於0.25〜0.5之間 r (D)應變ε無單位
11.【圖4】BC鋼線直徑d=l/8吋,AB木支柱斷面為1平方吋, 垂直力P=4001b,求B點之橫向位移為何?(鋼線彈性係數 E
s
=30xl0
6
psi,木材彈性係數E
w
=1.5xl0
6
psi)
(A) 0.029 in (B) 0.039 in (C) 0.047 in (D) 0.057 in
12. —般情況,材料受拉伸或壓縮,彈性係數E=應力(cj)/應變(s),此公式適用之範圍為何? (A)彈性限度内 (B)屈服點内 (C)極限強度内 (D)破壞應力内
13.長2 m,外徑273 mm,壁厚12.5 mm的鋼管,承載中心軸向荷重1.2 MN,已知彈性係數 E=2000 GPa,蒲松比v=0.25,壁厚變化量為何?
(A) -1.59xl0
-6
m
(B) -1.79x10
-6
m
(C) -2.59xl0
-6
m
(D) -2.79x10
-6
m
14.【圖5】板厚t,鉚釘直徑d,拉力P,每根鉚釘所受之平均剪應力為:
15有一受拉力之角鐵6 in><6 inxl/2 in,兩邊熔接於鋼板,參考【圖6】 ,受直接剪力作用P = 1035001b,熔接厚度為l/2in,P作用力通過 角鐵之重心(centroid)a
1
=1.68 in, a
2
=4.32 in,剪應力為 13600 psi, 焊喉厚度為0.353 in,則熔接長度為:
(A) 6.05 in (B) 10.5 in (C) 15.5 in (D) 20.5 in
16.—鋼製連接軸由300馬力馬達傳動,轉速為3600 rpm,允許剪應力 為6000 psi,此連接軸之直徑(提示:
為何? (A) 1.65 in (B) 1.85 in (C) 0.65 in (D) 0.85 in
17.邊長為e之正方形,其對X軸之慣性矩為:(設X,Y為正方形之形心轴)
18.由靜力學平衡三條件ΣF
x
=0,ΣF
y
=0, ΣM = 0,無法求得梁支撐之反作用力的為: (A)懸臂梁 (B)簡支梁 (C)靜定梁 (D)固定梁
19.【圖7】簡支梁中,在4000 lb荷重左邊斷面之剪力V為:
(A) 1625 lb (B) 1725 lb (C)2025lb (D)2625lb
20•通過【圖8】斷面中心轴的最大剪應力為:(假設在此斷面的剪力為V)
21.航太用複合材料中,最常見的複合材料為下列何者? (A)高分子基複合材料(B)金屬基複合材料 (C)陶瓷基複合材料 (D)碳/碳複合材料
22.應用於飛機主要結構件之複材纖維為下列何種材料? (A)玻璃纖維 (B)克維拉纖維 (C)碳纖維 (D)硼纖維
23.下列何種纖維比重最小? (A)玻璃纖維 (B)克維拉纖維 (C)碳纖維 (D)硼纖維
24.下列何者為非00 A(Out of Autoclave)製程? (A) RTM (B) RFI (C)熱壓爐成化 (D)VARTM
25.下列何項製程之成品尺寸精準度最高,表面最光滑? (A) RTM (B) RFI (C) VARTM (D)熱壓爐成化
26.預浸布材料需先預先含浸樹脂,並預熱使材料進入下列何種狀態?故需冷藏儲放以備後續疊 贴成形零件使用。 (A) A 階段(A-stage) (B) B 階段(B-stage) (C) C 階段(C-stage) (D) D 階段(D-stage)
27.飛彈或火箭之彈頭及彈體等圓筒狀零件,通常會選用下列何種成形法製作? (A)隔膜成形法 (B)真空壓力釜成形法(C)樹脂轉注成形法 (D)纏繞成形法
28.下列何種方法為熱固性複材(Thermoset)在結構搭接設計上,所無法採用的方式? (A)膠合 (B)鉚合 (C)熱熔壓接 (D)—體成形
29.複材零件成形後,為方便後續喷漆或膠合,常在外層加一層何種材料? (A)導氣層(Breather) (B)均壓板(Caul Plate) (C)吸膠層(Bleeder) (D)撕離層(Peel Ply)
30.下列何者可以提供複材在熱壓爐内成化時最均勻的壓力來源? (A)氣壓 (B)壓板 (C)沙袋 (D)C型夾
31.下列何種纖維由於其财衝擊性質良好,常用來做為防彈材料使用? (A)玻璃纖維 (B)克維拉纖維 (C)碳纖維 (D)硼纖維
32.下列何項纖維的編織方式對於彎弧形結構可以提供最佳的堆疊積層特性? (A)平面編織(Plain Weave) (B) 4 harness satin(4HS) (C) 5 harness satin(5HS) (D) 8 harness satin(8HS)
33.下列材料中,何者熱膨脹係數最低? (A)鋁合金 (B)玻璃纖維 (C)礙纖維 (D)環氧樹脂
34.由於碳纖維複合材料本身具導電性,使用金屬鉚釘搭接時,容易造成電位腐蝕。以下的避免 方式哪一項是無效的? (A)使用合金鋼鉚釘 (B)使用鈦合金鉚釘 (C)在鉚釘或搭接處塗上一層不導電的膠料 (D)使用複材鉚釘
35.為了解基材與纖維表面之相互作用是否良好,可以藉由以下何種機械性質測量來得知? (A)拉張強度 (B)壓縮強度 (C)短樑剪切強度 (D)彎曲強度
36.下列何種方式為熱固性樹脂含浸纖維的方式中,可以得到最佳的材料性質,而為航太工業所 常見? (A)溶液含浸法 (B)熱熔含浸法 (C)薄膜堆積法 (D)粉末被覆法
37.樹脂轉注成形法中,模具材料的選用,如考慮成品的表面品質,則下列材料何者最佳? (A)鋁合金 (B)合金鋼 (C)玻璃纖維/環氧樹脂(D)碳纖維/環氧樹脂
38.在下列儀器設備中,何者不適合用來量測複材的玻璃轉移溫度? (A) DSC (B) DMA (C) FTIR (D) TMA
39.在複材結構搭接上,下列何者較不適合應用於熱固性複材? (A)膠合 (B)鉚合 (C) 一體成形 (D)熱熔壓接
40.執行複材零件非破壞性檢測時,以下何種方法並不適用? (A)玻璃溫度轉移法 (B)敲擊試驗法 (C)超音波檢測法 (D)X光檢測法
41.則A點位移為: (A) 1.4xl0
-4
m (B) 2.4xl0
-4
m (C) 3.4x10
-4
m (D) 4.4xl0
-4
m
42.承第41題,b點位移為: (A) 7x10
-4
m (B)8xl0
-4
m (C) 9xl0
-4
m (D) l0xl0
-4
m
43.承第41題,C點固定端最大彎曲正向應力(σ
max
)為: (A) 105 MPa (B) 115 MPa (C) 125 MPa (D) 135 MPa
44.承第41題,AC轴最大扭轉剪應力為: (A) 32.9 MPa (B) 35.9 MPa (C) 37.9 MPa (D) 39.9 MPa
45.【圖10】長度同為L之桿和套管之組合體,兩者之 截面積及彈性係數分別為A
1
, E
1
及A
2
,E
2
,當盲 板受水平負荷P作用時,桿和套管之變形量為:
46.同樣承受拉力P,且應力均勻分佈 於斷面,比較三拉力桿件的應變能,何者為正確? ―彡上 (A)—樣大 (B)⑻桿件最大 (C)(b)桿件最大 (D)(c)桿件最大 7
47.承第46題,求(c)與⑻情況應變能之比例為何? ⑷ (b) (c) (A)l 倍 (B)4 倍 (C)2 倍 (D)0.2 倍
48.其彈性係數E,截面積分別為ApAyAs,請問ab段,be段 ,cd段之應力分別為•
(A) 4P/A
1
, P/A
2
,-P/A
3
(B) 3P/A
1
,P/A
2
,-P/A
3
(C) 4P/A
l
,2P/A
2
,-P/A
3
(D) 3P/A
1
,2P/A
2
,-P/A
3
49.承第48題,全桿的總伸長量(δ)為?
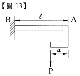
50.【圖13】懸臂梁一端嵌入牆中,另一端固定一托架, 請選出AB部分正確的撓矩圖(a=e/3)。
51.下列何者較不適合用來做為製作碳纖維的母材? P (A)環氧樹脂(Epoxy) (B)聚丙烯腈(PAN) (C)瀝青(Pitch) (D)嫘縈(Rayon)
52.以下比較後纖維及石墨纖維性質中,何者不正確? (A)碳纖維的純度約為93-95%的碳含量 (B)石墨纖維的純度約為95%以上的碳含量 (C)其母材來源均相同 (D)母材經1500°C高溫純化後,即可成為石墨纖維
53.在複材選材時,選擇熱塑性基材而不選擇熱固性基材的主要原因中,下列何者不正確? (A)生料不需冷藏 (B)較佳的耐衝擊性 (C)高脫層抵抗力 (D)纖維浸潤性好
54.複合材料性質中,下列何者不正確? (A)承受負載的功能者主要為纖維 (B)石墨纖維再經高溫純化後,即成為碳纖維 (C)耐溫/耐環控性質主要由樹脂來決定 (D)樹脂可以保護纖維以避免摩擦及衝擊
55.在下列成形法中,哪種成形法可以說是複材加工方法中最高度自動化與最適合連續生產的技 術,而主要用來生產截面形狀固定的零件? (A)射出成形法 (B)隔膜成形法 (C)自動疊貼法 (D)拉擠成形法
56.在複材零件成形時,為控制樹脂含量,常在外層加一層何種材料? (A)導氣層(Breather) (B)均壓板(Caul Plate) (C)吸膠層(Bleeder) (D)撕離層(Peel Ply)
57.下列測試方法中,何者不適合用來檢測純複材板的機械性能? (A)拉張(Tension)強度 (B)壓縮(Compression)強度 (C)平張拉力(Flat wise)強度 (D)層間剪切(ILSS)強度
58.在複材熱固性基材性質描述中,下列何者不正確? (A)成化過程會發生化學反應 (B)成化後可以重新加熱塑形 (C)化學反應可以加熱方式加快反應速率 (D)成化後的樹脂是永久而且是不軟化的固體
59.下列何者非為複材中強化材的特性? (A)承受負載 (B)決定剪切強度 (C)決定電氣性質 (D)決定拉張強度
60.下列何者非為複材中基材的特性? (A)決定勁度 (B)保護纖維避免傷害(C)將纖維固定 (D)傳輸積層板之負載
申論題 (0)
相關試卷
102年 - 102 經濟部所屬事業機構_新進職員甄試_航空複合材料:1.材料力學 2.複合材料成形及加工#28358
102年 · #28358