阿摩線上測驗
登入
首頁
>
農機設計學
> 101年 - 101 高等考試_二級_農業機械:高等農機設計學#44820
101年 - 101 高等考試_二級_農業機械:高等農機設計學#44820
科目:
農機設計學 |
年份:
101年 |
選擇題數:
0 |
申論題數:
13
試卷資訊
所屬科目:
農機設計學
選擇題 (0)
申論題 (13)
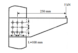
【已刪除】一、有 8 個鉚釘之鋼架鉚接於某一農機具如下圖所示,假設鉚釘之拉應力容許值(allowable tensile stress value)為 23 MPa,剪應力容許值(allowable shear stress value)為 12 MPa,求鉚釘所需之最小直徑?(25 分)
⑴假設採用均勻磨耗(uniform wear)理論,請以 D, d 及 P 等分別推導 F 及 T 之表 示式。(7 分)
⑵同⑴之假設,若摩擦接觸面間之正向作用力為 3 kN,則最大壓力為若干 kPa?而 傳遞扭矩為若干 N-m?(6 分)
⑶假設採用均勻壓力(uniform pressure)理論,請以 D, d 及 P 等分別推導 F 及 T 之 表示式。(6 分)
⑷同⑶之假設,若摩擦接觸面間之正向作用力亦為 3 kN,則最大壓力為若干 kPa? 而傳遞扭矩為若干 N-m?(6 分)
⑴若該曳引機安裝規格為 205/65 R 16 之橡膠輪胎,則該輪胎之理論設計直徑為若 干 mm?(7 分)
⑵假設以上述⑴之直徑為基準,在不考慮車輪打滑的情況下,則下圖之變速箱輸出 軸 1 之轉速為若干 rpm?(6 分)
⑶該曳引機於田間作業時右輪不慎掉入溝渠卡住,若變速箱輸出軸 1 之轉速仍維持 不變,則左輪之轉速為若干 rpm?(6 分)
⑷一般曳引機的設計是利用何種裝置來克服上述⑶的問題,讓右輪順利離開溝渠? (6 分)
⑴假設油壓泵之排量(displacement volume)為 50 cc/rev,且泵之容積效率與機械 效率分別為 90 %及 95 %,在引擎轉速為 1750 rpm 之情況下,該油壓泵之實際輸 出流量為每分鐘若干公升?(5 分)
⑵若油壓泵之出口壓力為 10.5 MPa,則油壓泵所需之功率為若干 kW?(5 分)
⑶在上述⑵情況下,引擎需要提供的功率為若干 kW?(5 分)
⑷假設選用的油壓缸為加壓型雙動單桿式,且缸端側活塞之有效面積與桿端側活塞 之有效面積的比值為 1.25,油壓泵輸出液壓油經過管路與控制閥進入油壓缸前之 壓力損失為 1.5 MPa,若活塞之背壓為 500 kPa,在考慮油壓缸機械效率為 95 % 的情況下,要產生 16 kN 力量推動負載,則該油壓缸之缸徑與活塞桿直徑分別為 若干 mm?(10 分)
相關試卷
106年 - 106 高等考試_二級_農業機械:高等農機設計學#65191
106年 · #65191
102年 - 102 高等考試_二級_農業機械:高等農機設計學#44038
102年 · #44038
99年 - 99 高等考試_二級_農業機械:高等農機設計學#46306
99年 · #46306
98年 - 98 高等考試_二級_農業機械:高等農機設計學#47766
98年 · #47766