所屬科目:A.機械製造、B.機械電學
41.如右圖【圖41】所示,流過4Ω電阻器兩端的電流值為多少安培{A} ? (A)8A (B)9A (C)10A (D)11A
50.下列哪一俩因素與電感抗無關? (A)頻率 (B)2π (C)電感 (D)電流
51.電器符號中表示什麼意義? (A)接地 (B)線圈 (C)保險絲 (D)電瓶
52.為降低誤差,下列何者為測量電阻時,伏特計與安培計的正確接線?(A)(B)(C)(D)
56.如右圖【圖56】所示,電流I2為若干? (A)2A (B)3 A (C)4A (D)5 A
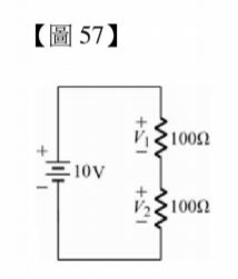
57.如右圖【圖57】所示的電壓V2為若干? (A)5 V (B)10V (C)15 V (D)20V
58.電解電容器上標示50μF,其中μ所代表的意義為何? (A) 10-3 (B) 10-6 (C) 10-9 (D) 10-12
59.如右圖【圖59】所示,其中a、b兩端的電容量為多少? (A)2μF (B) 18μF (C)0.5μF (D)9μF
60.如右圖【圖60】所示的電氣符號表示何稱意義? (A)電感器 (B)電阻器 (C)交流電源 (D)直流電源
64.將18Ω及9 Ω的兩個電阻並聯後的總電阻為多少歐姆(Ω) ? (A)27Ω (B)18Ω (C)9Ω (D)6Ω
65.工業配電符號中的,表示何稱意義? (A)電磁接觸器上接點 (B)電磁接觸器輔肋接點(C)電磁接觸器線 (D)電動機線
66.工業配電符號中,斷電延遲式計時電驛(OFF DELAY TIMER)的b接點符號為下列何者?(A)(B)(C)(D)
70.如右圖【圖70】所示,其中的測量工具為下列何者? (A)厚薄規 (B)測微器 (C)游標卡尺 (D)丁字尺
73.現有一俩電阻為8 Ω,電抗為6 Ω的線圈,則其阻抗為多少? (A)7Ω (B)8Ω(C)9Ω (D)10Ω
78.每當使用三用電錶測量電阻值時,皆要做0Ω的歸零調整,其主要目的是在補償下列何者? (A)指針靈敏度 (B)探棒電阻 (C)視覺誤差 (D)電池老化