阿摩線上測驗
登入
首頁
>
坡地保育規劃與設計
> 102年 - 102 高等考試_三級_水土保持工程:坡地保育規劃與設計#44111
102年 - 102 高等考試_三級_水土保持工程:坡地保育規劃與設計#44111
科目:
坡地保育規劃與設計 |
年份:
102年 |
選擇題數:
0 |
申論題數:
5
試卷資訊
所屬科目:
坡地保育規劃與設計
選擇題 (0)
申論題 (5)
一、何謂綜合水土保持?(4 分)試說明其優點以及其規劃內容,並簡述「農路」、「農塘 與灌排系統」及「防風」之設計原則。(16 分)
二、請簡述訂定「山坡地範圍劃定及檢討變更作業要點」之目的,說明山坡地範圍劃出 之作業程序。(14 分)試述已「劃入」為山坡地範圍之土地,在何種情況下可「劃 出」山坡地範圍,並列出水土保持單位就山坡地範圍劃出之初審意見項目。(11 分)
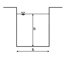
【已刪除】三、請說明坡地排水系統之設置目的與其設計洪水量之原則。(10 分)假設某地區 50 2407.7 年重現期之降雨強度公式為
,集流時間 t=20 min,開發 (t + 41) 0.66921 面積為 2.5 ha,逕流係數為 0.6,試以合理化公式計算其洪峰流量。利用上述洪峰流 量以及曼寧公式,試計算下圖中最小之 b 值,假設:曼寧粗糙係數=0.028、溝底 坡降=1/100。(10 分)
四、試述崩塌地治理與植生對策之基本考量。(15 分)
五、請說明「莫拉克颱風災後永久性設施重建」水土保持計畫內容應包含之項目。(20 分)
相關試卷
114年 - 114 地方政府公務特種考試_三等_水土保持工程:坡地保育規劃與設計(包括沖蝕原理)#134549
114年 · #134549
114年 - 114 公務升官等考試_薦任_水土保持工程:坡地保育規劃與設計#133121
114年 · #133121
114年 - 114 高等考試_三級_水土保持工程:坡地保育規劃與設計(包括沖蝕原理)#128502
114年 · #128502
113年 - 113 地方政府公務特種考試_三等_水土保持工程:坡地保育規劃與設計(包括沖蝕原理)#124465
113年 · #124465
113年 - 113 高等考試_三級_水土保持工程:坡地保育規劃與設計(包括沖蝕原理)#121281
113年 · #121281
112年 - 112 地方政府特種考試_三等_水土保持工程:坡地保育規劃與設計#118177
112年 · #118177
112年 - 112 公務升官等考試_薦任_水土保持工程:坡地保育規劃與設計#117154
112年 · #117154
112年 - 112 高等考試_三級_水土保持工程:坡地保育規劃與設計#115535
112年 · #115535
111年 - 111 地方政府特種考試_三等_水土保持工程:坡地保育規劃與設計#112419
111年 · #112419
111年 - 111 高等考試_三級_水土保持工程:坡地保育規劃與設計#109517
111年 · #109517