所屬科目:技檢◆室內配線(屋內線路裝修)-甲級
1.電動機不同時啟動時,其幹線過電流保護器之電流額定應為各分路中最大額定之電動機之全載電流幾倍再與其他各電動機額定電流之和?(A)2.5(B)1.25(C)1.5(D)1.15。
2.額定輸出為100kVA之單相變壓器用以供給功率因數為100%之負載,於3/4負載時其效率最大,如負載功率因數改為80%時,且使其效率也最大,則所供給之負載為多少kW?(A)65 (B)70(C)60(D)75。
3.一額定為90kVA的變壓器,負載功率因數為0.8,在滿載時,可獲得最大效率為96%,滿 載時銅損為多少W?(A)1440(B)3200(C)2560(D)1800。
4.面積為100平方公尺之辦公室,為獲得約200勒克斯(Lx)之平均照度,設照明率為0.5,40 瓦日光燈每只之光束為2000流明(Lm),需裝設40瓦日光燈多少支?(A)40(B)30(C)20(D)50。
5.高壓配電盤之裝置須不會使工作人員於正常工作情況下發生危險,否則應有適當之防護設 備,其通道原則上宜保持在多少公厘以上?(A)800(B)700(C)500(D)600。
6.某一用戶經電度表測得20分鐘使用20kWH之電度,則該20分鐘用電之平均負載為多少k W?(A)30(B)20(C)80(D)60。
7.電極式液面控制器不適用於下列何種場所?(A)地下水池(B)絕緣油槽(C)水塔(D)儲水槽。
8.交流發電機用旋轉磁場式之優點是(A)可消除電樞反應(B)絕緣容易(C)可增加磁通(D)可改善波 形。
9.放電管燈之附屬變壓器或安定器,其二次開路電壓在1000伏以上者,其二次線若以金屬導線 管配裝單心導線,其長度不得超過多少公尺?(A)12(B)3(C)6(D)8。
10.如下圖可程式控制器掃描一週的時間(scantime)為15ms,現有兩個輸入信號,其中一個輸 入信號的動作時間為10ms,另一個是30ms,若依照下列輸入信號與掃描時間的關係圖所示, 哪一點的輸入信號將無法正確地被PLC讀取?
(A)C(B)B(C)無法判斷(D)A。
11.非接地系統之高壓用電設備接地應採用下列何種接地?(A)第一種(B)第三種(C)特種(D)第二種。
12.在反鐀控制系統中,由於響應不能達到理想的目標值,因此需要改善該響應,並使系統趨於 更穩定,此種特性的改善稱為(A)暫態特性(B)穩態特性(C)特性補償(D)頻率響應。
13.依工業安全衛生標示設置準則,尖端向上之正三角形係表示(A)警告標示(B)禁止標示(C)注意標 示(D)一般說明標示。
14.過壓電驛之屋內配線設計圖符號為(A)(B)(C)(D)。
15.某負載電源為1ψ11.4kV,60Hz,為提高功率因數應並聯500kVAR之電力電容器,則電容 器應為多少μf?(A)12.20(B)13.20(C)10.20(D)11.20。
16.220伏特2000W之電熱爐如改接於110伏特電源時,其消耗之功率約為(A)500W(B)1000W(C)100W(D)2000W。
17.下列直流電動機中,何者起動轉矩最大?(A)積複激式(B)串激式(C)他激式(D)分激式。
18.下列電力電容器之損失角(LossAngle),多少度時之損失為最小?(A)30(B)90(C)45(D)60。
19.某一電力用戶在功率因數為0.7時的線路電力損失為5kW,若在實功率不變下,將功率因數 提高到0.95,則改善功因後的線路電力損失為多少kW?(A)6.786(B)1.936(C)2.715(D)2.285。
20.用電設備單獨接地之接地線或用電設備與內線系統共同接地之連接線,若過電流保護器之額 定或標置在200安時,其銅接地導線之最小線徑為多少平方公厘?(A)14(B)8(C)38(D)22。
21.裝置進相用高壓電容器之目的為(A)增加絕緣強度(B)改善功率因數(C)保護線路(D)增加機械強 度。
22.有效電度表因故障而計算失準時,隔月抄表收費用戶,按其前幾次計費之用電度數平均值推 算?(A)一次(B)三次(C)二次(D)四次。
23.22.8kV供電之高壓用戶,其裝設之避雷器規格應選用多少kV?(A)18(B)24(C)12(D)9。
24.低壓電源系統經接地後,其對地電壓超過多少伏特者,不得接地?(A)150(B)300(C)220(D)250。
25.架空線支持物與鐵軌之間隔應保持多少公尺以上?(A)3.0(B)3.5(C)5(D)1.5。
26.三相四極60Hz之電動機其全載之轉速為1745rpm,其轉差率約為多少%?(A)10(B)60(C)30(D)3。
27.電力系統上有諧波負載,如加入電容器組造成並聯共振將造成何種現象?(A)諧波電流減少(B) 諧波電壓減少(C)諧波電流放大(D)諧波電壓放大。
28.一工廠動力最大負載為120kW,照明最大需量為50kW,二者功率因數均為0.8,若需量因 數均為50%時,此工廠的設備容量應為多少kVA?(A)200(B)425(C)170(D)400。
29.日光燈啟動器兩端並小電容器,其目的為(A)改善功因(B)穩定電壓(C)減少收音機雜音(D)幫助日 光燈起動。
30.架空線支持物與消防栓之間隔應保持多少公尺以上?(A)1.2(B)1.0(C)0.8(D)1.5。
31.架空地線與非接地導線之夾角稱為保護角,雷害較多區域,一般保護角約為(A)30°(B)20°(C)70° (D)50°。
32.高壓用隔離開關主要目的係作(A)切斷過載電流用(B)切斷負載電流用(C)切斷故障電流用(D)停電 修理用。
33.區分器之屋內配線設計圖符號為(A)(B)(C)(D)。
34.低壓電路新設時絕緣電阻建議多少MΩ以上?(A)1(B)50(C)0.1(D)10。
35.白熾燈之供電電壓如降低10%時,電燈之光束輸出約降低多少%?(A)30(B)20(C)5(D)10。
36.需量契約容量計費之用戶,當月用電最高需量超出其契約容量者,其超過契約容量10%以上 部分,按其用電適用電價多少倍計收基本電費?(A)2(B)4(C)1(D)3。
37.工廠之電力系統其幹線接有低壓電動機5台,最大一台之負載電流為60A,其餘4台負載電 流合計50A,則幹線之導線安培容量應選擇多少A以上?(A)100(B)125(C)80(D)90。
38.一電熱線長為L,功率為1000W,斷線後經連接,其長度變為原來之80%,其功率變為多少 W?(A)2500(B)2000(C)1000(D)1250。
39.依工業安全衛生標示設置準則,禁止標示之圖形係採用(A)三角形(B)正方形(C)圓形(D)長方形。
40.對於貫穿型CT而言,下列何者是不變的?(A)一次匝數(B)一次側電流(C)二次匝數(D)變流比。
41.11.4kV三相四線式高壓配電線路導線與房屋之水平間隔應保持在多少公尺以上?(A)1.5(B)1.2 (C)3(D)2.5。
42.有一光度為100燭光之光源,照射直下2公尺桌面及距直下0.5公尺處範圍。則該照射範圍 內照度為多少勒克斯(Lx)?(A)25~50(B)23~25(C)15~20(D)0~15。
43.附變壓器之電弧電焊機,過電流保護器額定或標置不得大於該電焊機一次側額定電流之多少 倍?(A)1.5(B)3(C)2.5(D)2。
44.三相繞線式感應電動機,在滿載時轉差率為4%,轉子每相電阻為1Ω,若欲使此電動機的起 動轉矩等於滿載轉矩,則此時轉子外部每相應串接多少Ω的電阻?(A)24(B)30(C)12(D)36。
45.下列何者可測定變壓器負載損失及阻抗電壓,並可計算電壓變動率與效率?(A)負載試驗(B)絕 緣電阻測定(C)電壓比試驗(D)線圈電阻測定。
46.保護大容量變壓器之內部故障,應選用何種電驛,其代號應為(A)59(B)55(C)87(D)27。
47.某直流串激電動機,當取用30安培電流時,轉速為1000rpm,若負載轉矩加倍且磁場未飽和, 則電流約變為若干安培?(A)84.8(B)30(C)60(D)42.4。
48.三相感應電動機中,設每相繞組所產生之最大磁通為,則定子繞組之旋轉磁場為多少 ?(A)2(B)1.5(C)3(D)1。
49.69kV線路活線礙子注水清掃,噴嘴與加電壓部分之水柱距離,無論何時必須保持至少多少公 尺?(A)1.25(B)1.5(C)1.2(D)1.0。
50.變壓器之其負載大小與下列何者無關?(A)鐵損(B)溫昇(C)銅損(D)電壓調整率。
51.輸電線路採用複導體的主要功用為(A)提高電暈臨界電壓(B)減少輸電容量(C)增加線路阻抗(D)減 少線路電容。
52.申請裝置契約容量之用戶,其電焊機每一入力千伏安應按多少千瓦計算契約容量?(A)0.5(B)0.3(C)0.9(D)0.7。
53.汽電共生用戶系統之發電機組為感應發電機型,併聯時電壓驟降不得超過多少%?(A)5(B)3(C)10(D)2.5。
54.某工廠之設備容量為120kW、功因為80%、需量因數為60%,擬以兩具單相變壓器接成V- V接線供電時,單具變壓器之容量約為多少kVA?(A)52(B)62(C)42(D)72。
55.由水輪機驅動之三相同步發電機,其轉速為300rpm,發電電壓頻率為60赫(Hz)時,則此三 相同步發電機之極數應為多少極?(A)8(B)16(C)24(D)12。
56.為有效降低接地電阻,接地極間之距離不得小於多少公尺?(A)1.8(B)1.5(C)1.2(D)1.0。
57.依屋外供電線路裝置規則,若欲採用直埋裸銅線為接地極,其直徑應大於0.4公分,埋入深 度不得小於多少公分?(A)90(B)10(C)180(D)30。
58.電熱器之電阻為75Ω,通過2A之電流,若使用5分鐘,該電爐產生之熱量為多少卡?(A)35000(B)90000(C)50000(D)21600。
59.為補償線路之電感抗、改善功率因數及變動負載線路引起之閃爍現象常利用下列何種方式改 善?(A)串聯電容器(B)並聯電抗器(C)並聯電阻器(D)並聯電容器。
60.某變壓器額定輸出為10kVA,在額定電壓鐵損為120W,銅損為180W,功因為0.8落後, 使用於滿載時,其效率為多少%?(A)98.2(B)88.3(C)86.4(D)96.5。
61.受電端電壓高於送電端電壓時,改善功率因數應並聯(A)電抗器(B)電容器(C)電阻器(D)同步進相 機採越前電流。
62.以防止感電事故為目的而裝設之漏電斷路器應採用(A)中感度延時形(B)高感度高速形(C)中感度 高速形(D)高感度延時形。
63.輸電線間電容由C法拉增加到2C法拉時,若外加電壓不變,而頻率減半,則其充電電流(A) 減半(B)減少3/4(C)加倍(D)不變。
64.計量用PT161kV/110V,0.3Z,其規格中Z是表示多少VA(負擔)?(A)35(B)25(C)75(D)200。
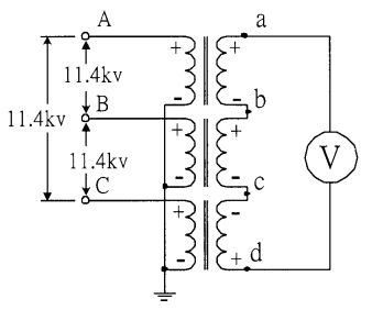
65.電力系統故障時,非對稱故障電流與對稱故障電流比值(非對稱係數K)與該系統之下列何者 有關?(A)R/X(B)Z/R(C)R/Z(D)X/R。
66.三具單相6.6kV/220V變壓器,作如下圖所示之連接,並接於三相11.4kV平衡電源,其中第 三具極性為加極性,則電壓Vad之值為多少V?
(A)220(B)(C)440(D)0。
67.3ψ161/22.8kV特高壓變壓器,二次側採直接接地供電系統,其避雷器額定電壓值應選用多 少kV?(A)24(B)18(C)12(D)9。
68.三相5HP交流感應電動機,原接於頻率為50Hz之電源,若改接於60Hz,則其轉速將(A)減少20%(B)轉速保持不變(C)無法啟動(D)增加20%。
69.下列保護電驛之編號,何者與電流無關?(A)67(B)27(C)50(D)51。
70.台電3相4線22.8kV,Y接線多重接地系統避雷器之額定電壓應選用多少kV?(A)4.5(B)24 (C)18(D)9。
71.依電器承裝業管理規則規定,承裝業申請停業,期限不得超過幾年?(A)四(B)二(C)一(D)三。
72.供應人工點焊機之分路導線,其安培容量不得低於電焊機一次額定電流之百分之多少?(A)70 (B)50(C)40(D)30。
73.某一300kVAR,額定電壓為7.96kV的三相電力電容器,被接在7.2kV的系統上使用,請問 在此電壓(7.2kV)下此電容器供給的虛功率約為多少kVAR?(A)271(B)245(C)367(D)332。
74.下列何者為避雷器之特性?(A)放電阻抗高(B)放電時間長(C)正常時阻抗低(D)放電電流大。
75.理論上最大非對稱故障電流之有效值為對稱故障電流有效值之多少倍?(A)√3(B)1.6(C)√2(D)2。
76.在用戶用電範圍內,25kV電力電纜以厚金屬管裝置埋設於地下時,其最小埋設深度為多少公 厘?(A)160(B)300(C)610(D)460。
77.容量為200MW之甲乙兩部同步發電機,其下垂特性分別為:甲機無載時之頻率為60Hz,輸 出50MW之頻率為59.5Hz;乙機無載時之頻率為60.5Hz,輸出100MW時之頻率為60Hz。 現此二部發電機並聯運轉以供應負載,若不考慮損耗,且供應負載為300MW時,欲令此二 同步發電機各分擔150MW時,且乙機下垂特性不變動,則甲機之調速系統應調整成無載之 頻率為多少Hz?(A)60.5(B)61(C)61.25(D)60.75。
78.一般使用接戶電纜作為接戶線時,跨越主要道路應離路面多少公尺以上?(A)6(B)5.5(C)4(D)5。
79.低壓變頻器外殼應按下例何種接地施工?(A)第一種(B)特種(C)第三種(D)第二種。
80.PT為3300/110伏,CT為200/5安,當電度表累計度數為10度時,則實際用電度數為多少 度?(A)24000(B)12000(C)300(D)400。