所屬科目:技檢◆鍋爐操作-甲級
第一題題目:就鍋爐運轉時,試列舉5項會影響過熱蒸汽溫度變化的因素及其原因?
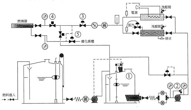
第二題題目:下圖顯示C級重油的燃料油供給裝置的結構。請描述編號①~⑤所示設備的名稱和功能。
(一)某事業單位鍋爐已有檢查合格瞪,現因檢修維護之需要,须更换其過熱器及節煤器,業者依法須辦理事項及法令依據為何?
(二)某單位鍋爐設置於地下室,如因通風不良,且鍋爐不完全燃焼,產生廢氣滯留室内,為避免造成危害,業者依法須辦理事項及法令依據為何?
(三)某業者之熟媒鍋爐如因高温熱煤洩漏有引燃鄰近物件、火勢順延排煙管線延燒之虞,為避免釀成重大火災事故,業者依法須辦理事項及法令依據為何?
(一)試列舉3種不同的水位檢測型式。
(二)列舉4項熱媒鍋爐燃燒機啟動前應判定為不可啟動的異常警示。
(三)過熱器耐熱鋼管因鋼材不同而分別適用於最高使用温度,請就下表填入3 種鋼管之最高使用溫度。
(一)請簡要列舉2項設置通熱器的優點。
(二)請簡要列舉2項設置節煤器的目的。
(三)請簡要列舉2項設置空無預熱器的目的·
(四)請簡要列舉1項設置再熟器的目的。
(一)請列出丙烷燃燒化學反應式·
(二)每公斤丙烧燃燒產生之 CO2理論量及 H2O理論量·
(三)每公斤丙婉燃燒所需之理論空氣量。
(四)每公斤丙烷燃燒所產生之過剩空氣量·
(五)實際產生之濕燃挠無體量為多少?