阿摩線上測驗
登入
首頁
>
國營事業◆1.計算機概論 2.電子學
> 103年 - 103 經濟部所屬事業機構_新進職員甄試_電機(乙):1.計算機概論 2.電子學#18983
103年 - 103 經濟部所屬事業機構_新進職員甄試_電機(乙):1.計算機概論 2.電子學#18983
科目:
國營事業◆1.計算機概論 2.電子學 |
年份:
103年 |
選擇題數:
40 |
申論題數:
0
試卷資訊
所屬科目:
國營事業◆1.計算機概論 2.電子學
選擇題 (40)
1. 硬碟移動讀寫頭至某一特定磁軌所需的時間稱為? (A)延遲時間(Latency time) (B)起始時間(Initial time) (C)搜尋時間(Seek time) (D)轉速(Spindle speed)
2. 堆疊(stack)屬於下列哪一種資料結構? (A)先進先出 (B)後進先出 (C)只出不進 (D)只進不出
3. 關聯式資料庫在設計資料表之間的關聯時,常需對資料分析、切割及合併,以避免或降低資 料重複及維持資料一致性及完整性,此動作稱為下列何者? (A)正規化 (B)虛擬化 (C)結構化 (D)具體化
4. 1000Base-LX應敷設哪一種纜線? (A)無遮蔽式雙絞線 (B)遮蔽式雙絞線 (C)光纖電纜 (D)電話線
5. 採偶數位元檢查之漢明碼(Hamming code)為1101101,請找出從左邊算起第幾位元發生錯誤? (A) 4 (B) 5 (C) 6 (D) 7
6. ISO之OSI七層中,哪一個協定層可確保資料正確傳送至資料接收端? (A)傳輸層(Transport Layer) (B)網路層(Network Layer) (C)資料連結層(Data Link Layer) (D)應用層(Application Layer)
7. IEEE 802.11標準之媒介存取控制採用下列哪一種協定? (A) CSMA/CD (B) CSMA/CA (C) WAP (D) AES
8. 下列哪項介面為並列式資料傳輸? (A) IDE/ATA (B) SATA (C) USB (D) IEEE 1394
9. 下列何者不是物件導向程式語言的主要特性? (A)繼承性(Inheritance) (B)封裝性(Encapsulation) (C)遞迴性(Recursion) (D)多型性(Polymorphism)
10. 下列哪一種偵錯編碼方法,同時具有錯誤更正能力? (A)同位元檢查(Parity bit check) (B)漢明碼(Hamming code) (C)循環冗餘碼(Cyclic Redundant Code) (D)檢查和(Checksum)
11. 以奇數個反相器串接,再將最後一個反相器的輸出端接至第一個反相器的輸入端,可形成環 型振盪器,該振盪器可產生何種穩定的波形信號? (A)三角鋸齒波 (B)波形震盪最後發散 (C)正弦波 (D)方波信號
12. 如右圖方波波峰電壓為10 V,於二極體端加上 VR=5 V時,當輸出方波在負半週時,V0峰值電 壓應為?
(A) -25 V (B) -15 V (C) 5 V (D) 15 V
13. 零點與極點概念中,發生極點之處,增益X,移相Y且極點之後每十倍頻增益Z,請依前述X ,Y,Z依序填入正確敘述。 (A)增加3 dB,+45度,增加10 dB (B)衰減-6 dB,-45度,增加20 dB (C)衰減-3 dB,-45度,下降20 dB (D)增加3 dB,+45度,增加20 dB
14. 比較晶體基本偏壓組態,下列敘述何者正確? (A)共閘極:輸入阻抗大,輸出阻抗小,輸入與輸出信號同相 (B)共射極:電壓增益大,輸入與輸出信號反相 (C)共汲極或稱源極隨耦器:輸入阻抗小,輸出阻抗大,輸入與輸出信號反相 (D)達靈頓晶體:輸入阻抗大,輸出阻抗小,輸入與輸出信號反相
15. 如右圖限流保護電路,設若Q1、Q2的β=200, Vin=12 V,V
1
=0.6 V,輸出端至接續後級 線路間可接上短路保護保險絲安培數為何?
(A) 1 A (B) 1.5 A (C) 2 A (D) 3 A
16. 如右圖為何種回授放大器?
(A)電流串聯負回授 (B)電流並聯負回授 (C)電壓並聯負回授 (D)電壓串聯負回授
17. 如右圖精密半波整流電路,若R1=100 kΩ,Vi(t)=10sinωt V, 若輸出電壓V0平均值要達6.36 V,則R2=?
(A) 180 kΩ (B) 200 kΩ (C) 220 kΩ (D) 320 kΩ
18. 如右圖CMOS FET之邏輯電路是何種邏輯閘?
(A) NAND (B) XOR (C) OR (D) AND
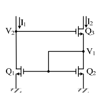
19. 設若如右圖電流鏡VT1=VT2=VT3=2 V,
,且 I
1
=1 mA,試求V2電壓=?
(A) 3 V (B) 4 V (C) 6 V (D) 12 V
20. 如右圖達靈頓電路中若每個晶體 β=150 , RE=680 Ω,則Rin輸入電阻為?
(A) 680 Ω (B) 7.24 MΩ (C) 15.3 MΩ (D) 26.5 MΩ
21. 小明到光華商場買了1 TB的外接式USB硬碟,格式化成NTFS格式後,發現硬碟總容量只有 931.3 GB,請問為何會有如此容量的差異? (A)USB硬碟製造廠商使用一部分硬碟空間放置各種作業系統驅動程式 (B)硬碟標示總容量以10進位表示,實際總容量以2進位計算 (C)硬碟標示總容量以2進位表示,實際總容量以10進位計算 (D)硬碟被零售商分割成較小的分割磁區
22. IPv4的IP位址長度使用4 Bytes,IPv6的IP位址使用多少個Bytes? (A) 10 (B) 12 (C) 16 (D) 24
23. 求(11001100)
2
的2補數(2’s complement)? (A) 00110100 (B) 00110011 (C) 10001101 (D) 00110111
24. 有一函式f(A, B, C) = Π(0, 1, 5, 6),求最簡式積之和(Sum of Product)?
25. 下列何者不是對稱式加密演算法? (A) DES (B) IDEA (C) RSA (D) RC4
26. 一般家庭所使用的IP分享器是對應OSI模型第幾層的網路設備? (A) 1 (B) 2 (C) 3 (D) 4
27. Class B IP網路之網路數目為下列何者? (A) 126 (B) 16,384 (C) 65,534 (D) 2,097,152
28. 下列哪一項為右圖之輸出函數?
(A) A⊕B⊕C (B) B⊕C⊕D (C) A⊕C⊕D (D) A⊕B⊕C⊕D
29. 網路管理員常使用ping指令來測試網路連結狀態,它是用哪一種通訊協定的echo request封包 來測試網路? (A) ARP (B) ICMP (C) UDP (D) RARP
30. 下列哪一項SQL關鍵字(keyword)不屬於資料處理語言(DML, Data Manipulation Language)? (A) INSERT (B) DELETE (C) CREATE (D) SELECT
31. 如右圖三級串級回授放大器圖,各電晶體Q1、 Q2、Q3,β=120,V
BE(on)
=0.7 V,V
T
=26 mV ,求得Q
3
,gm≒?
(A) 19 mA/V (B) 33 mA/V (C) 50 mA/V (D) 78 mA/V
32. 三級串級放大器,若每一級截止頻率都相同,即fL=300 Hz,fH=50 kHz,則該三級串級放大器 之頻寬B應為何? (A) 19.8 kHz (B) 24.9 kHz (C) 49.7 kHz (D) 50.3 kHz
33. 如右圖FET偏壓電路,給定VT=1 V,
在忽略通道長 度調變效應(Channel-length Modulation effect)下,求ID電流?
(A) 0.23 mA (B) 0.36 mA (C) 0.5 mA (D) 0.89 mA
34. 如右圖非反相放大器線路,OP運算放大器開回路增益Aυ=10
4
, 依負回授理論,A
Vf
=A
V
/(1+βA
V
),試求該放大器開回路增益AV 為何?
(A) 7865 (B) 8071 (C) 8254 (D) 8737
35. 如右圖T型放大器,求V
0
=?
(A) -2.7 V (B) -18 V (C) -30 V (D) -36 V
36. 如右圖儀表放大器,設若V
id
=V
2
-V
1
,求V
0
=?
37. 如右圖為簡單音頻放大器的電路圖,若要得到 較低的轉角頻率fL=20 Hz,求C耦合電容值?
(A) 0.0289 μF (B) 0.0477 μF (C) 0.289 μF (D) 0.477 μF
38. 如右圖假若要設計一個帶通濾波器線路,給定Vin=10 kHz,伴隨 1 kHz低頻與100 kHz高頻雜訊,在濾波器頻帶寬B為1 kHz,電壓 增益Av=1,C=0.001 μF,試求R2≒?
(A) 800 Ω (B) 64 kΩ (C) 160 kΩ (D) 320 kΩ
39. 考慮如右圖N-通道MOSFET等效電路,若忽略r
s
、rd、ro、Cds及 汲極連結到訊號地,
,V
T
=1 V,λ=0,Cgd=0.04 pF ,Cg s=0.2 pF,給定偏壓V
G S
=3 V,求單位電流增益的頻率 (unity-gain frequency)f
T
=?
(A) 155 MHz (B) 290 MHz (C) 530 MHz (D) 663 MHz
40. 假設N通道JFET其I
DSS
=10 mA,V
GS(off)
= -5 V,當JFET工作在定電流區時,求V
GS
= -1 V,其gm 值為多少姆歐? (A) 2.7 mԼ (B) 3.2 mԼ (C) 4 mԼ (D) 6 mԼ
申論題 (0)
相關試卷
105年 - 105 經濟部所屬事業機構_新進職員甄試_電機(乙):2.電子學#71776
105年 · #71776
105年 - 105 經濟部所屬事業機構_新進職員甄試_電機(乙):1.計算機概論#60334
105年 · #60334
104年 - 104 經濟部所屬事業機構_新進職員甄試_電機(乙):1.計算機概論 2.電子學#60438
104年 · #60438
102年 - 102 經濟部所屬事業機構_新進職員甄試_電機(乙):1.計算機概論 2.電子學#28474
102年 · #28474
101年 - 101 經濟部所屬事業機構_新進職員甄試_電機(乙):1.計算機概論 2.電子學#35955
101年 · #35955
100年 - 100 經濟部所屬事業機構_新進職員甄試_電子:1.計算機概論 2.電子學#125613
100年 · #125613