阿摩線上測驗
登入
首頁
>
升資考/士級晉佐級◆電工原理大意
> 104年 - 104 交通事業港務升資考試_士級晉佐級_技術類(選試電工原理大意):電工原理大意#38218
104年 - 104 交通事業港務升資考試_士級晉佐級_技術類(選試電工原理大意):電工原理大意#38218
科目:
升資考/士級晉佐級◆電工原理大意 |
年份:
104年 |
選擇題數:
0 |
申論題數:
10
試卷資訊
所屬科目:
升資考/士級晉佐級◆電工原理大意
選擇題 (0)
申論題 (10)
一、畫出繼電器(relay)之示意圖,並說明其主要用途與控制方式。(10 分)
二、電腦的電源消費功率含待機時約 300 W,某家庭該電腦全天開機,如果 1 度的電費 4 元, 請問 1 個月(30 天)後,必須付多少電費?(僅考慮基本度數內)(10 分)
【已刪除】三、如圖一,發光二極體(LED)發光時,量測到 V 的壓降值為 1.7 伏特,如果在 a 點 與 b 點斷開後再接一顆相同的 LED 時,求此時電阻器 1 kΩ 之電流值及消費功率。 (10 分)
⑴求總電流 I 值。(10 分)
⑵如果 ac 兩點短路,求電流 I 值。(10 分)
⑴請畫出 ab 兩點間之戴維寧等效電路。(10 分)
⑵求送至負載 R 的最大功率及負載電阻 R 的值。(10 分)
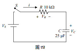
【已刪除】六、RC 電路如圖四所示,求時間常數 T 值及穩態時電容之電壓 VC值與電阻電壓 VR值。 (10 分)
【已刪除】七、如圖五所示,VS = 120 sin(377t) V 之交流電,試求其電路中各支路電流 iR、iL 及 iC 值(請以瞬間方程式表示)。(10 分)
八、有一電感性負載(含電阻與電感),其負載兩端之電壓為 v = 30 sinωt 伏特,而流過負 載電流為 i = 6 sin(ωt-30°)安培。試求負載所消耗的平均功率、視在功率、負載的功率 因數。(10 分)
相關試卷
112年 - 112 交通事業鐵路升資考試_士級晉佐級_技術類(選試電工原理大意)—鐵路:電工原理大意#117246
112年 · #117246
110年 - 110 交通事業港務升資考試_士級晉佐級_技術類(選試電工原理大意)-港務:電工原理大意#103493
110年 · #103493
109年 - 109 交通事業鐵路升資考試_士級晉佐級_技術類(選試電工原理大意):電工原理大意#92592
109年 · #92592
108年 - 108 交通事業郵政、港務升資考試_士級晉佐級_技術類、技術類(選試電工原理大意):電工原理大意#80473
108年 · #80473
106年 - 106 交通事業鐵路升資考試_士級晉佐級_技術類(選試電工原理大意):電工原理大意#65995
106年 · #65995
105年 - 105 交通事業郵政升資考試_士級晉佐級_技術類:電工原理大意#58998
105年 · #58998
103年 - 103 交通事業鐵路升資考試_士級晉佐級_技術類(選試電工原理大意):電工原理大意#38358
103年 · #38358
102年 - 102 交通事業郵政、港務升資考試_士級晉佐級_技術類(選試電工原理大意):電工原理大意#38389
102年 · #38389
100年 - 100 交通事業鐵路、港務升資考試_士級晉佐級_技術類(選試電工原理大意):電工原理大意#38381
100年 · #38381
99年 - 99 交通事業郵政升資考試_士級晉佐級_技術類:電工原理大意#38361
99年 · #38361