阿摩線上測驗
登入
首頁
>
國中技藝◆電機電子群
> 104年 - 104 新竹縣國中技藝教育學程技藝競賽學科題庫(選擇題):電機電子職群(101-200)#51558
104年 - 104 新竹縣國中技藝教育學程技藝競賽學科題庫(選擇題):電機電子職群(101-200)#51558
科目:
國中技藝◆電機電子群 |
年份:
104年 |
選擇題數:
100 |
申論題數:
0
試卷資訊
所屬科目:
國中技藝◆電機電子群
選擇題 (100)
101. 以IC 腳焊接為例, 下列各焊點何者最佳: (A)
(B)
(C)
(D)
。
102. 裝置機電元件時,何者最需使用熱縮套管 (A)低壓用繼電器 (B)電源變壓器 (C)輸出測試端子 (D)LED指示燈。
103. 發光二極體(LED)導通時順向電壓降約為 (A)0.3V (B) 0.7V (C) 1.6V (D) 5V 。
104. 電子元件焊接時對於下列何者須考慮極性: (A)陶質電容器 (B)電解電容器 (C)薄膜電 容器 (D) 雲母電容器。
105. 電阻器安裝於電路板時,色碼之讀法必須 (A)由左而右 (B) 由右而左 (C)隨便放置。
106. 一般而言,下列何種元件沒有極性限制 (A)二極體 (B)電解質電容器 (C)電阻器 (D)變壓器。
107. 繼電器一般採用下列何種元件來消除逆向脈衝? (A)二極體 (B)電容器 (C)電阻器 (D)電阻器及電容器串聯。
108. 在一般陶瓷電容器或積層電容器標示104K,其電容量為 (A)1μF (B)0.1μF (C)0.01μF (D)10.4μF 。
109. 以數學式運算求得需0.65W之電阻器時,宜選用下列何種功率之電阻器最佳? (A)1/8W (B)1/4W (C)1/2W (D)1W。
110. 電池屬於 (A)光能與電能 (B)熱能與電能 (C)化學能與電能(D) 機械能與電能。
111. 配線端點焊接時,端點與導線PVC絕緣皮之間距,應 (A)不得有任何間距 (B)保持在1mm 以下 (C)保持在0.5mm ∼ 2mm (D)約為導線線徑的四倍。
112. 下列有關束線之敘述,何者不正確? (A)配線完成後,有五條(含)以下的導線不必整 理成線束 (B)束線時必須選擇正確規格的束線帶 (C)線束之導線應保持平行,不可交插 或纏繞 (D)線束轉彎前後,應予以束線固定。
113. 束線帶必須束緊,且多餘尾端應予以剪除, 殘留尾端應 (A)在1mm以內 (B)5 ∼ 7mm (C)8 ∼ 10mm (D)10mm 以上。
114. 焊接IC座時,下列何者較正確? (A)全部接腳剪除再焊接 (B)直接焊接不須彎腳及剪腳 (C)全部彎腳後焊接 (D)焊接完畢再將接腳彎曲。
115. 下列有關電子元件裝配的敘述,何者不正確? (A)元件裝配注意不與相鄰元件短路 (B) 發熱元件不需架高 (C)元件裝置的位置及方向要注意其標示數據必須以方便目視為原則 (D) 元件裝置於電路板時,零件應由低至高依序安裝。
116. 螺絲固定時,下列敘述何者不正確? (A)已攻牙的螺絲孔,鎖定時需加螺帽 (B)螺絲的長度要超出螺帽 (C)螺絲帽、鎖定墊圈、平墊圈的順序要對 (D)非金屬材料的兩邊都要加平墊圈。
117. PCB佈線(Layout)時,下列那一種線之銅箔最寬最粗? (A)位址線 (B)資料線 (C)clock 線 (D)電源線。
118. 銲錫作業方式下列何者錯誤? (A)先將錫熔於鉻鐵頭上再沾至被銲點 (B)被銲物表面應 清潔 (C)鉻鐵溫度應適當 (D)銲錫以60% / 40% 錫鉛合金最適當。
119. 一電容器標示102M,則表示其電容量為 (A)1000μF (B)102μF (C)0.001μF (D)0.000102μF 。
120. 常用功率電晶體之鐵殼,可視為此電晶體之 (A)E極 (B)B極 (C)C極 (D)固定用或作為接地端。
121. 處理保險絲熔斷之最佳方法為 (A)更換較大之保險絲 (B)以銲錫替代 (C)以裸銅線替代 (D)先檢查電路再更換同規格保險絲。
122. 電解電容器兩端腳較長的一端為 (A)+極 (B)-極 (C)依廠商規格而定 (D)接地端。
123. 電容器之容量單位"P"代表 (A)10
-3
法拉 (B)10
-6
法拉 (C)10
-12
法拉 (D)10
-9
法拉。
124. 鉭質電容器之兩極導線,較長之一端為 (A)正極 (B)負極 (C)不一定 (D)依廠商之設計。
125. 印刷電路板鑽孔時,下列敘述何者正確? (A)速度愈慢愈佳 (B)速度愈快愈佳 (C)由零件面往銅箔面鑽 (D)鑽頭下壓力量愈大愈好。
126. 電功率的單位為何? (A)焦耳 (B)電子伏特 (C)瓦特 (D)仟瓦-小時
127. 電壓的單位為 (A)安培 (B)歐姆 (C)伏特 (D)焦耳
128. 電流的單位為 (A)安培 (B)歐姆 (C)伏特 (D)焦耳
129. 電流通過電阻時,沿著流動方向其電位逐漸降低,電阻兩端之電位差稱為 (A)電能 (B)電壓升 (C)電動勢 (D)電壓降
130. 有一導體每分鐘內有180庫侖之電量通過,則電流為多少?(A)180A (B)30A (C)3A (D)50A ( Q = I * t )
131. 下列何者的導電性最佳? (A)金 (B)銀 (C)銅 (D)鐵
132. 有三盞燈泡規格各為110V/100W、110V/60W、110V/5W,三個皆接上110V電壓,在相同時間內何者消耗功率最大? (A)5W (B)60W (C)100W (D)無法比較
133. 如圖(1)所示,假設所加電壓E不會將燈泡燒燬,則哪個燈泡最亮? (A)5W (B)60W (C)100W (D)一樣亮
134. 關於導線電阻值的大小,下列述何者正確? (A)和截面積成反比 (B)和長度成反比 (C)和電阻係數成反比 (D)和溫度無關
135. 歐姆定律乃定義電路中的電流I大小與 (A)該電路的總電阻R成正比 (B)該電路的電動勢E成反比 (C)該電路的電動勢E成正比 (D)該電路的電容C成反比
136. 如圖(2)所示,設保險絲最大容許通過電流為5A,負載RL為20Ω/1000W,當開關S閉合時 (A)RL可產生2000W功率 (B)保險絲將燒燬 (C)RL將被燒燬 (D)RL可保持有1000W功率產生 ( E = I * R )
137. 如圖(3)所示,電阻R
2
上的電流為
(A)1A (B)2A (C)3A (D)4A
138. 將分別為3Ω、6Ω、9Ω的電阻串聯接起來,其電路總電阻值等於 (A)11Ω (B)15Ω (C)18Ω (D)20Ω
139. 下列何者不是電阻並聯電路的特性?(A)各電阻之端電壓均相等 (B)各電阻上之電流並不一定相等 (C)電路總電導等於各電阻倒數之和 (D)若其中有一電阻斷路則整個電路形成斷路
140. 下列何者是串聯電路的特性?(A)各電阻之端電壓均相等 (B)各電阻上之電流並不一定相等 (C)電路總電阻等於各電阻之總和 (D)若其中有一電阻斷路, 依然會有電流
141. 使用螺絲起子為避免損壞螺絲頭應注意什麼? (A)使用尺寸較大之起子 (B)使用尺寸較小之起子 (C)以手掌心按緊起子末端再旋轉 (D)以手掌緊握起子本體才可旋轉
142. 利用電壓表或電流表量測電路時,其連接方式為? (A)測量電壓、電流均要串聯 (B)測量電壓、電流都要並聯 (C)測量電壓要串聯,測量電流要並聯 (D)測量電壓要並聯,測量電流要串聯 (4) (5) (6)
143. 電路裝置,如圖(4)所示。L
1
、L
2
、L
3
及 L
4
為四個相同的燈泡。若燈泡 L
4
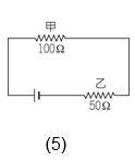
的燈絲 突然斷掉,且安培計的電阻忽略不計,則電池所提供的總電功率有何改變? (A)變大 (B)變小 (C)不變 (D)變為零。
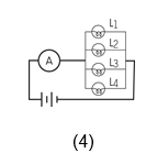
144. 將甲、乙兩電阻與 3V 的電池組連接成如圖(5)的電路,若電池與導線的電阻忽略不計, 則下列敘述何者正確?(A) 100Ω 和 50Ω 兩電阻互相並聯 (B)甲、乙兩電阻兩端的電壓相等 (C)通過 50Ω 電流為 0.06A (D)電池的電功率為 0.06 瓦特。
145. 下列何者是電阻的單位?(A)歐姆 (B)焦耳 (C)安培 (D)庫侖。
146. 下列何者是電荷量的單位?(A)歐姆 (B)焦耳 (C)安培 (D)庫侖。
147. 如圖(6)所示,甲、乙、丙三燈泡的電阻大小關係為:甲<乙<丙,則哪一燈泡消耗的 電功率最大?(A)甲 (B)乙 (C)丙 (D)均相同。( P = I
2
* R )
148. 電池的電壓為 1.5 伏特,表示此電池每提供 2 安培的電流,則此電池所提供電能的電功 率為多少? (A) 1 瓦特 (B) 1.5 瓦特 (C) 3 伏特 (D) 3 瓦特。
149. 小明使用延長線連接家用 110 V 的電源插座,延長線最大的輸出電流為 25 安培,若延長線上連接數臺 1000 W 的電熱器,試問最多能同時使用幾臺電熱器?(A) 1 臺 (B) 2 臺 (C) 3 臺 (D) 27 臺。
150. 教室內共有 22 盞 110 伏特、40 瓦特的日光燈,日光燈 22 盞全開時,總電功率為多少瓦特?(A) 40 (B) 440 (C) 880 (D) 2420。
151. 下列何種電熱器的電阻最大?(A) 110 V、100 W (B) 110 V、200 W (C) 220 V、100 W (D) 220 V、200 W。
152. 電路裝置如圖(7)所示,甲燈泡的電阻為 1Ω,乙燈泡的電阻為 2Ω,電池的總電壓為 3 V 。假設燈泡遵守歐姆定律,且電池的內電阻及電路導線的電阻很小可以忽略,則下列敘 述何者正確? (A)通過甲燈泡的電流為 1.5 A (B)通過乙燈泡的電流為 1 A (C)甲燈泡 的電功率為 3 W (D)乙燈泡的電功率為 4.5 W。( V = I * R) ( P = V
2
/ R )
153. 如果圖(8)中流經電器甲的電流大於流經電器乙的電流,則下列敘述何者正確? (A)電器甲的電阻大於電器乙的電阻 (B)電器甲兩端的電壓大於電器乙兩端的電壓 (C)流經導線 X 處的電流大於流經 Y 處的電流 (D)電器甲每秒消耗的電能大於電器乙每 秒消耗的電能。
154. 三個電阻分別為3 Ω、10 Ω、2 Ω,若將三個電阻串聯後接上電壓為30伏特的電源,則 線路電流為 (A)1 (B)2 (C)5 (D)15安培。
155. 在串聯電路中,電阻大者消耗之功率較電阻小者為 (A)大 (B)小 (C)相等 (D)無法 比較。
156. 一大一小兩電阻器並聯時,總電阻值 (A)大於大電阻 (B)小於小電阻 (C)介於大電阻與小電阻之間 (D)等於小電阻。
157. 焊接作業中,使用松香之主要功能為 (A)消除焊點污垢 (B)清除電烙鐵之氧化物 (C)助熔 (D)冷卻。
158. 安裝高功率電晶體時,下列程序何者較正確?(A)需直接固定於印刷電路板上 (B) 以散 熱器固定即可 (C)需先塗以散熱膏再與散熱器鎖緊 (D)需與散熱器保持散熱距離。
159. 下列何種電容器儲存年限較短 (A)電解電容器 (B)雲母電容器 (C)陶瓷電容器 (D)鉭質電容器。
160. 元件接腳氧化時 (A)表示該元件已變質,不能使用 (B)可直接使用 (C)需將氧化部份刮掉 後再使用 (D)加焊油後即可使用。
161. 多芯導線剝線後,使用前之處理,以下列何種方式較佳? (A)加松香 (B)加銲錫 (C) 加 散熱膏 (D)加絕緣油。
162. AC電源線部份之接點 (A)為加強散熱, 需直接暴露於空氣中 (B)為防止漏電,必須用 螺絲固定 (C)必需以束線帶束在一起 (D)必須以熱縮套管絕緣。
163. 繼電器之接點若標示N.O.時表示 (A)繼電器未動作時與共接點相通 (B)繼電器動作時與 N.C.接點相通(C)繼電器未動作時與N.C.接點相通 (D)繼電器動作時與共接點相通。
164. 熱縮套管之正確加熱方式為使用 (A)打火機 (B)電烙鐵 (C)熱風槍 (D)電風扇。
165. 電源濾波用電解電容器會爆炸之原因為 (A)電源變壓器短路 (B)電解電容器極性接反 (C) 電源頻率不對 (D) 電解電容器耐壓太高。
166. 音頻電路上之共同接地線必需 (A)越長越好 (B)越細越好 (C)越粗越好 (D)越直越好。
167. 下列何種顏色導線使用於較高的電壓 (A)紫色 (B)灰色 (C)白色 (D)紅色。
168. 電路板上接地線一般使用 (A)藍色 (B)黑色 (C)紅色 (D)橙色。
169. 下列線規號碼之導線何者最粗 (A)AWG#0 (B)AWG#1 (C)AWG#10 (D)AWG#20。
170. 下列何種材料不可拿來做綁線用 (A)上腊棉線 (B)尼龍繩 (C)PVC線 (D)裸銅線。
171. 為防止繼電器接點產生之火花,一般均在接點兩端並接 (A)電阻器 (B)電容器 (C)二極體 (D)電感器。
172. 目前台灣超高壓電力系統最高電壓為多少?(A)1.1kV (B)2.5kV (C)161kV(D)345kV 。
173. 下列何種電阻器較適合使用於低雜音電路 (A)碳質 (B)金屬皮膜 (C)碳膜 (D)線繞。
174. 下列何者熱縮不用兩層熱縮套管? (A)電源開關 (B)保險絲座 (C)電源指示燈 (D)電源變壓器。
175. 電腦輔助設計之英文縮寫是 (A)CAD (B)CAI (C)CAM (D)CAE。
176. 電阻器並聯使用時可(A)提高電流容量(B)提高耐電壓值(C)提高電阻值(D)減少電流容量。
177. 下列元件何者會產生反電動勢 (A)電阻器 (B)電容器 (C)電感器 (D)二極體。
178. 購買產品其電壓為AC100V,在國內使用時需裝置(A)抗流圈(B)調諧線圈(C)返馳變壓器 (D) 自耦變壓器。
179. 檢波用二極體都使用何種材料製作 (A)矽 (B)砷 (C)鍺 (D)鎵。
180. 何者二極體具有負電阻特性(A)整流二極體(B)檢波二極體(C)發光二極體(D)透納二極體。
181. 音響裝置之音量控制用可變電阻器一般採用 (A)A型 (B)B型 (C)C型 (D)D型。
182. 大功率電晶體的包裝外殼大都為 (A)B腳 (B)C腳 (C)D腳 (D)E腳。
183. 場效電晶體(FET)是屬於 (A)單極性電流控制 (B)雙極性電流控制 (C)單極性電壓控制 (D) 雙極性電壓控制 元件。
184. 下列何者編號表示高頻用之PNP型電晶 ( A)2SA684(B)2SB507(C)2SC536(D)2SD303。
185. 一電阻器標示為1000Ω±5%,其電阻值最大可能為 (A)995Ω (B)1000Ω (C)1005Ω (D)1050Ω 。
186. 四層印刷電路板(PCB)結構中,和GND應在第幾層 (A)1,2層 (B)1,4層 (C)2,3層 (D)3,4層。
187. 一個電子所含的電量為 (A)-1.602✖10
-19
(B)-9.102✖10
-31
(C)+9.102✖10
-31
(D)+1.602✖10
-19
庫倫。
188. 大部份金屬皆為良導體,其原因是金屬內有可自由移動之 (A)離子 (B)電子 (C)電洞 (D)負離子。
189. 某線圈每分鐘內有180庫倫電量通過,則電流為 (A)6 (B)30 (C)60 (D)3A。
190.電流1安培是指 (A)每秒鐘通過一個電子 (B)每秒鐘通過1.6✖10
-19
個電子 (C)每秒鐘通過1庫倫的電量 (D)每秒鐘通過10
7
個電子。
191. 一個500W的電熱器,連續使用12小時,共消耗多少度電能? (A)500度 (B)6000度 (C)6度 (D)60度。
192. 有一1500瓦特的電熱水器,連續使用2小時,如果每度電費為2元,則應繳電費多少? (A)3 (B)4 (C)5 (D)6元。
193. 在電路中,有4A的電流流過一個5Ω的電阻,試求電阻消耗的電功率為多少? (A)20 (B)40 (C)80 (D)100瓦特。
194. 若流過某電阻的電流為 6 安培,則每分鐘通過該電阻截面積之電量為多少庫侖? (A)360 (B)36 (C)6 (D)3 。
195. 一電路的電源電壓為 2V,電流為10mA,則電阻應為 (A)20Ω (B)200Ω (C)2kΩ (D)20kΩ。
196. 導線的電阻值與 (A)長度及截面積成正比 (B)長度成反比,截面積成正比 (C)長度成 正比,截面積成反比 (D)與截面積無關。
197. 長度、電阻係數相等之導線,截面積愈大者其電阻值 (A)愈大 (B)愈小 (C)相等 (D) 無法獲悉。
198. 某色碼電阻色帶為紅色、綠色、橙色、金色,則電阻值為 (A)2.5KΩ (B)25KΩ (C)5.2KΩ (D)以上皆非。
199. 有一色碼電阻其顏色依序為紅、紫、橙、金,則其電阻值為 (A)2.7
kΩ±10% (B)24kΩ±5% (C)27kΩ±5% (D)2.4kΩ±5% 。
200.有一色碼電阻其顏色依序為橙、橙、棕、金,則其電阻值為 (A)33KΩ±10% (B)330Ω±5% (C)3.3KΩ±5% (D)2.7KΩ5±% 。
申論題 (0)
相關試卷
114年 - 114 新竹縣國民中學技藝教育競賽題庫:電機電子職群-工業電子 351-400#138175
114年 · #138175
114年 - 114 新竹縣國民中學技藝教育競賽題庫:電機電子職群-工業電子 301-350#138174
114年 · #138174
114年 - 114 新竹縣國民中學技藝教育競賽題庫:電機電子職群-工業電子 251-300#138173
114年 · #138173
114年 - 114 新竹縣國民中學技藝教育競賽題庫:電機電子職群-工業電子 201-250#138172
114年 · #138172
114年 - 114 新竹縣國民中學技藝教育競賽題庫:電機電子職群-工業電子 151-200#138171
114年 · #138171
114年 - 114 新竹縣國民中學技藝教育競賽題庫:電機電子職群-工業電子 101-150#138170
114年 · #138170
114年 - 114 新竹縣國民中學技藝教育競賽題庫:電機電子職群-工業電子 51-100#138169
114年 · #138169
114年 - 114 新竹縣國民中學技藝教育競賽題庫:電機電子職群-工業電子 1-50#138168
114年 · #138168
114年 - 114 新竹縣國民中學技藝教育競賽題庫:電機電子職群-室內配線 351-400#138167
114年 · #138167
114年 - 114 新竹縣國民中學技藝教育競賽題庫:電機電子職群-室內配線 301-350#138166
114年 · #138166