所屬科目:A.電工原理、B.電機機械
11.在工程圖中,標題欄顯示右側號時,表示該圖採用何種角法?(A)第一角法 (B)第二角法 (C)第三角法 (D)第四角法
17.若圖面尺度標註為mm,檢查工件時,下列哪一件不及格? (A)99.99 mm (B)100.04 mm(C)99.97 mm (D)100.08 mm
21.工程圖上標註尺寸為30±0.02mm,下列敘述何者錯誤? (A)公差=0.04mm (B) 偏差=-0.02mm (C) 上限尺寸=30.02mm(D)下限尺寸=29.98mm
29.一受力如右圖所示,則在哪一部分是受純彎曲作用?(A)AB (B)BC (C)CD (D)AD
31.一軸每分鐘2000轉傳動12π仟瓦的功率,則軸所受的扭矩為若干N-m? (A)45 (B)90 (C)180 (D)270
41.有兩個電阻 R1及R2,串聯接於某電源的消耗功率與並聯接於同一電源的消耗功率比為1:4,若已知 R1=4Ω,則R2為: (A)2Ω (B)4Ω (C)8Ω (D)16Ω
42.如 (圖42) 所示,若伏特計指示6V,安培計指示0.5A,已知安培計內阻為1.2Ω,則電阻R之值為:(A)3.6Ω (B)5.4Ω (C) 7.2Ω (D)10.8Ω
43.如(圖43) 電路中,R3電阻值若增加,則:(A)R2電流將增大 (B)R2之電流將降低 (C)R2之電流不會改變 (D)R2之電流可能增大亦可能降低
46.如(圖46) ,若6μF容器兩端電壓25V,求通過30μF容器之電量為多少μC? (A)900 (B)1050 (C)1200 (D) 2400
48. 如(圖 48) 波形,其電壓平均值為何?(A) (B)(C)(D)10V
49.如(圖49) 所示,求通過電阻之電流為何?(A) (B)(C)(D)
50. ,若改為並聯等效電路,則Rp及分別為多少Q? (A)20,-j10 (B)20,j10 (C)15, j10 (D)20,-j20
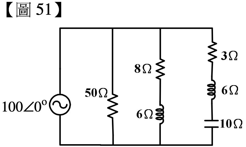
51.如(圖51) 電路,總實功率PT及總虛功率QT各為多少?(A)2KW ; 2.2kVAR (B)1kW ;0KVAR (C) 2.2kW ; 1kVAR (D)2.2kW ;7kVAR
52.R-L-C並聯電路中,R=50KΩ,L=3mH,C=75nF;若電路接於 =120∠0°特之交流電源,則其電路品質因數Qp為何? (A)25 (B)50(C)125 (D)250
53.調整 (圖 53) 中負載阻抗RL與XL之值,使負載得到最大率,此時負載所消耗的最大功率為多少瓦特? (A)18(B)25(C)36(D)44
54.如(圖54) 電路,流經電阻3Ω之電流為多少安培?(A)0.5(B)0.75 (C)1.5 (D)2.5
55.將相同電容值的電容器N個並聯,其總電容量是串聯時總電容量的多少倍? (A)N (B) (C)N2 (D)
57.如 (圖57) 電路,求A、B間總電感量為多少亨利?(A)15(B)35(C)45(D)55
60.10μF電容器,接至100V 直流電源,於0.2秒後此電容器充電完成,則在充電完成後電路之電流為何? (A)0A(B)1mA(C)5mA(D)1A
61.如 (圖61) 電路中,當開關S閉合瞬間,電流I之值為多少安?(A)2A(B)3A(C)4A(D)5A
63.交流壓及電流之方程式如下:v(t)=100cos(314t-30°)V,i(t)=-5sin(314t+60°)A,則兩者的相位關係為: (A)電壓領先電流 30 (B)電壓領先電流90度 (C)電壓落後電流90度 (D)電壓與電流相位反相
64.一元件兩端加上 伏特的電壓後,通過此元件之電流為安培的電流,則此元件為何? (A)0.02亨利的電感 (B)0.02法拉的電容 (D)0.002法拉的電容 (C)0.002 亨利的電感
65.Y-Y 平衡相電路中,下列敘述何者正確? (A)線電壓大小為相電壓大小的倍 (B)線電壓大小與相電壓大小相等 (C)線電流大小為相電流大小的倍 (D)相電流大小為線電流大小的倍