阿摩線上測驗
登入
首頁
>
技師◆材料力學
> 105年 - 105 專技高考_大地工程技師(一):大地工程基礎學科(一)(材料力學)#52505
105年 - 105 專技高考_大地工程技師(一):大地工程基礎學科(一)(材料力學)#52505
科目:
技師◆材料力學 |
年份:
105年 |
選擇題數:
40 |
申論題數:
4
試卷資訊
所屬科目:
技師◆材料力學
選擇題 (40)
1 (A)C (B)D (C)E (D)E'
2 承上題,其應變硬化係指下列那一區域? (A)區域⑴ (B)區域⑵ (C)區域⑶ (D)區域⑷
3 圖示對稱結構,沿對稱桿件 BD 方向施加拉力 P,則桿件 BD 與 CD 之伸長量δ
BD
與δ
CD
關係為何?
(A)δ
CD
= δ
BD
cosα (B)δ
BD
= δ
CD
cosα (C)δ
BD
= δ
CD
sinα (D)δ
CD
= δ
BD
sinα
4 圖示對稱結構α = 30°,各桿件斷面積均為 A,楊氏模數為 E,桿件 BD 之長度為 L,沿桿件 BD 方向 施加拉力 P,則桿件 BD 承受之拉力為何?
(A)
(B)
(C)
(D)
5 圖示 AB 為長度 L 之剛性桿件,C 與 D 為其三等分點,亦即c=
L, d = 2c ,C 與 D 各有一均勻軸 力桿件支撐,兩構件斷面與材料性質均相同,A 端拼接,於 B 端施加拉力 P,則 C 點支撐力為何?
(A)
P (B)
P (C)P (D)2P
6 圖示 A、B 與 C 三個應變計讀數分別為 520× 10
−6
, 360 ×10
−6
, 80 × 10-6 ,則該處剪應變 γ
xy
為何?
(A) 80 ×10
−6
(B) 100 ×10
−6
(C) 260× 10
−6
(D) 280× 10
− 6
7 圖示構件係由長度相同,斷面亦相同之兩種不同材料所組成下層楊氏模數為上層之兩倍,即 E
1
= 2E
2
, 兩端各焊接在一剛性鐵板上,承受一軸向力 P 作用,假設構件不彎曲,則其偏心距離 e 應為多少?
(A)
(B)
(C)
(D)
8 長度 6 m,斷面為直徑 30 mm 之圓形均勻桿件,楊氏模數為 73 GPa,蒲松比為
,施加拉力使其長 度伸長 7 mm,其直徑縮減量為何? (A)0.1167 mm (B)0.01167 mm (C)0.2333 mm (D)0.02333 mm
9 圖示結構θ = 60°,各桿件斷面積均為 A,楊氏模數為 E,桿件 BC 之長度為 L,於 C 點施加垂直拉力 P,則 C 點之水平位移為何?
(A)0 (B)
(C)
(D)
10 使用甲乙兩種均質彈性材料,分別製成兩根圓斷面桿,甲圓桿之長度為乙圓桿之兩倍,而甲圓桿之 斷面直徑為乙圓桿之一半,另甲材料之楊氏模數(Young’s modulus)為乙材料之兩倍。若對此二圓 桿施加相同之拉力,則甲乙兩材料伸長量之比(甲:乙)為: (A)4:1 (B)2:1 (C)1:1 (D)1:2
11 一地錨鑽孔後置入一支斷面積為 1 cm
2
預力鋼鉸線,其楊氏模數為 180 GPa、容許拉力為 90 kN。若 該地錨自由端之長度為 25 m,則該預力鋼鉸線之容許拉線伸長量為何? (A)90 mm (B)100 mm (C)125 mm (D)200 mm
12 由兩種不同彈性材料組成之內外雙層正方形斷面軸力桿件固定於 A、B 兩端(如圖所示)。外層材料 之各邊長為 20 cm,楊氏模數為 50 GPa;內層材料之各邊長為 12 cm,楊氏模數為 100 GPa。現在桿 中 C 斷面點施加一 60 kN 之力,則 A、B 兩端水平方向之反力 H
A
、H
B
之絕對值分別為:
(A) H
A
= 20 kN 、 H
B
= 40 kN (B) H
A
= 25 kN 、 H
B
= 35 kN (C) H
A
= 35 kN 、 H
B
= 25 kN (D) H
A
= 40 kN 、 H
B
= 20 kN
13 (A)150 MPa 張應力 (B)0 MPa (C)125 MPa 壓應力 (D)250 MPa 壓應力
14 承上題,組合桿件 AB、BC,斷面及各段長度同前題。AB 段材料之彈性模數 E
1
= 150 GPa;BC 段材 料之彈性模數則為 E
2
= 180 GPa 。若該組合桿件施加之軸向力亦仍如前題,則其整體之軸向變位為: (A)縮短 0.28 mm (B)縮短 0.22 mm (C)伸長 0.22 mm (D)伸長 0.5 mm
15 一彈性均質桿件長 1 m,斷面積為 8 cm
2
,已知當承受 120 kN 軸向拉力,其伸長量為 0.75 mm。設該 材料之蒲松比(Poisson’s ratio)為 0.25,則其剪力模數(Shear modulus)G 為: (A)200 GPa(B) 12 0 GPa (C) 80 GPa (D) 67 GPa
16 圖中所示為一平面應力元素之莫耳圓(Mohr’s circle),其中 C 為圓心、AB 為直徑、O 為(σ −τ ) 平 面座標原點。若已知 σ
x
= 40 MPa , τ
xy
=15 MPa x 下列有關本平面應力元素應力之敘述,何者錯誤? (A)最大主應力為 45 MPa (B)最小主應力為-7.5 MPa (C)最大剪應力為 25 MPa (D)最小主應力為壓應力
17 下列之各平面應力元素圖中,若
,則何者可產生最大 平面張應力(主張應力)值? (A)
(B)
(C)
(D)
18 一均質彈性材料 B 為矩形斷面,其厚度為 4 mm,容許拉力強度為 120 MPa。現以兩支直徑為 16 mm 之螺栓固定於一剛體材料 A 上(如圖所示)。若螺栓之容許剪力強度為 30 MPa,則材料 B 之寬度至 少需為多少方能確保其為連接螺栓剪應力控制狀態?
(A)12.6 mm (B)18. 9 mm (C)22. 6 mm (D) 25. 1 mm
19 一均質彈性金屬板之厚度為4 cm,其材料之剪力強度為40 MPa。現若要在此金屬板中以直徑為1.6 cm 之圓形沖頭衝孔,若不考慮衝擊效應,則沖頭衝孔之力至少需為: (A)8.04 kN (B) 32.2 kN(C) 40. 2 kN (D) 80. 4 kN
20 下列何者最適宜描述剪應變之實際單位? (A)radian (B) 1/mm(C)GPa (D)無單位
21 有一長30 cm 之均勻鋼棒,斷面面積為6 cm
2
,現承受60 kN 軸向拉力。設材料之楊氏模數E = 200 GPa , 蒲松比(Poisson’s ratio)為 0.2,則該鋼棒之側向應變絕對值為: (A)0.00001 (B) 0.00002 (C) 0.0001 (D)0.0002
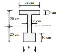
22 如圖所示之斷面為均質,若要使斷面形心恰好落在中央截面,則下翼部寬度 b 之值,下列何者最接 近需求? (A)12.48 cm (B) 14.92 cm (C) 16. 4 cm (D) 18.24 cm
23 一寬與高分別為 b 及 h 之矩形斷面均質彈性材料桿件,若其斷面積設為 A,則對該斷面形心之極慣 性矩(polar moment of inertia)為: (A)
(B)
(C)
(D)
24 一均質彈性材料桿件之斷面性質代號分別為:斷面積 A、慣性矩 I、極慣性矩 J。若其楊氏模數為 E, 剪力模數為 G,則下列何者可視為該桿件之剪力剛度(shear rigidity)? (A)GA (B)GI/E (C)GI (D)GJ
25 圖示構架 ABC 斷面均勻,令 AB 長度為 BC 長度之兩倍,即h = 2b,彎曲剛度為 EI,A 端固定,C 端 為自由端,承受垂直力 P 作用,則 B 點之轉角為何?
(A)0 (B)
(C)
(D)
26 圖示靜不定梁 AB,A 端固定,B 端為滾接支承,於 B 端承受逆鐘向彎矩 M
0
,則梁中點彎矩為何?
(A)0 (B)
(C)
(D)
27 圖示彈性且均勻之簡支梁長度 L,於中點有一重 W 之物體靜置於 h = 0 處,突然釋放,則梁中點最大 彎矩為何?
(A)
(B)
(C)WL (D)2WL
28 圖示均勻簡支梁長度 L = 2 m,斷面寬b =150 m,高 h = 250 m,承受均佈載重 q = 20 kN /m,則其中 性面(neutral surface)上之最大剪應力為何?
(A)0 (B) 711 kN / m
2
(C) 800 kN / m
2
(D) 856 kN / m
2
29 圖示為直徑 d,楊氏模數 E,長度為 L(假設 L 比 d 大得多)之筆直銅線,將之彎曲成圓形,兩端剛 好接在一起,則其內部造成之彎矩為何?
(A)
(B)
(C)
(D)
30 圖示為一平面應力元素,已知 σ
x
= 52 MPa,σ
y
= −16 MPa ,τ
xy
= −31MPa ,則其主平面位置應將該 應力元素逆時針旋轉幾度?
(A)21.18° (B)42.36° (C)47.64° (D)68.82°
31 圖示為一梁斷面,係由 A、B 兩種材料所組成,材料之楊氏模數分別為 E
A
= 196 GPa 、 E
B
= 105 GPa , 承受純彎矩作用,則其中性軸距離梁下緣為何?
(A)2.45 mm (B)2.55 mm (C)3.45 mm (D)3.55 mm
32 圖示為一平面應力元素,已知σ
x
= −150 MPa,σ
y
= −210 MPa, τ
x y
= −16 MPa ,該材料楊氏模數為 E = 100 GPa ,蒲松比為v = 0.34 ,則其 x 軸正向應變 ε
x
為何?
(A) − 770× 10
− 6
(B)-786 ×10
-6
(C) -813× 10
-6
(D) -847× 10
− 6
33 圖示長度為 L,彎曲剛度(flexural rigidity)為 EI 之簡支梁 AB,於 A 端距離
處施加一逆鐘向 力矩 M
0
,則該點(力矩 M
0
之作用點)之轉角為:
(A)0 (B)
(C)
(D)
34 一長度為 L,彎曲剛度為 EI 之均質彈性懸臂柱固定於 A 端,現若於距該柱自由端 L/4 處另加一側支 撐(如圖所示),則此柱之理論挫屈載重值最接近下列何者?
(A)
(B)
(C)
(D)
35 圖示構件 AC 為半徑 r 之半圓形均勻桿件,斷面彎曲剛度(flexural rigidity)為 EI,兩端承受水平拉 力 P,則 A, C 兩點相對位移量為:
(A)
(B)
(C)
(D)
36 圖示長度為 L 之均勻簡支梁 AB,於 A 端距離
處施加一逆鐘向力矩 M
0
,則下列對該點(力矩 M
0
之作用點)之敘述何者正確?
(A)剪力為零 (B)位移為零 (C)彎矩不連續 (D)轉角不連續
37 如圖所示之均勻懸臂梁,該梁斷面之慣性矩為 I,楊氏模數為 E,若於其自由端施加如圖所示之集中 載重 P 及彎矩 PL,若只考慮撓曲變位,則其自由端 B 處之垂直變位為:
(A)
(B)
(C)
(D)
38 一由兩根長 2 m,斷面同為 24 cm× 20 cm 之矩形桿上下膠結合成之懸臂梁 AB(如圖所示)。若於其 自由端施加一純彎矩 40 kN-m,則於固定端 A 處上下矩形斷面間所需之水平膠結剪力強度至少為:
(A)5.0 MPa (B)2.5 MPa (C)1.25 MPa (D)0
重新載圖
39 一均質彈性材料圓形斷面梁所容許承受的最大剪力為 V,現若將圓形斷面變更為相同斷面積之矩形 斷面,則所能容許承受的最大剪力為: (A)
(B)
(C)
(D)
40 一直徑為 D 之圓形斷面均質彈性桿,其容許撓曲應力使其所承受的容許彎矩為 M。現若使用相同材 質,而直徑增為 2D 之斷面,則其容許之最大彎矩為: (A)M 2 (B) M 4 (C) M 8 (D) M
申論題 (4)
【已刪除】一、如下圖桿件,用虛位移法解其力與位移的關係(P 與 v2),敘述所用的假設及 理由,並說明結果為正確解或近似解。圖中 P 力為施於第 2 點,第 1 點為支撐 點,v2 為在第 2 點的位移。有關的材料性質自行假設。(15 分)
【已刪除】二、如下相片為一棟單層樓古住宅的屋頂,其屋頂上的載重由木造的樑桿系統支撐。 相片中箭頭所指之處為斜脊樑與橫樑兩桿件交會銜接的地方。以力學行為而言, 你認為此處應用何種方式銜接較好並敘述理由(如:完全黏結、穿入兩根以上 鐵釘固定、用一根鐵釘鉸接或是用鐵板包覆等)。(10 分)
【已刪除】三、兩根緊鄰的柱如下圖有共同的基礎及上部承載重,若要對此兩柱補強以使其共 同承受更大的軸向力、彎矩力、屈挫力及偏心力等,舉三種可行的做法,並解 釋其力學效果與經濟性。(10 分)
【已刪除】四、如下三個桿件圖,AB、BC 及 CD 桿件長度均為 L,圖中 A、B、C 與 D 點均為 鉸接,斜向交叉桿沒有接觸(AC 與 BD),在 B 點上承受水平力 P,每根桿件 的斷面性質均相同。但這三圖的端點支撐不同,如圖 1 的 A 與 D 點為自由水平 移動端,圖 2 在 A 點為鉸接支撐,圖 3 的 A 與 D 點均為鉸接支撐。分別計算在 此三圖上的 AB、BC 及 CD 桿件上的力,並說明其穩定狀況。(15 分)
相關試卷
114年 - 114 專技高考_結構工程技師:材料力學#133661
114年 · #133661
114年 - 114 專技高考_大地工程技師(ㄧ):材料力學#127506
114年 · #127506
113年 - 113 專技高考_結構工程技師:材料力學#123908
113年 · #123908
113年 - 113 專技高考_大地工程技師(ㄧ):材料力學#120298
113年 · #120298
112年 - 112 專技高考_結構工程技師:材料力學#117648
112年 · #117648
112年 - 112 專技高考_大地工程技師(ㄧ):材料力學#114622
112年 · #114622
111年 - 111 專技高考_結構工程技師:材料力學#111960
111年 · #111960
111年 - 111 專技高考_大地工程技師(一):材料力學#108382
111年 · #108382
110年 - 110 專技高考_結構工程技師:材料力學#104219
110年 · #104219
110年 - 110 專技高考_大地工程技師(一):材料力學#101386
110年 · #101386