阿摩線上測驗
登入
首頁
>
熱工學
> 105年 - 105 關務特種考試_三等_機械工程:熱工學#50095
105年 - 105 關務特種考試_三等_機械工程:熱工學#50095
科目:
熱工學 |
年份:
105年 |
選擇題數:
0 |
申論題數:
4
試卷資訊
所屬科目:
熱工學
選擇題 (0)
申論題 (4)
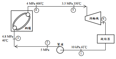
【已刪除】一、一蒸汽動力廠依照下圖所示循環的設定溫度和壓力下運轉,假設蒸汽渦輪機和幫浦 的運轉效率分別為 90%和 85%,請利用 T-s 圖標示此一循環的各狀態位置,並計算 其整體熱效率。(25 分)(已知 10 kPa 下,v
f
=0.001010 m
3
/kg,v
fg
=14.673 m
3
/kg, s
f
=0.6492 kJ/kg.K,s
fg
=7.5010 kJ/kg.K,h
f
=191.81 kJ/kg,h
fg
=2392.8 kJ/kg, h
3
=171.8 kJ/kg,h
4
=3213.5 kJ/kg,s
4
=6.7689 kJ/kg.K,h
5
=3104.0 kJ/kg,s
5
=6.6578 kJ/kg.K)
二、考慮一空氣標準冷凍循環(simple air-standard refrigeration cycle),空氣進入壓縮機的 熱力狀態為 0.12 MPa,-20℃,離開壓縮機的壓力為 0.6 MPa,空氣進入膨脹閥 (expander)時溫度為 15℃。請利用 T-s 圖標示此一循環的各狀態位置,計算其性能 係數(coefficient of performance, COP),並估算提供 2 kW 冷凍量時進入壓縮機的空 氣流率。(25 分)(假設空氣 C
po
= 1.0035 kJ/kg.K,C
vo
= 0.7165 kJ/kg.K)
三、考慮一空氣標準鄂圖循環(simple air-standard Otto cycle),壓縮比為 8,空氣開始被 壓縮的起始狀態為 0.1 MPa,15℃,加熱過程所需的熱傳量為 1800 kJ/kg air。假設 空氣為理想氣體,請計算此一循環的熱效率及其均效壓力(mean effective pressure)。(25 分)(假設空氣 C
po
= 1.0035 kJ/kg.K,C
vo
= 0.7165 kJ/kg.K)
四、請說明四行程柴油引擎的四個行程(stroke)和空氣標準狄賽爾循環(simple air-standard Diesel cycle)的四個過程(process),並比較說明上述四個行程和四個過 程的相關性。(25 分)
相關試卷
114年 - 114 公務升官等考試_薦任_機械工程:熱工學#133223
114年 · #133223
114年 - 114 關務特種考試_三等_機械工程(選試英文):熱工學#126654
114年 · #126654
113年 - 113 關務特種考試_三等_機械工程(選試英文):熱工學#119464
113年 · #119464
112年 - 112 公務升官等考試_薦任_機械工程:熱工學#117329
112年 · #117329
112年 - 112 關務特種考試_三等_機械工程:熱工學#113922
112年 · #113922
111年 - 111 關務特種考試_三等_機械工程:熱工學#107584
111年 · #107584
110年 - 110 公務升官等考試_薦任_機械工程:熱工學#103661
110年 · #103661
110年 - 110 關務特種考試_三等_機械工程:熱工學#98265
110年 · #98265
109年 - 109 關務特種考試_三等_機械工程:熱工學#86412
109年 · #86412
108年 - 108 公務升官等考試_薦任_機械工程:熱工學#80446
108年 · #80446