阿摩線上測驗
登入
首頁
>
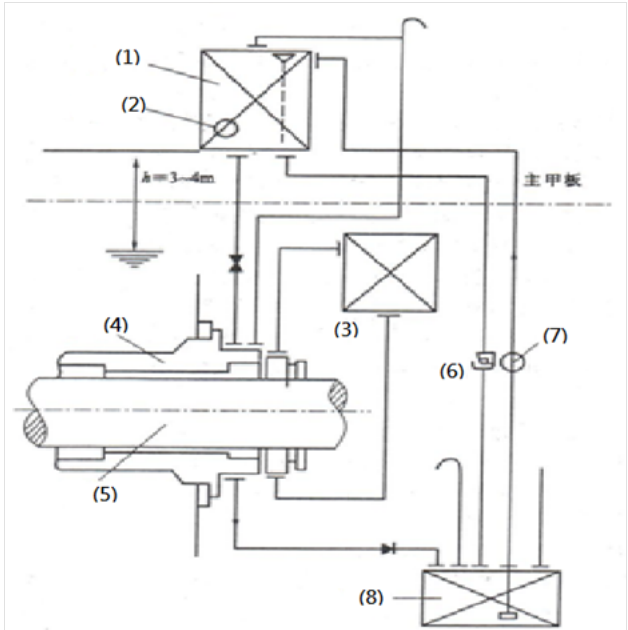
輪機工程(概要)(包括推進裝置、輔機與輪機英文)
> 105年 - 105-3 交通部航海人員測驗_二等管輪:輪機工程概要(包括推進裝置概要、輔機概要與輪機英文)#57196
105年 - 105-3 交通部航海人員測驗_二等管輪:輪機工程概要(包括推進裝置概要、輔機概要與輪機英文)#57196
科目:
輪機工程(概要)(包括推進裝置、輔機與輪機英文) |
年份:
105年 |
選擇題數:
40 |
申論題數:
0
試卷資訊
所屬科目:
輪機工程(概要)(包括推進裝置、輔機與輪機英文)
選擇題 (40)
1. 船舶推進軸系統中,就軸系示意圖而言,(1)應為下列何者? (A) 主機 (B) 推力軸 (C) 中間軸 (D) 艉軸
2. 船舶推進軸系統中,就軸系示意圖而言,推力軸承應為下列何者?
(A) (1) (B) (2) (C)(3) (D)(4)
3. 船舶推進軸系統中,就軸系示意圖而言,艉軸滑油泵 (Stern tube L.O. pump)應為下列 何者?
(A) (11) (B) (12) (C) (13) (D) (14)
4. 於船舶推進軸系統中,就艉軸管潤滑系統示意圖而言,回油櫃(Return Oil Tank)應為下 列何者?
(A)(5) (B) (6) (C) (7) (D) (8)
5. 離心式泵的擴散管(Volute)功能為何? (A) 增加動能 (B) 轉換為壓力能 (C) 增加位能 (D) 轉換為速度能
6. 下列有關各型式泵之敘述何者正確? (A) 噴射泵除了抽送液體外,亦可用來抽冷凝器中之空氣 (B) 螺旋槳式泵適於用來抽送燃油與滑油 (C) 離心式泵特別適合作為緊急用泵 (D) 往復式泵啟動時必須先加引水
7. 碟式油分離機的排渣情形,因排渣機構之不同,又可分為自動部分排渣與自動連續排渣。 其中自動部分排渣每次只將盤堆外之污泥及水分排出70%左右,採用部分排渣的好處如下,下列何項 敘述錯誤? (A) 排渣時不需要停機,提高分油機的工作效率。 (B) 不需要沖洗水,減少淡水的消耗量。 (C) 排出的渣液只含水,不含油,提高了經濟效益。 (D) 排渣時不需要停機,但須暫時停止進油,以防止跑油。
8. One kind of equipment is applied for automatic discharge of condensate from piping, heaters and other equipment. Which equipment is above description? (A) Heater (B) Trap (C) Strainer (D) Filter
9. 鍋爐安全閥的開啟壓力與關閉壓力之差,稱之為何? (A) 限制壓力 (B) 安全壓力 (C) 吹降壓力 (D) 工作壓力
10. 溶解在給水內之不純物質,會於鍋爐蒸發管及高溫部份產生鍋垢,阻礙傳熱與降低鍋爐 效率,甚至導致鍋爐燒燬,此不純物質係指何物質? (A) 重碳酸鎂 (B) 鈣、鎂之硫酸鹽 (C) 鈣、鎂之氫氧化物 (D) 碳酸鈣
11. 下列有關增進鍋爐效率的方法何者正確? (A) 烟道中加裝空氣預熱器 (B) 增加鍋爐蒸汽壓力 (C) 加裝蒸汽式再熱器 (D) 提高鍋爐燃燒率
12. 電動油壓錨機運轉時應注意下列何者? (A) 檢查磁力制動器是否有效 (B) 大負載時減少油壓泵之進、出口量 (C) 拋錨時,應以離合器咬住絞盤轉軸,減低拋錨速度 (D) 收錨時,應將守住輪(Locking hand wheel)守住
13. 蒸氣絞纜機啟動前,應先採取何種作業? (A) 以人力鬆脫動絞盤 (B) 灌入蒸氣以利排水 (C) 開啟排水旋塞 (D) 淡水清洗纜繩
14. 船舶推進軸系統中,就下圖而言(9)應為下列何者?
(A) 上軸瓦 (B) 下軸瓦 (C) 軸承蓋 (D) 軸承座
15. 在機艙之淡水冷卻系統中使用淡水泵的熱傳遞原理為下列何者? (A) 自然對流 (B) 熱傳導 (C) 熱幅射 (D) 強制對流
16. 依據能量守恆定律,當蒸汽通過噴嘴時,壓力與速度變化為何? (A) 壓力上升,速度下降 (B) 壓力下降,速度下降 (C) 壓力上升,速度上升 (D) 壓力下降,速度上升
17. 關於冷媒之環保與安全之特性要求,下列敘述何者有誤? (A) 冷媒中的氟氯碳化物會對臭氧層產生破壞 (B) 冷媒之臭氧層破壞指數要低 (C) 冷媒之全球暖化指數要高 (D) 冷媒為無毒性、無刺激性
18. One kind of tools which are in common use for daily maintenance works on the ship is the one-piece with a U-shaped opening that grips two opposite faces of a bolt or nut. This tool is often double-ended with different-sized opening at each end. Each end of the tool is often oriented at an angle of around 15 degrees to the longitudinal axis of the handle. Which tool is above description? (A) Adjustable spanner (B) Ring spanner (C) Open-end spanner (D) Hammer
19. 若你想支持對方,下列何者可以表達你的意思? (A) I am in. (B) I am speechless. (C) I am with you. (D) It’s on me.
20. 在實施演練時,你可以下列何項表示該你進行了 (A) It’s too late. (B) It’s on me. (C) It’s my turn. (D) Just do it.
21. 往復式泵於出口加裝空氣室(air chamber),其主要目的在於改善何種缺點? (A) 過低之出口壓力 (B) 過低之吸引真空壓力 (C) 脈動之液體輸出 (D) 過低之出口流量
22. 下列有關空氣壓縮機之敘述何者正確? (A) 貯氣瓶可消除壓力之脈動現象 (B) 運轉時貯氣瓶之疏水閥必須保持開啟狀態,以除去凝水 (C) 空氣壓縮機一般在卸荷閥關閉下起動 (D) 空氣壓縮機在運轉時,卸荷閥可避免壓縮機發生過熱
23. 為便於分辨機艙中眾多的管路系統。通常在管子上每隔一段距離即以不同的顏色色帶或 油漆塗料於管子的外殼上施以明顯的記號,使易於辨明為何種管路國際上對管路系統的顏色區分 ,有一個標準規定,淡水管路漆以何種顏色? (A) 綠色 (B) 黃色 (C) 黑色 (D) 藍色
24. 若真空式造水機停用時間較長,應採取下列何者措施? (A) 充滿海水 (B) 完全排放鹽水 (C) 完全真空 (D) 加入酸性物質
25. Which valve is used to relieve excess pressure in all pressure vessels including evaporator and in steam lines? (A) Relief valve (B) Gate valve (C) Butterfly valve (D) Angle valve
26. Which one of instructions for safety precautions described in the working manual is incorrect? (A) Install a fire extinguisher against a possible fire, and check how to use it. (B) Carrying out the actions to prevent a possible fire when fire or an accident has occurred. (C) Fix a safekeeping place for a first-aid kit, and install it there. (D) Establish a means of reporting to emergency medical institution such as an emergency hospital, and have its telephone number written down.
27. 船舶推進軸系統中無鍵式(keyless)推進器,就下圖而言其應力釋放溝槽,應為下列何者 ?
(A) (1) (B) (2) (C) (3) (D) (4)
28. 當往復式泵於長時間工作後,泵的吸入空氣室內的空氣量會如何變化? (A) 增加 (B) 減少 (C) 不變 (D) 與水溫有關
29. 船舶推進系統,若採用直接傳動的方式,沒有減速裝置,下列何種設置為必備裝置? (A) 制動裝置 (B) 離合裝置 (C) 支撐軸承 (D) 傳動軸系
30. 船舶推進系統,若採用間接傳動的方式,其主要優點為何? (A) 結構簡單 (B) 傳動效率高 (C) 機動性能高 (D) 經濟效用高
31. 船舶推進系統,為提高船舶操縱性能,可採用何種推進布置? (A) 單機單槳 (B) 雙機雙槳 (C) 多機單槳 (D) 雙機單槳
32. 通常冷凍壓縮機的能量調節動作信號為下列何者? (A) 排氣壓力 (B) 吸氣壓力 (C) 滑油壓力 (D) 蒸發壓力
33. 固定螺距無鍵式(keyless)螺槳之轂部和推進軸之嵌合部分常為何種形狀? (A) 方柱形 (B) 圓錐形 (C) 圓柱形 (D) 梯形
34. 船舶艏側推進器不能由下列那個位置操控? (A) 駕駛台 (B) 駕駛台兩舷 (C) 舵機房 (D) 側推進器旁
35. 軸向柱塞泵與徑向柱塞泵相比,對軸向柱塞泵之敘述,下列何者正確? (A) 適用工作壓力較高 (B) 變量範圍較大 (C) 濾油精度要求不高 (D) 不易磨損
36. 當機艙大量進水時,利用何種泵可將機艙內海水抽至船外? (A) 主海水泵 (B) 缸套冷卻水泵 (C) 活塞冷卻水泵 (D) 滑油泵
37. 艉軸發生裂紋的部位最常發生在何處? (A) 艉軸端部 (B) 端部之螺牙 (C) 接觸之錐體大端 (D) 軸之表面
38. What shall be checked for the air reservoir in order to make sure of the successful start of a diesel engine? (A) length (B) pressure (C) temperature (D) weight
39. 固體粒子在液體中下沉,當阻力(F)、重力(G)、浮力(P)等三力關係為何時,達到 平衡狀態,球形固體粒子為等速度下降? (A) F+P-G=0 (B) F-P+G=0 (C) F-P-G=0 (D) F+P+G=0
40. Lubricating-oil filters remove contaminants more efficiently if the lubricating oil is under what condition? (A) under high pressure (B) under low pressure (C) heated to reduce viscosity (D) cooled to increase viscosity
申論題 (0)
相關試卷
114年 - 114-3 交通部航港局_船員岸上晉升適任性評估筆試測驗_三等管輪(新):輪機概論#133730
114年 · #133730
114年 - 114-4 航海人員測驗_一等管輪:輪機工程(包括推進裝置、輔機與輪機英文 )#133526
114年 · #133526
114年 - 114-3 航海人員測驗_一等管輪:輪機工程(包括推進裝置、輔機與輪機英文 )概要#130591
114年 · #130591
114年 - 114-3 航海人員測驗_二等管輪:輪機工程(包括推進裝置、輔機與輪機英文 )概要#130416
114年 · #130416
114年 - 114 海岸巡防特種考試_四等_海洋巡護科輪機組:輪機工程概要(包括推進裝置概要、輔機概要與輪機英文)#130200
114年 · #130200
114年 - 114 海岸巡防特種考試_三等_海洋巡護科輪機組:輪機工程(包括推進裝置、輔機與輪機英文)#130194
114年 · #130194
114年 - 114 海岸巡防特種考試_四等_海洋巡護科輪機組:輪機工程概要#129842
114年 · #129842
114年 - 114 海岸巡防特種考試_三等_海洋巡護科輪機組:輪機工程(包括推進裝置、輔機與輪機英文)#129839
114年 · #129839
114年 - [無官方正解]114-2 航海人員測驗_二等管輪:輪機工程(包括推進裝置、輔機與輪機英文)#128257
114年 · #128257
114年 - 114 一般警察特種考試_四等_水上警察人員輪機組:輪機工程概要(包括推進裝置、輔機與輪機英文)#127691
114年 · #127691