阿摩線上測驗
登入
首頁
>
台電◆基本電學
> 105年 - 105 台灣電力公司_新進僱用人員甄試:基本電學#53708
105年 - 105 台灣電力公司_新進僱用人員甄試:基本電學#53708
科目:
台電◆基本電學 |
年份:
105年 |
選擇題數:
0 |
申論題數:
33
試卷資訊
所屬科目:
台電◆基本電學
選擇題 (0)
申論題 (33)
1.有一部額定 1000kW的風力發電機、一部額定 500kW的水力發電機及一套額定 100kW的太陽 能發電設備,現風力發電機平均每日以額定容量發電 8 小時,水力發電機平均每日以額定容 量發電 20 小時,而太陽能發電設備平均每日以額定容量發電 4 小時。假設三種發電模式每 1 度電的經濟效益皆為 5 元,則平均每日的總經濟效益為______元。
2.有一金屬導線長 5 公分,接於電動勢為 180 伏特(V) 之電池兩極後,通過之電流為 36 安培(A) , 若所接之電池不變,而欲使通過導線之電流為4安培(A),則應將導線拉長為______公分。(註: 導線為同一金屬、體積不變且均勻拉長)
3.自感量分別為 2 亨利(H)及 5 亨利(H)之線圈,兩線圈之互感值為 0.5 亨利(H),若將其串聯且 使其互感為負,並通上 3 安培(A)的電流,則此時線圈儲存之總能量為______焦耳(J)。
4.有一 RLC 串聯共振電路,若其中電源電壓有效值為 60 伏特(V),頻率為 30kHz,電阻為 20 歐 姆(Ω),電容阻抗為 50 歐姆(Ω),則共振時之頻帶寬為______kHz。
5.有一三相 Δ 型連接平衡負載,接於三相平衡電源,已知每相負載阻抗為 11∠60° 歐姆(Ω),電 源線電壓有效值為 220 伏特(V),則此負載消耗的總有效功率為______瓦特(W)。
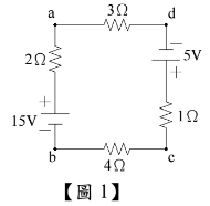
【已刪除】6.如右【圖 1】所示,V
ab
為______伏特(V)。
【已刪除】7.如下【圖 2】所示,I為______安培(A)。
【已刪除】8.如下【圖 3】所示,Va為______伏特(V)。
【已刪除】9.開關 S1 及 S2 同時閉合前,兩電容各有之電壓如下【圖 4】所示, 若兩開關同時閉合後,則 V
ab
為______伏特(V)。
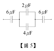
【已刪除】10.如下【圖5】所示,該電容組合之等效電容為______微法拉(μF)。
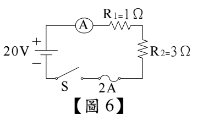
【已刪除】11.如下【圖 6】所示之實驗電路,保險絲耐電流能力為 2安培(A) ,假設安培計內阻遠小於 R
1
及 R
2
,當開關接通很久後方可觀察,則安培計指示為______安培(A)。
【已刪除】12.如下【圖 7】所示之直流電路,當開關 S置於 a點且穩態時,流經 2Ω電阻之電流大小為______ 安培(A)。
【已刪除】13.如下【圖 8】所示,其總阻抗 Z 之絕對值(|Z|)為______歐姆(Ω)。
【已刪除】14.如下【圖 9】所示,電阻 R為 4歐姆(Ω),若 ab兩端接入交流電壓為 40√2sin(1000t)伏特(V), 已知電路電流 I 的有效值為 8 安培(A),則電感 L 為______毫亨利(mH)。
【已刪除】15.如下【圖 10】所示之 R-L-C 串聯電路,電阻 R 兩端電壓為 V
R
,電感 L 兩端電壓為 V
L
,電容 C 兩端電壓為 V
C
,若|V
S
|=100 伏特(V),|V
R
|=60 伏特(V),|V
L
|=10 伏特(V),則|V
C
|為______伏 特(V)。
【已刪除】16.如下【圖11】所示,若此電路發生諧振,則X
C
為______歐姆(Ω)。
【已刪除】17.如下【圖 12】所示,則電流 I 為______安培(A)。
【已刪除】18.如下【圖13】所示,則V
a
為______伏特(V)。
【已刪除】19.如下【圖 14】所示,若欲使 V
ab
=30V,則電阻 R 為______歐姆(Ω)。
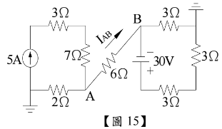
【已刪除】20.如下【圖 15】所示,則 I
AB
為______安培(A)。
【已刪除】(1)(3 分)
【已刪除】 (2)(3 分)
【已刪除】(3)(4 分)
(1)功率因數 PF 為多少?(2 分)
(2)視在功率 S 為多少伏安(VA)?(2 分)
(3)無效功率 Q 為多少乏(VAR)?(3 分)
(4)有效功率 P 為多少瓦特(W)?(3 分)
(1)電流 ic為多少毫安培(mA)?(5 分)
(2)充電時間常數τ為多少秒?(5 分)
(1)求 AB 端看入之戴維寧等效電壓 Eth 為多少 伏特(V)?(2 分)
(2)求 AB 端看入之戴維寧等效電阻 Rth 為多少 歐姆(Ω)?(2 分)
(3)若放入一電阻 R連接 AB端,且電阻 R可獲 得最大功率,求此時電阻 R 為多少歐姆 (Ω)?(3 分)
(4)承(3),此電阻 R 最大功率為多少瓦特(W)? (3 分)