所屬科目:助理工程師
14.直徑 d=100mm 的虹吸管,位置如附圖所示,所抽取之流量(不計水頭損失)為何?
(A)0.068 m3 /s (B)0.078 m3 /s (C)0.088 m3 /s (D)0.098 m3 /s
18.如圖所示,封閉盛水容器內的水面絕對壓力 p=85kPa,中間細玻璃管兩端開口,試問當既無空 氣通過細玻璃管進入容器,又無水進入細玻璃管時,玻璃管應伸入水下的深度 h= ? (A)0.85m (B)1.33m (C)8.5m (D)1.5m
20.如圖所示,容器內盛兩種不同的液體(ρ1<ρ2),則圖中測壓管內液體高度 h= (A)h1+h2 (B)ρ1h1+ρ2h2 (C)(ρ1/ρ2) h1+h2 (D)h1+(ρ1/ρ2) h2
21.一鉛直矩形閘門如圖所示,已知 h1=1.0m,h2=2.0m,b=1.5m,則作用在閘門上的靜水總力為 何? (A)78.8kN (B)98.8kN (C)58.8kN (D)68.8kN
22.如圖所示一圓柱體,其左半部在靜水作用下受到浮力 F,則圓柱體在該浮力作用下將 (A)均速 轉動 (B)加速轉動 (C)減速轉動 (D)固定不動
23.如圖所示一圓柱體,其直徑 d=2m,左側水深 h1=2m,右側水深 h2=1m,則該圓柱體單位長度 上所受到靜水總力的水平分力為何? (A)14.7kN(←) (B)14.7kN(→) (C)29.4kN(←) (D)29.4kN(→)
45.如圖所示,流量 Q=0.05cms,管徑 D1=20cm,D2=40cm,試求 h 為何? (A)3.96m (B)2.96m (C)1.96m (D)0.96m
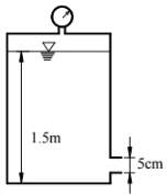
46.如圖所示,一封閉容器中裝有水,水面之壓力為 10cm 水銀柱高,求噴口之流速? (A)8.49m (B)7.49m (C)6.49m (D)5.49m