所屬科目:台電◆電工機械
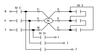
29. 右圖為三相感應電動機之Y-△起動之主電路,未完成部分之正確接線應為下列何者?(A) 1接X、2接Y、3接Z (B) 1接Z、2接X、3接Y (C) 1接Y、2接X、3接Z (D) 1接Y、2接Z、3接X
30. 右圖為雙蔽極線圈的蔽極式電動機,欲使電動機順時針方向旋 轉,應將哪兩個蔽極線圈短接? (A) A1、A2 (B) B1、B2 (C) A1、B1 (D) A2、B2
39.(A)(B)(C)(D)
43.
(A)(B)(C)(D)
48.(A)(B)(C)(D)