所屬科目:國營事業◆1.建築結構、構造與施工 2.建築環境控制
12如右圖之焊接標示,下列敘述何者正確?
(A) (B) (C) (D)
18. 如右圖所示為一連續梁承受向下均布載重,則下列抗拉鋼筋配置何者正確? (A) (B) (C) (D)
20. 右圖虛線中與耐震壁接合之梁、柱,其彎矩圖何者正確?(耐震壁視為不可變形,彎矩圖繪於拉力側)
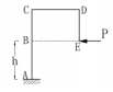
21. 右圖承受水平力作用的二層樓結構物,請問其整體的變位δ為何 ?第一層的水平勁度為2 K,第二層的水平勁度為 K,梁為剛體 ,柱無伸縮的情形。 (A) 7P/2K (B) 5P/2K (C) 3P/2K (D) P/K
22. 下圖承受垂直荷重P的桁架A、B、C,各構材為相同材質,斜撐材的斷面積分別為a、2a、3a ,水平構材的斷面積均為a,請問桿件XY內力N之大小關係敘述,下列何者正確? (A) NA>NC>NB (B) NC>NB>NA (C) NA>NB>NC (D) NB=NC=NA
23 右圖承受荷重之結構,其彎矩圖何者正確?(彎矩圖繪於拉力側)
24. 下圖的構架A、B、C,梁為剛體,柱全為相同材質、斷面,基本週期分別為TA、TB、TC,其大小關係之敘述何者正確? (A) TA>TC>TB (B) TC>TA>TB (C) TC>TA=TB (D) TA=TC>TB
25. 下圖長度和構材端支承條件各異的柱A、柱B、柱C(柱全為相同材質、斷面),彈性挫屈荷重分別為PA、PB、PC,其大小關係之敘述何者正確? (A) PA>PB>PC (B) PB>PA>PC (C) PC>PB>PA (D) PA=PB=PC