所屬科目:A.電工原理、B.電機機械
1. 如【圖 1】所示,各電感之間無互感存在,則 a、b 兩端之總電感值為多少? (A) 15mH(B) 12mH (C)9mH (D)4.5mH
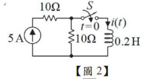
2. 如【圖 2】所示,若開關 S 閉合時t = 0,則t > 0的電流i(t) 為何? (A) (B) (C) (D)
4. 如【圖 3】所示之電路,若 I 2 = 0A ,則 R 與 I1 分別為何? (A)R = 6Ω,I1 = 5A (B) R = 6Ω,I1 = 3A (C) R = 8Ω,I1 = 3A (D) R = 8Ω,I1 = 5A
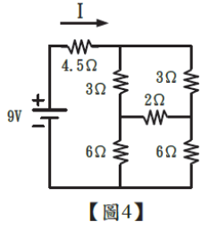
5. 如【圖 4】所示電路,求電流 I 為多少安培? (A)1A (B)2A (C)1.5A (D)3A
6. 如【圖 5】所示,Rab 為多少歐姆? (A)5Ω (B)11Ω (C)18Ω (D)8Ω
7. 如【圖 6】所示之串聯電路,若阻抗 = 5∠53.1°Ω, = 6 + j8Ω ,當加上 =150∠0°V之 電壓時,則 為何?(sin 53.1° = 0.8 , cos53.1° = 0.6) (A)100∠0°V (B)100∠53.1°V (C)50∠0°V (D)50∠53.1°V
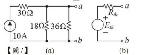
8. 如【圖 7】所示,其中圖(b)為圖(a)之等效電路,則 Eth 及 Rth 分別為何? (A) Eth =120V, Rth =12Ω (B) Eth = 90V, Rth =12Ω (C) Eth = 20V, Rth = 2Ω (D) Eth =10V, Rth = 2Ω
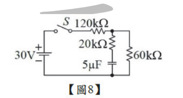
9. 如【圖 8】所示,開關 S 閉合時的充電時間常數及開關 S 開啟後的放電時間常數,分別為 多少秒? (A)0.3 及 0.4 (B)0.4 及 0.3 (C)0.4 及 0.2 (D)0.2 及 0.4 S S
10. 如【圖 9】所示,負載兩端的電壓= 4 + j3V ,流經此負載的電流 = 6 − j6V ,則此電 路 消耗之複數功率 為何? (A)7 − j14VA (B)6 + j42VA (C)7 + j26VA (D)42 − j6VA
11. 如【圖 10】所示,求流經 3 Ω 電阻的電流 I 為多少安培? (A)2A (B)1A (C)4A (D)3A
13. 如【圖 11】所示,求Cab 兩端電容量為多少法拉? (A)2μF (B)4μF (C)6μF (D)8μF
14. 如【圖 12】所示電路,在 t = 0+ 時,開關 S 閉合瞬間,此時電流 I 為多少安培? (A)5A(B)10A(C)15A (D)20A
15. 如【圖 13】所示, RL 可得之最大功率為何? (A)4W (B)8W (C)12W (D)16W
16. 如【圖 14】所示,電路中 RL = 3Ω處所消耗之功率為何?(A)8W (B)12W (C)24W (D)36W
17. 如【圖 15】所示之電路,若VC =10V,則 RL 約為多少? (A)2Ω (B)3Ω (C)4Ω (D)5Ω
19. 外接電流源 = 5∠0°A 的 RLC 並聯電路中,電阻 R = 20Ω ,電感 L = 5mH ,電容 C =10μF 。當發生諧振時,該電路平均消耗功率約為多少? (A)80W (B)100W (C)160W (D)500W
20. 如【圖 16】所示為電壓 v(t)之週期性波形,其平均值為何? (A)0.5V (B)1V (C)1.5V (D)2V
21. 如【圖 17】所示,總阻抗為多少歐姆? (A)8∠0°Ω (B)10∠0°Ω (C)8∠ − 37°Ω (D)10∠ − 37°Ω
22. 如【圖 18】所示之1φ2W 與1φ3W供電系統,其中每一配電線路的等效電阻為 r,單一負載 皆為 1kW。若1φ2W 系統供電之配電線路損失為 P2W ,1φ3W系統供電之配電線路損失為 P3W ,則下列敘述何者正確? (A) P3W = 0.5P2W (B) P3W = 3P2W (C) P3W = 4P2W (D) P3W = 0.25P2W
23. 三相平衡 Y 接電源系統,n 為中性點,若線電壓分別為ab = 220∠0°V、 bc = 220 ∠120°V 及 ca = 220 ∠ −120°V ,下列有關相電壓之敘述,何者正確? (A)= 220∠0°V (B) = 220 ∠0 −150°V (C) = 220∠90°V (D)= 220∠90°V
26. 有一交流電路,已知 =100∠0°(V) ,=10∠ − 60°A ,求平均功率(P)為何?= (A)1000W (B)866.7W (C)750W (D)500W
27. 如【圖 19】所示,a、b 兩端的電壓為vab (t) ,則下列敘述何者正確? (A)vab (5) = 5mV (B)vab (3) = 2.5mV (C)vab (1) =1.25mV (D)vab (9) = −5mV
28. 如【圖 20】所示,若電壓源 E = 96V, R1 = 6Ω , R2 = 3Ω , L = 5mH ,開關 SW 閉合時 為 t = 0,請問t > 0之iL (t) 為何? (A) (B) (C)(D)
29. 如【圖 21】所示之電路,試求節點電壓Va 為何? (A)6V (B)3V (C)2V (D)1V
30. 如【圖 22】所示之 RLC 串並聯交流電路,試問下列敘述何者正確? (A)流經電感器的電流 = 2∠90°A (B)a、b 兩端電壓 ab = 7.2∠53.1°A (C)電源電流= 2.4∠ − 36.9°A (D)總阻抗 = ∞Ω °°
31. 如【圖 23】所示,求 Rab為多少歐姆? (A)5Ω (B)15Ω (C)25Ω (D)35Ω
32. 如【圖 24】, 庫侖, Q2 = 2 x 10-9 庫侖,則【圖 24】中 a 點電位為多少伏特?(A)50V (B)33V (C)27V (D)21V
33. 如【圖 25】(a)圖所示導體 A 垂直於紙面通以電流(導體 表示電流流出紙面),則(b)圖中 導體 A 受力方向應往哪個方向移動?(A)上方 (B)下方 (C)左方 (D)右方
35. 有一正弦波電壓v(t) =100sin(377t − 30°)V ,試求當 時之瞬間電壓值為何? (A)50V (B)-50V (C)86.6V (D)-86.6V
36. 如【圖 26】所示之串並聯電路,其三個電容規格分別為 30μF/150V、60μF/100V 及 30μF/350V,則電路中 E 可加之最大電壓為何? (A)225V (B)200V (C)175V (D)350V
37. 有一 RLC 並聯交流電路,若 R =10Ω、L =10mH 、總導納 = 0.1∠45°S ,電源電壓 v(t) =10sin(1000t + 30°)V ,則下列敘述何者正確? (A)流經電感器的電流iL (t) =1.0sin(100t − 60°)A (B)電容 C=200μF (C)此電路為電感性電路 (D)電源電流i(t) = 50 sin(1000t −15°)A
39. 如【圖 27】所示之電路,試求節點電壓Va 為何? (A)13V (B)12V (C)9V (D)5V
40. 求【圖 28】中 a、b 兩點之電壓為多少伏特? (A)7V (B)12V (C)42V (D)48V
41 如【圖 29】所示,若電壓源 E =15V ,R1 = R2 = R3 =10Ω , C =10μF ,開關 SW 打開時為 t = 0,則下列敘述何者錯誤? (A)t > 0之電路時間常數 τ=0.15ms (B)t = 0電容器的電壓為零 (C)開關打開後電路達穩態時電容器 C 電壓大小為 7.5V (D)電路達穩態後,有 0.5A 電流流過電容器 C
42 如【圖 30】所示,求流經 10 Ω 電阻兩端的電壓為多少伏特? (A)10V (B)20V (C)30V (D)40V
46如【圖 31】所示之三相平衡電路,若電源線對線電壓有效值為200 V ,負載阻抗L = 6 + j8Ω ,則三相負載的總平均功率為何? (A)9.6kW (B)7.2kW (C)6.4kW (D)3.2kW ° °
47如【圖 32】所示之電路,若調整負載電阻 RL 以獲得負載最大功率 Pmax ,則發生最大 功率轉移時的 RL及 Pmax分別為何? (A) RL = 2Ω ,Pmax =50W (B) RL =10Ω,Pmax =125W (C) RL = 5Ω,Pmax =50W (D) RL = 5Ω,Pmax =125W
48兩電壓v1 (t) =100 sin(377t + 30°)V及v2 (t) =10cos(377t - 60°)V ,下列有關該兩電壓相 位關係的敘述,何者正確? (A)v2 的相位角與 v1 同相 (B)v2 的相位角超前 v1為 90° (C)v2 的相位角落後 v1為 90° (D)v2 的相位角落後 v1為 60°
49 有一額定為 220V、6400W 之電熱器線,若將這電熱器線的長度剪去後,接到 110V 之電 源上,則其消耗功率為何?(A)800W (B)1250W (C)1600W (D)2000W 15