所屬科目:技檢◆配電線路裝修-丙級
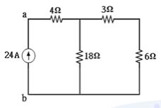
126. 如下圖電路中,a b 兩點之電壓為 (A)110V (B)120V (C)220V (D)240V 。
127. 如下圖電路中,流過 3Ω電阻之電流為 (A)4A (B)7A (C)8A (D)16A 。
128. 下圖電路中,兩個電容 C1 =100μF 及 C2 = 200μF 串聯,測得電容 C1 兩 端電壓為 10V,則電源電壓 E 為多少 V? (A)30 (B)25 (C)20 (D)15 。
130. 某電路如下圖,流過 2Ω電阻的電流為多少安培 ? (A)0 (B)10 (C)20 (D)30 。
131. 下圖電路中,流過 12Ω電阻的電流為多少安培 (A)0 (B)10 (C)20 (D)30 。
132. 下圖電路中,兩個電容,C1 = 12μF、C2 = 24μF 串聯,外加電壓 24V, 則 C1 、C2 各帶多少電量 (A)192μC、192μC (B)864μC、864μCF (C)192μ C、864μC (D)864μC、192μC 。
133. 下圖電路中,30μF 電容兩端的電壓為多少伏特 (A)2 (B)4 (C)6 (D)8 。
134. 下圖電路中,40μF 電容儲存的電量為多少微庫侖 (A)80 (B)120 (C)160 (D)20 0 。
135. 下圖電路中,到達穩態時,電流 I 為多少安培 (A)2 (B)3 (C)4 (D)5 。