所屬科目:大地工程基礎學科(三)
3 等值彎矩修正因數(Cm)應按 Cm = 0.6 + 0.4 計算,下列敘述何者錯誤?
(A)Cm 最小值為 0.4 (B)Cm 最大值為 1.0 M1 (C)當桿件呈雙曲度時, 之比值為正值 (D)修正因數主要係考量當施加於桿件的一次彎矩不是均佈時
13 如圖所示為雙向版正負彎矩設計示意圖,該版所有內支承間均無梁但有邊梁,若採用「直接設計法」 設計時,下圖中之 x, y 與 z 值分別為何?
(A)0.00, 0.63, 0.75 (B)0.30, 0.50, 0.70 (C)0.16, 0.57, 0.70 (D)0.26, 0.52, 0.70
14 若剛性基腳下方為黏土時,則其與基腳接觸面之土壤壓力分布最接近以下何圖?
(A) (B) (C) (D)
30 某一工程原設計混凝土抗壓強度 f ′ c=280 kgf/cm2,鋼筋規定降伏強度 fy=4,200 kgf/cm2,梁主筋稱號為 D32 採用 90 度標準彎鉤伸入柱內錨定如下圖所示,原設計標準彎鉤之受拉伸展長度 a 至少 19݀db,標 準彎鉤之末端直線延伸段長度 b 至少 12݀db ,其中݀db 為鋼筋標稱直徑。現場施作發現柱深度僅容許 a=17݀db ,請問下列處理方式何者為宜? (A)將 90 度標準彎鉤改為 180 度標準彎鉤即可 (B)仍用 90 度標準彎鉤,但是將混凝土強度提高至 350 kgf/cm2 以上 (C)仍用 90 度標準彎鉤,但是將末端直線延伸段長度 b 增加為 14݀db 以上 (D)受拉伸展長度 a 只有短少 2݀db 可以忽略,不影響錨定能力
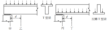
31 下圖 T 型梁與反轉 T 型梁抵抗垂直載重,試問兩者支承處之最大設計剪力可分別取下列那一位置為 臨界斷面計算剪力值,是經濟且安全的? (A)乙和丙 (B)乙和丁 (C)甲和丙 (D)甲和丁
36 假設一方柱一圓柱如下圖所示,已知兩柱斷面積相近、混凝土強度相同且皆沿周邊配置相同強度的 8 支 D22 鋼筋,保護層厚度亦相等。若柱受軸壓及單軸彎矩,試問兩柱發生平衡破壞時,何者之平衡 破壞彎矩強度較大?
(A)方柱較大 (B)圓柱較大 (C)一樣大 (D)無法比較
37 下圖為一橫箍柱緊密圍束箍筋設計例及參考公式,已知混凝土抗壓強度 f c′ =280 kgf/cm2,橫向鋼筋降 伏強度 fyt=4,200 kgf/cm2,Ag 為柱總斷面積,Ach 為橫箍筋外緣以內之柱核心斷面積,bc 為柱核心寬度, D10 鋼筋截面積 0.71 cm2,D13 鋼筋截面積 1.27 cm2。假設保護層厚 4 cm,下列箍筋設計組合何者最佳?
(A)D10 閉合箍筋及繫筋間距 5 cm
(B)D10 閉合箍筋及繫筋間距 10 cm
(C)D13 閉合箍筋及繫筋間距 10 cm
(D)D13 閉合箍筋及繫筋間距 15 cm
39 承上題,下表是單向版最小厚度規定值。試問上圖之單向版最小厚度不得小於若干?
(A) l / 20 (B) l / 24 (C) l / 28 (D) l / 10
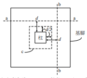
40 一正方形之獨立基腳承載混凝土柱如下圖所示,其中 a-a、b-b 斷面距離柱面 1 倍有效深度 d,而 c-c 斷面為距離柱四面各 d/2 處。試問基腳之設計剪力強度應取那一個斷面位置作決定?
(A)考慮 a-a 及 b-b 斷面,並取較安全者為準 (B)考慮 a-a 及 b-b 斷面,並取較經濟者為準 (C)考慮 a-a、b-b 及 c-c 斷面,並取較安全者為準 (D)考慮 a-a、b-b 及 c-c 斷面,並取較經濟者為準
一、已知一鋼筋混凝土簡支梁跨度 5 m,T 型梁斷面尺度及配筋如下圖所示,梁自 重忽略不計,試求此梁依撓曲及剪力強度所能承受之最大設計均佈載重 wu。已 知此梁底層配置 6 支 D25 鋼筋分兩層排列,D25 鋼筋單支斷面積為 5.07 cm2, 規定降伏強度 fy 為 4,200 kgf/cm2;梁頂層筋應力甚小忽略不計;橫向鋼筋為 D13 閉合箍筋間距 20 cm,D13 鋼筋單支斷面積為 1.27 cm2,規定降伏強度 fyt 為 2,800 kgf/cm2;混凝土規定抗壓強度為 280 kgf/cm2。提示:注意彎矩臨界斷 面在跨度中央,而剪力臨界斷面不在支承處。(25 分)