所屬科目:機械設計
一、有一如圖類似軸頸軸承之油泵設計,其油膜厚度 h 為均勻的 0.1 mm,且 圍包角為 320°,油之黏度為 0.022 N·s/m2 ,軸徑 2r=60 mm,泵在軸方向 的長度為 50 mm,軸轉速為 1500 rpm,入口壓力為大氣壓。試求出每單 位時間所能抽取油體積流量與出口阻抗壓力 pmax之關係式,及當出口流 量極小時之最大出口壓力。(20 分) (參考公式:雷諾方程式 )
二、如圖所示之傳動軸由高碳鋼(抗拉強度 615 MPa、降伏強度 380 MPa、 修正後之疲勞限 250 MPa)製作而成,為均一之直徑,設計時之安全係 數為 2.0,齒輪 A 傳動之施力為垂直 PA=2000 N,且軸在扭矩傳動下等 速運轉。試分別以畸變能理論(distortion energy theory)及古德曼理論 (Goodman theory),計算其設計所需之靜態、疲勞直徑。(20 分)
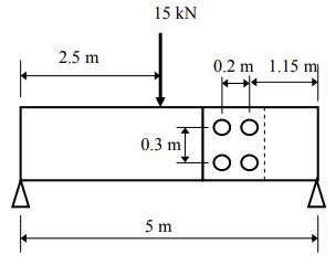
三、如圖所示之橫樑係由兩段樑以 4 支螺絲接合而成,若螺絲材料之強度等 級為5.8(極限強度520 MPa、降伏強度415 MPa、驗證強度(proof strength) 380 MPa),設計安全係數為 2.0,試求螺絲所需之直徑。(20 分)
四、有一如圖之鋼製(E=207 GPa,G=79.3 GPa)活塞環,外直徑為 80 mm, 徑向高度 h=3.0 mm,厚度為 b=3 mm,安裝時需施力 F 將其打開變形 δ, 試求 δ=1 mm 時,所需之施力 F。(20 分)
五、飛輪所用之碟式剎車器如圖所示,作動剎車的液壓活塞必須安置於半徑 rP,如此剎車來令片在整個接觸面為均勻壓力,若欲使在 1000 rpm 旋轉 中的飛輪(當時動能 400 kJ)於剎車作動後 4 s 時完全停止。試求所需 之作動力 P 及來令片上之壓力。摩擦係數 μ=0.3,α=30°,ro=120 mm, ri =60 mm。(20 分)