所屬科目:捷運◆基本電學及電工原理
21.若有一電路含VCC 電壓源、一顆電阻(R)及一顆電容的電容充電電路,則電容充電速度由 (A) 電阻(R) (B) 電容(C)R+C (D)RC 決定
32.根據以下圖形,2 個電感器串聯連接,已知 L1,L2 自感值分別為 3 H、12 H,線圈耦合係數 為 0.5,則總電感值為多少? (A) 9 H (B) 12 H (C) 18 H (D) 21 H
34.根據以下電路,直流電壓源為 16V,求 a,b 端點間的解戴維寧等效電路,其戴維寧等效電壓、 等效電阻分別為多少? (A) 12 V,6 Ω (B) 11 V,6 Ω (C) 12 V,5 Ω (D) 11 V,5 Ω
35.根據以下電路,直流電壓源為 15V,通過 2Ω 電阻的電流 I 為多少安培? (A) 1A (B) 0.5A (C) -0.5A (D) 0A
36.根據以下電路,三個並聯電阻其電阻值分別為 150 Ω、100 Ω、50 Ω,此三個電阻的消耗功率 比值依序為多少? (A) 3:2:1 (B) 1:2:3 (C) 2:3:6 (D) 1:2:4
37.根據以下 RLC 電路,此濾波器電路屬於何種濾波器? (A) 帶通濾波器(Band-Pass Filter) (B) 帶拒濾波器(Band-Stop Filter) (C) 高通濾波器(High-Pass Filter) (D) 低通濾波 (Low-Pass Filter)
38.根據以下穩態電路,直流電壓源為 12V,若開關 S 在 t=0 時,由位置 1 切換至位置 2,則該瞬 間 (t=0 時 ) 通 過 電 容 的 電 流 i 為 多 少 安 培 ? (A) 0A (B) -1A (C) 1A (D) -2A
39.根據以下電路,交流電壓源為 v(t)= 141.4 Sin (377t) V,則電源輸出的平均功率為多少? (A) 1000W (B) 500W (C) 300W (D) 100W
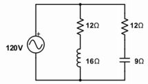
40.根據以下 RLC 電路,交流電壓源為 120V,此電路的平均功率為多少? (A) 1300 W (B) 1200 W (C) 1100 W (D) 900 W
41.根據以下電路,交流電壓源為 v(t)= 100√2 Sin (377t+60°) V,L=10 mH,則電流 i(t)的相量式 為何? (A) 10∠30° (B) 10∠-30° (C) 10∠-60° (D) 10∠0°