所屬科目:輪機工程(概要)(包括推進裝置、輔機與輪機英文)
1. 船舶推進軸系統中,就噴水推進器(Water Jet Thruster)示意圖而言,噴水泵(Water Jet Pump)應 為下列何者? (A) (1) (B) (2) (C) (3) (D) (4)
12. 船舶推進軸系統中,就對艉軸管裝置(Stern tube System)示意圖而言,後軸封(After Seal)應為 下列何者? (A) (1) (B) (2) (C) (3) (D) (4)
13. 船舶推進軸系統中,就下圖而言(5)應為下列何者? (A) 前軸承 (B) 後軸承 (C) 艉軸管 (D) 推力軸承
14. 船舶推進軸系統中,就下圖而言(2)應為下列何者? (A) 測間隙管 (B) 加油管 (C) 加水管 (D) 艉軸管
19. 船舶推進軸系統中,就下圖而言(11)應為下列何者? (A) 傾斜(Rake) (B) 傾斜角(Rake angle) (C) 後向彎曲(Skew) (D) 螺距比(Pitch ratio)
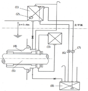
30. 於船舶推進軸系統中,就尾軸管潤滑系統示意圖而言,密封油櫃應櫃(Sealing Oil Tank)為下列何者? (A) (1) (B) (2) (C) (3) (D) (4)